roboforum.ru

Технический форум по робототехнике.


Датчик для шестинога

Обсуждаем рождающиеся мысли и результаты экспериментов.

Re: Датчик для шестинога

Сообщение Vovan » 14 окт 2009, 17:30

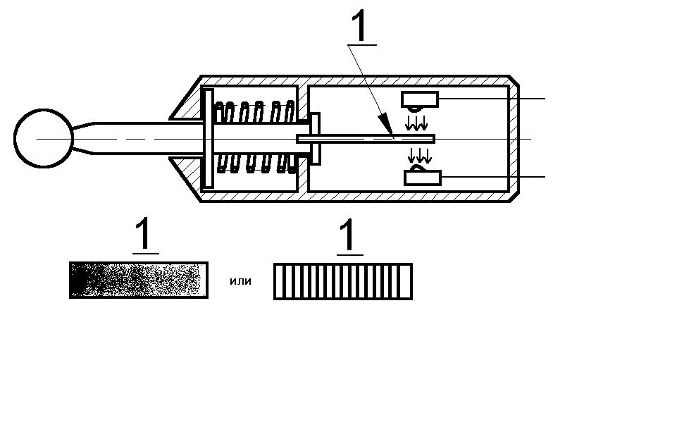
Посмотрел на картинку и вспомнил - нЕкогда размышлял (ну типо конструировал нечто подобное) и даже эскиз нашёл у себя. Мождь и можно развить? Ну т.е. сам принцип использовать :)
Вложения
Datchik.jpg
_________
Sincerely,
Vovan
Аватара пользователя
Vovan
 
Сообщения: 3340
Зарегистрирован: 05 окт 2005, 12:03
Откуда: Литва
прог. языки: asm

Re: Датчик для шестинога

Сообщение Aseris » 14 окт 2009, 17:55

Ага тока опять проблема найти одинаковые пружины, либо игратся с каждым датчиком отдельно


:Yahoo!: Я их увидел , осталось толко цену узнать http://www.micropribor.com.ua/index.php?option=com_content&task=view&id=26&Itemid=27 или http://www.megatron.eu/SMC3/plugin-transformer?trafo=live&plugin=doc&mode=designin&tp_subRulesID=1206567953264&language=de&objType=doc#ajax0&false&designin&LoadDocument&&de&doc&1234945308222

Особенно размерами этот порадовал:

KB16.jpg


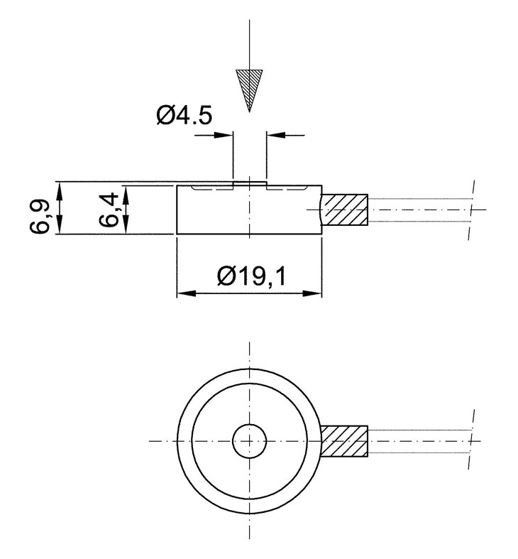
и еще: IESP-12 Force Sensor (6.5$) http://www.hvwtech.com/products_view.asp?ProductID=266
35170_PV.jpg
35170_PV.jpg (5.16 КиБ) Просмотров: 2911
Последний раз редактировалось Aseris 14 окт 2009, 18:48, всего редактировалось 2 раз(а).
Аватара пользователя
Aseris
 
Сообщения: 1142
Зарегистрирован: 01 сен 2009, 14:58
Откуда: Чехия
прог. языки: C/С++, VHDL, Verilog, ASM, Python

Re: Датчик для шестинога

Сообщение frig » 14 окт 2009, 18:27

любой датчик требует калибровки. так или иначе. не бывает ничего абсолютного и идеального, значит ВСЕГДА будет разброс параметров и всегда потребуется калибровка. Либо авто калибровка, либо внешняя, но калибровка должна быть. уж слишком сильно она повышает качество работы.


ох и тяжело ж вам. оказывается, что городить лишний датчик еще сложнее, чем казалось сначала :lol:
но мы легких путей не ищем... я уж не говорю о том, что когда захочется нормального поведения с такими датчиками, то окажется, что не хватает производительности камня. :ROFL:

если модератор сочтет что уж сильно я тут глумлюсь, буду рад если это удалят без последствия для меня.
frig
 
Сообщения: 1640
Зарегистрирован: 12 фев 2007, 12:25
Откуда: Днепр

Re: Датчик для шестинога

Сообщение Aseris » 14 окт 2009, 18:47

Впринципе согласен, колибровка нужна, ибо есть вариант когда разброс 5-15% что цифрой можно компенсировать и когда разброс 20-50% тогда придется извращатся и с обвязкой камешка.
хочется некоторой повторяймости конструкции :oops:

Производительности хватает :) каждая нога свой камень имеет + один что их координирует по 3 мипса на камень, PWM - апаратные, главный моск AVR32
Аватара пользователя
Aseris
 
Сообщения: 1142
Зарегистрирован: 01 сен 2009, 14:58
Откуда: Чехия
прог. языки: C/С++, VHDL, Verilog, ASM, Python

Re: Датчик для шестинога

Сообщение frig » 14 окт 2009, 21:16

а можно было бы потратить ее с пользой. производительность-то. вместо того чтобы обсчитывать то, что может работать просто САМО. не обязательно обсчитывать, например, ускорение свободного падения каждый раз когда что-то падает. типа того.

по теме. нога в различных условиях становится на поверхность не перпендикулярно, как бы это не помешало работе? перекосы, там, неровности... площадь сенсора, трение в самом сенсоре под разными углами если он механический, работа сенсора при приложении усилия под углом, что он намеряет?
frig
 
Сообщения: 1640
Зарегистрирован: 12 фев 2007, 12:25
Откуда: Днепр

Re: Датчик для шестинога

Сообщение executer » 14 окт 2009, 21:20

первые два - промышленные, думаю еще раз крайне разочаруют вас ценой.
последний - :no: ерунда какаято. скорее всего на том-же паралоне сделано, тензодатчик подключается не двумя выводами да и в пластмассовую коробочку никто их пихать не будет.
еще и не линейный http://eicom.ru/pdf/datasheet/CUI_Inc_A ... ESP12.html

Добавлено спустя 1 минуту 21 секунду:
Сенсор намеряет то что к нему приложат. А синусы-косинусы никто не отменял вроде. Надеюсь и Aseris об этом не забыл.
Аватара пользователя
executer
 
Сообщения: 784
Зарегистрирован: 30 янв 2009, 01:24
Откуда: Запорожье
прог. языки: Си, AvrASM, STL, САС, учу Си++
ФИО: Павел

Re: Датчик для шестинога

Сообщение repository » 14 окт 2009, 22:09

электронных весов купить дешевых, много и выковырять?
repository
 
Сообщения: 260
Зарегистрирован: 29 окт 2008, 18:14
Откуда: Химки МО
прог. языки: Java

Re: Датчик для шестинога

Сообщение contr » 14 окт 2009, 22:57

в напольных датчик примерно такой, как Vovan нарисовал - дешево и сердито!
contr
 
Сообщения: 987
Зарегистрирован: 17 апр 2009, 15:09
Откуда: Rostov-Don
Предупреждения: -1

Re: Датчик для шестинога

Сообщение executer » 14 окт 2009, 23:42

repository писал(а):электронных весов ... дешевых...

Где такое есть?
Аватара пользователя
executer
 
Сообщения: 784
Зарегистрирован: 30 янв 2009, 01:24
Откуда: Запорожье
прог. языки: Си, AvrASM, STL, САС, учу Си++
ФИО: Павел

Re: Датчик для шестинога

Сообщение EdGull » 15 окт 2009, 07:28

в Океях, Ашанах и т.д.
рублей по 250 будут
Аватара пользователя
EdGull
 
Сообщения: 10211
Зарегистрирован: 28 дек 2004, 20:33
Откуда: Тольятти
Skype: Ed_Gull
прог. языки: Bascom AVR Basic
ФИО: Гуль Эдуард Викторович

Сообщение Duhas » 15 окт 2009, 09:44

Aseris писал(а):Производительности хватает :) каждая нога свой камень имеет + один что их координирует по 3 мипса на камень, PWM - апаратные, главный моск AVR32

мм, можно поконкретнее?

что-то из готовых плат? + какая линейка? АП или УЦ ?
«Как сердцу выразить себя? … Мысль изреченная есть ложь!»
В этом мире меня подводит доброта и порядочность...
"двое смотрят в лужу, один видит лужу, другой отраженные в ней звезды"
Аватара пользователя
Duhas
 
Сообщения: 6338
Зарегистрирован: 15 сен 2007, 13:03
Откуда: Красноярск
прог. языки: ASM(МК), C(PC)
ФИО: Гагарский Андрей Александрович

Re: Датчик для шестинога

Сообщение Aseris » 15 окт 2009, 13:25

Duhas писал(а):мм, можно поконкретнее?что-то из готовых плат? + какая линейка? АП или УЦ ?


Мозг: AVR32 - на плате NGW100 http://www.atmel.com/dyn/products/tools_card.asp?tool_id=4102

Плата спинного мозга самодельная, как тока будет готова и робот сможет поднятса и леч, открою тему в достижениях.

На той плате стоит 6 CY8C27243 http://www.cypress.com/?rID=3324, CY8C29666 http://www.cypress.com/?rID=3334 , и CY8C24894 http://www.cypress.com/?rID=3371


Добавлено спустя 5 минут 49 секунд:
frig писал(а):а можно было бы потратить ее с пользой. производительность-то. вместо того чтобы обсчитывать то, что может работать просто САМО. не обязательно обсчитывать, например, ускорение свободного падения каждый раз когда что-то падает. типа того.

по теме. нога в различных условиях становится на поверхность не перпендикулярно, как бы это не помешало работе? перекосы, там, неровности... площадь сенсора, трение в самом сенсоре под разными углами если он механический, работа сенсора при приложении усилия под углом, что он намеряет?


я вот думаю компенсировать както таким образом:
http://www.hexapodrobot.com/forum/viewt ... sensor#p29
всмысле лапки испльзовать

+ использовать даные с акселерометра двехосевого
Аватара пользователя
Aseris
 
Сообщения: 1142
Зарегистрирован: 01 сен 2009, 14:58
Откуда: Чехия
прог. языки: C/С++, VHDL, Verilog, ASM, Python

Re: Датчик для шестинога

Сообщение Duhas » 15 окт 2009, 15:27

на НГВ линух?
«Как сердцу выразить себя? … Мысль изреченная есть ложь!»
В этом мире меня подводит доброта и порядочность...
"двое смотрят в лужу, один видит лужу, другой отраженные в ней звезды"
Аватара пользователя
Duhas
 
Сообщения: 6338
Зарегистрирован: 15 сен 2007, 13:03
Откуда: Красноярск
прог. языки: ASM(МК), C(PC)
ФИО: Гагарский Андрей Александрович

Re: Датчик для шестинога

Сообщение Aseris » 15 окт 2009, 15:58

Угу
Аватара пользователя
Aseris
 
Сообщения: 1142
Зарегистрирован: 01 сен 2009, 14:58
Откуда: Чехия
прог. языки: C/С++, VHDL, Verilog, ASM, Python

Re: Датчик для шестинога

Сообщение Duhas » 15 окт 2009, 15:59

скуууучно ) :crazy:
«Как сердцу выразить себя? … Мысль изреченная есть ложь!»
В этом мире меня подводит доброта и порядочность...
"двое смотрят в лужу, один видит лужу, другой отраженные в ней звезды"
Аватара пользователя
Duhas
 
Сообщения: 6338
Зарегистрирован: 15 сен 2007, 13:03
Откуда: Красноярск
прог. языки: ASM(МК), C(PC)
ФИО: Гагарский Андрей Александрович

Пред.След.

Вернуться в Идеи

Кто сейчас на конференции

Сейчас этот форум просматривают: нет зарегистрированных пользователей и гости: 0

cron