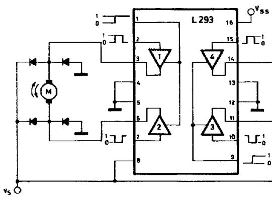
l293
нету такой простейшей распространённой штуки в протеусе
чё делать???
мне нужно аж 2 такие козявки в проект запихать
поискал в нете чёто вобще не нашёл где можно пошукать неофициальные модели для протеуса
ЗЫ
вроде не в тему
хз в какой раздел вопрос совать

