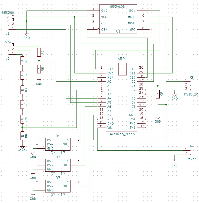
Слева-направо, сверху-вниз:
- BME280: разъём для кабеля в 4 провода (usb?) для внешнего одноимённого погодного сенсора (установлен “на улице”);
- ADC: разъём на три провода для контроля напряжений:
1. напряжение ходового АКБ (до 30В);
2. напряжение АКБ-1 (до 4В);
3. напряжение СБ-1 (до 10В).
- GY-417. Три платки датчиков тока (до 3А). У них свой разъём на плате, поэтому не вывел его отдельно;
- Ардуина-nano в панельке;
- DS18b20: кабель на три провода для подключения нескольких DS18b20 термодатчиков;
Power: питание от АКБ-1 + повышающий DC/DC.
Резисторы все 4к7. Они в наличии, покупать другие лень.
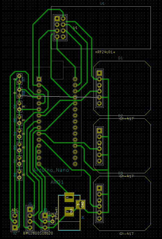
Буду платку разводить. Потом фрезеровать её на своём ЧПУ.
Добавлено спустя 2 часа 50 минут:
Плату развёл. Блин, вроде ж проходная задача, но считай весь день на схему и плату потратил. Плата так себе разведена, но для первой итерации пойдёт

Ещё надо будет сверловку под крепление радиомодуля и платок контроля тока добавить - как модули придут, промеряю их по факту.
И, наверное, радиомодуль надо будет выше отнести. Т.к. USB ардуины будет подключено к Orange Pi для перезаливки кода диспетчера удалённо.
Добавлено спустя 1 час 35 минут 6 секунд:
Насмотрелся страшилок в инете, что nRF24L01 нужно обязательно питать от отдельного LM* стаба. Мол арду-нанного не хватает. Что странно. Он же 800 мА, а нагрузка на него копеечная (нана ест с десяток мА).

