Angel71 писал(а): + у вас на скринах софтина подозрительная

есть немного. сейчас расскажу. это NI LabVIEW 8.6 + vision 8.6 (см.
http://www.ni.com/labview/ и
http://www.ni.com/vision/ )
Со времен учебы в универе я очень к ней пристрастился, и вот почему. LabView это графическая среда разработки программ, в которой каждый графический элемент ничто иное как скомпилированный код (написанный к слову на С, либо подключенный DLL и другие плюшки). Очень забавная штука. Разработана специально для таких как я - людей не очень дружащих с программированием (текстовое представление программ мой мозг терпеть не может. написание кода для микроконтроллеров для меня сущий ад) , но имеющих желание что-то быстро наваять. И что характерно создание программ больше походит на сборку схемы. В наборе, как водится, есть куча готовых скомпилированных прог. При желании можно допилить набор, создать свою библиотеку и пр. И даже есть возможность скрыть нафиг внутреннее устройство своей новой плюшки для LabVIEW. Чем разработчики активно пользуются.
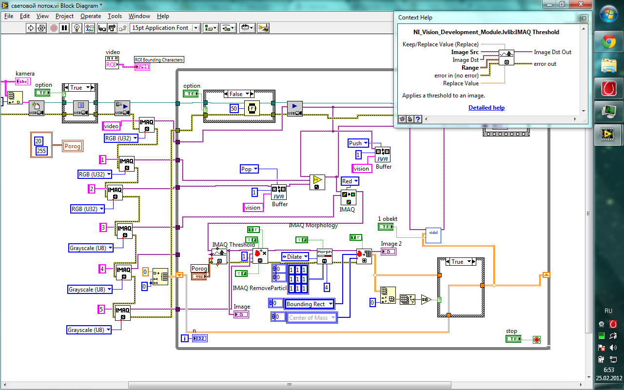
Это к вопросу о работе с пикселями. А вот хз че и как. Я просто воспользовался удобной прогой-помошником из модуля Vission. Составил схему обработки, нажал волшебную кнопку "сгенерировать код" и в окошке появились блоки. После объединения в нужную схему получается что-то вроде такого
проводники это указатель куда какие данные передать. блоки,соответственно код, принимающий данные, и выдающий результат обработки.
Такой подход в программировании удобен мне, некоторым работником науки и некоторым инженерам. Применение находит в задачах построения автоматизированных научных установок, исследовательских инженерных систем. Достаточно упомянуть что большой адронный коллайдер работает под управлением софта NI.
Как можно догадаться, робототехника как и машинное зрение тоже относится к научным интересам. И тут к labVIEW уже понаделали расширений под это дело. Что касается модуля робототехники, когда я его смотрел, не нашел для себя ничего полезного (на тот момент).
А вот компания LEGO пошла дальше и заказала NI разработку адаптированного для роботов LEGO языка программирования. ага. к слову NI опять же сделали библиотеки для программирования их из под LabVIEW.
вернемся к нашим "баранам" то есть к производительности. тут есть куча способов повысить ее. Я пока просто раскапывал свои наработки из файлопомойника и ничего еще не менял.
Начнем с того что ресурсы проца поедал антивирус, 3G модем и другие процессы. Код прог оптимизировать это само собой. Определиться с настройками данных тоже еще предстоит. Может 30 fps и 32bit не нужны. Без них успеем прицелиться в спящего в кресле кота\кушающую семечки мышу\ присевшую на мед муху. Потом как водится в LabVIEW есть 2 пути запуска программ:
1) из среды разработки (как и было)
2) создание исполняемого файла exe
В старых версиях, насколько я помню, 2 вариант иногда дает выигрыш в 2 с лишним раза. Новые версии среды (уже есть 10 11)само собой имеют улучшения, включая все прелести 64 битных вычислений, распараллеливание вычислений и хз что еще.
Ну и еще...я давно думал под каким благовидным предлогом купить новый комп
Оказывается есть неплохой вариант сделать высокоэффективный (производительность на ват) комп с miniITX платой (на борту wifi стандарта вплоть до n) процессором i3 2100T (уменьшенная частота напряжение). с потреблением в простое 10вт

или проц покруче, а лишнюю мощь, опять же, искусственно можно ограничить под желаемое потребление. Такой штуке с ноутовским аккумулятором будет по плечу и данные с kinect обрабатывать (3D карта глубины)и колесить по огороду в поиске колорадских жуков. Опять же современные возможности на ходу понижать потребление энергии дают надежду на реализацию фантазий.
(я как-то встречал на youtube видео и куда более крутых роботов)
PS тест водяной пушки. Насос автомобильный от омывателя стекол. Форсунка от бытового распылителя (для растений и прочего). Питания от 7.2В (это как 2 банки li-po аккумулятора)
на 2 метра брызжет как нефиг делать. При желании, можно поднять питание, поменять форсунку.