roboforum.ru

Технический форум по робототехнике.


Куплю 100% металлический экструдер в Москве.

Купить / продать модули и комплектующие для роботов, механика, электроника
микроконтроллеры. Предложение и спрос услуг и работ.

Re: Куплю 100% металлический экструдер в Москве.

Сообщение AlexKit » 25 мар 2014, 19:10

сделать не проблема, я всегда на Chipmaker заказываю, несмотря на то что есть свой CNC, там получается дешевле, но принцип простой- все стоит 100$-), хоть одну деталь, хоть сотню-), я примерно прикинул- корпус экструдера обойдется в 600-800руб, при партии мин 10 штук, может меньше, если партия больше, нагревательный кубик- рублей по 100, и проточка шпильки из нержи. еще 150-200, осталось конкурс на лучшую кинематику объявить! и найти где все остальные детали покупать.
AlexKit
 
Сообщения: 152
Зарегистрирован: 10 авг 2013, 14:59
Откуда: Москва
прог. языки: Ассемблер

Re: Куплю 100% металлический экструдер в Москве.

Сообщение plague » 25 мар 2014, 20:30

Вторая версия моего экструдера :)

Добавлено спустя 36 минут 21 секунду:
А так ещё лучше... :oops:
Вложения
for extruder.gif
Printer: Prusa Mendel i2 Radus Edition / Firmware: Marlin Ver. unknown
Host: Pronterface + PaspBerry Pi + VNC / Slicer: KISSlicer x64 1.4.5.6 Pro
Filament: ABS 1.75 mm / Nozzle: my head 0.3 =)
Electronics: RepRap Sanguinololu 1.3b / 3d editor: SolidWorks, OpenScad, 3DsMax
Аватара пользователя
plague
 
Сообщения: 110
Зарегистрирован: 20 янв 2014, 01:14

Re: Куплю 100% металлический экструдер в Москве.

Сообщение AlexKit » 25 мар 2014, 21:26

не плохо, но не технологично, замучаешься делать, да и термобарьер отсутствует, лучше уж сборный, трубки можно сделать из шпильки или болта нержавеющего, а нагреватель из д16, оребрение лучше сделать отдельно, из дюрали и накрутить сверху. чем меньше будет работ с нержой. тем дешевле, такая деталь одна потянет на 200$. а надо то всего 2-3 см трубки.
AlexKit
 
Сообщения: 152
Зарегистрирован: 10 авг 2013, 14:59
Откуда: Москва
прог. языки: Ассемблер

Re: Куплю 100% металлический экструдер в Москве.

Сообщение plague » 25 мар 2014, 21:46

Не хочу я с трубками заморачиваться, нужно цельное чтобы было, меньше косяков будет. От эксцентрика я отказался, смысла нет. Пусть всё будет из нержи, а носик латунный.
Вложения
for extruder.gif
Printer: Prusa Mendel i2 Radus Edition / Firmware: Marlin Ver. unknown
Host: Pronterface + PaspBerry Pi + VNC / Slicer: KISSlicer x64 1.4.5.6 Pro
Filament: ABS 1.75 mm / Nozzle: my head 0.3 =)
Electronics: RepRap Sanguinololu 1.3b / 3d editor: SolidWorks, OpenScad, 3DsMax
Аватара пользователя
plague
 
Сообщения: 110
Зарегистрирован: 20 янв 2014, 01:14

Re: Куплю 100% металлический экструдер в Москве.

Сообщение AlexKit » 25 мар 2014, 22:17

может лучше как здесь https://ultimachine.com/content/prusa-nozzle-mkii-04mm ?
я конечно не настаиваю-), но после того как вы узнаете стоимость, мы продолжим-)
кстати там стенки 1,5мм, не напрягает? риск дело хорошее, но можно просто посмотреть в Солиде например, как будет охлаждаться. ну или поискать аналогичные конструкции по форуму, где то я уже видел похожую.
AlexKit
 
Сообщения: 152
Зарегистрирован: 10 авг 2013, 14:59
Откуда: Москва
прог. языки: Ассемблер

Re: Куплю 100% металлический экструдер в Москве.

Сообщение plague » 25 мар 2014, 22:51

Я в солиде ещё не знаю как это делать. Давай вводную за 5 минут основы дрифта.
Вложения
ex.jpg
Printer: Prusa Mendel i2 Radus Edition / Firmware: Marlin Ver. unknown
Host: Pronterface + PaspBerry Pi + VNC / Slicer: KISSlicer x64 1.4.5.6 Pro
Filament: ABS 1.75 mm / Nozzle: my head 0.3 =)
Electronics: RepRap Sanguinololu 1.3b / 3d editor: SolidWorks, OpenScad, 3DsMax
Аватара пользователя
plague
 
Сообщения: 110
Зарегистрирован: 20 янв 2014, 01:14

Re: Куплю 100% металлический экструдер в Москве.

Сообщение avr123.nm.ru » 25 мар 2014, 23:43

В нержавейке просверлить 3 мм на такую длину? Ну-ну :ROFL: удачи!

да и оребрение такое отрезным резцом очень трудно выполнить в нерже.
Читайте !
Аватара пользователя
avr123.nm.ru
отсылающий читать курс
 
Сообщения: 14195
Зарегистрирован: 06 ноя 2005, 04:18
Откуда: Москва
Предупреждения: -8

Re: Куплю 100% металлический экструдер в Москве.

Сообщение plague » 26 мар 2014, 00:08

Это точно. Одни торгаши остались. Всем всё сложно, что такое проточка не знаем, резцов таких нет, материала нет, это делать просто не хотим. Работать разучились!!! Только деньги подавай да побольше!!!
Printer: Prusa Mendel i2 Radus Edition / Firmware: Marlin Ver. unknown
Host: Pronterface + PaspBerry Pi + VNC / Slicer: KISSlicer x64 1.4.5.6 Pro
Filament: ABS 1.75 mm / Nozzle: my head 0.3 =)
Electronics: RepRap Sanguinololu 1.3b / 3d editor: SolidWorks, OpenScad, 3DsMax
Аватара пользователя
plague
 
Сообщения: 110
Зарегистрирован: 20 янв 2014, 01:14

Re: Куплю 100% металлический экструдер в Москве.

Сообщение AlexKit » 26 мар 2014, 00:33

plague писал(а):Я в солиде ещё не знаю как это делать. Давай вводную за 5 минут основы дрифта.

основы-), похожая конструкция рассматривалась здесь forum107/topic12662-690.html
там же есть термоанализ, вроде не все так плохо-), но все равно надо с конструкцией еще подумать.
AlexKit
 
Сообщения: 152
Зарегистрирован: 10 авг 2013, 14:59
Откуда: Москва
прог. языки: Ассемблер

Re: Куплю 100% металлический экструдер в Москве.

Сообщение plague » 26 мар 2014, 00:42

Кому основы, а кому в новинку. Я до сегодняшнего вечера даже не знал что солид так умеет. Вот файл. Попробуйте сами. Я разобраться не смог...
Вложения
my.SLDPRT
(444 КиБ) Скачиваний: 256
Printer: Prusa Mendel i2 Radus Edition / Firmware: Marlin Ver. unknown
Host: Pronterface + PaspBerry Pi + VNC / Slicer: KISSlicer x64 1.4.5.6 Pro
Filament: ABS 1.75 mm / Nozzle: my head 0.3 =)
Electronics: RepRap Sanguinololu 1.3b / 3d editor: SolidWorks, OpenScad, 3DsMax
Аватара пользователя
plague
 
Сообщения: 110
Зарегистрирован: 20 янв 2014, 01:14

Re: Куплю 100% металлический экструдер в Москве.

Сообщение AlexKit » 26 мар 2014, 10:20

я бы сначала, все таки, узнал, почем готовы сделать, а то может и не надо-)
по моему, значительно проще сделать составную деталь, из нержи просто взять болт, чертеж есть, http://www.aliexpress.com/item/Plus-Bar ... 43193.html
вот у китайцев, конструкцию корпуса слегка модифицировать, радиатор добавить, привод сделать с редуктором, нижнюю часть(нагреватель) сделать как у прюши, может сдаться что и не надо ничего делать, а проще купить. (существенно)
Вложения
MP1701-MK7-Thermal-Barrier-RevB.PDF
(55.07 КиБ) Скачиваний: 0
AlexKit
 
Сообщения: 152
Зарегистрирован: 10 авг 2013, 14:59
Откуда: Москва
прог. языки: Ассемблер

Re: Куплю 100% металлический экструдер в Москве.

Сообщение IliaMoroz » 27 мар 2014, 10:21

Готов помочь с разработкой цельно-металлического экструдера.
Ну может что подскажу из уже имеющихся.
Аватара пользователя
IliaMoroz
 
Сообщения: 677
Зарегистрирован: 21 фев 2013, 07:06
Откуда: г. Харьков

Re: Куплю 100% металлический экструдер в Москве.

Сообщение AlexKit » 27 мар 2014, 13:58

Помогай! но лучше руками-), т.е. делай, не обязательно все, что можещь, потом поменяемся.
1) на какую глубину можно просверлить нержавеющий болт м6, диаметром 2мм и 3,20? (лучше попробовать, если есть где, готов по 150р все выкупить, сколько сделаете. желательно 6см, можно 7, минимум 5.
2) по конструкции, очевидно- что надо греть головку,(сопло) а не болт, т.е. .крепеж нагревательного элемента делаем за сопло, и болт тоже вкручиваем в сопло,
3) верхнее оребрение легко комбинируется с корпусом, и нет нужды делать отдельную деталь, а для уменьшиния нагрева податчика, думаю надо просто оставить зазор в деталях, ну и крепить нерж болтом например м3, через шайбу,
4) податчик филамента- надо поэспериментировать с D20мм, думаю он будет полегче протаскивать, где взять такой?
5) прижим- желательно что бы регулировка распологалась спереди, тогда можно будет ставить экструдеры в ряд, по 2-4-6 шт,
6)мотор, надо выбрать с планетарным редуктором, можно 2-х ступенчатым, или сделать такой, т.е. важно что мотор был компактный, тогда их можно в ряд ставить, идеально, чтоб весь экструдер был 3-4см в ширину. (планетарный редуктор D30 на 1/30 готов отдельно профинансировать, всем нужен, да и двигатель можно БК)
7) сопла- дизайн обычный, накручивается на болт м6, на 2-3мм, но имеет немного больше "мяса", поскольку он становится несущим злементом. ну и просверлить можно от 0,2 до 1мм, на выбор, (заказываю сразу 1000 штук, в ассортименте по 30р)
дизайн нагревателя как в прюше, крепится зажимом на сопло,

Вот в кратце мое видение идеального дизайна, теперь критикуйте-)
AlexKit
 
Сообщения: 152
Зарегистрирован: 10 авг 2013, 14:59
Откуда: Москва
прог. языки: Ассемблер

Re: Куплю 100% металлический экструдер в Москве.

Сообщение IliaMoroz » 27 мар 2014, 17:03

AlexKit писал(а):Помогай! но лучше руками-), т.е. делай, не обязательно все, что можещь, потом поменяемся.
1) на какую глубину можно просверлить нержавеющий болт м6, диаметром 2мм и 3,20? (лучше попробовать, если есть где, готов по 150р все выкупить, сколько сделаете. желательно 6см, можно 7, минимум 5.

Ну задача сложная, но решаемая. На практике имеем 18мм - зону плавления (При системе с внешним сменным соплом "Макергар") и 20-30 мм
- зону пластиковой пробки. Если используем латунное сопло ХотЭндов МК-7, МК-8 , то зона в стальной трубке уменьшается до 5-10мм. В сумме 40-50 мм отверстия (с большим запасом).

AlexKit писал(а):2) по конструкции, очевидно- что надо греть головку,(сопло) а не болт, т.е. .крепеж нагревательного элемента делаем за сопло, и болт тоже вкручиваем в сопло,

Тут я предлагаю взять схему Е3D (МК7, МК8). Сопло из латуни - более теплопроводно.

AlexKit писал(а):3) верхнее оребрение легко комбинируется с корпусом, и нет нужды делать отдельную деталь, а для уменьшиния нагрева податчика, думаю надо просто оставить зазор в деталях, ну и крепить нерж болтом например м3, через шайбу,

Желателен чертёж Ваших рассуждений.

AlexKit писал(а):4) податчик филамента- надо поэспериментировать с D20мм, думаю он будет полегче протаскивать, где взять такой?

Следует рассмотреть уже используемые варианты. Определить их плюсы и минусы.

AlexKit писал(а): 5) прижим- желательно что бы регулировка распологалась спереди, тогда можно будет ставить экструдеры в ряд, по 2-4-6 шт,

AlexKit писал(а):6)мотор, надо выбрать с планетарным редуктором, можно 2-х ступенчатым, или сделать такой, т.е. важно что мотор был компактный, тогда их можно в ряд ставить, идеально, чтоб весь экструдер был 3-4см в ширину. (планетарный редуктор D30 на 1/30 готов отдельно профинансировать, всем нужен, да и двигатель можно БК)

Планетарка от военки 1/16
AlexKit писал(а):7) сопла- дизайн обычный, накручивается на болт м6, на 2-3мм, но имеет немного больше "мяса", поскольку он становится несущим злементом. ну и просверлить можно от 0,2 до 1мм, на выбор, (заказываю сразу 1000 штук, в ассортименте по 30р)
дизайн нагревателя как в прюше, крепится зажимом на сопло,

Посмотрите новую схему Макергара. Очень интересно.

AlexKit писал(а):Вот в кратце мое видение идеального дизайна, теперь критикуйте-)
Аватара пользователя
IliaMoroz
 
Сообщения: 677
Зарегистрирован: 21 фев 2013, 07:06
Откуда: г. Харьков

Re: Куплю 100% металлический экструдер в Москве.

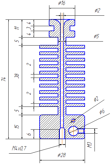
Сообщение AlexKit » 27 мар 2014, 19:05

ну примерно вот так, пока низ,
трубка 45мм, нагреватель крепится хомутом, на сопло, но, как вариант, можно сделать и с покупными форсунками, чета у меня сомнения, что удастся найти токаря с адекватной ценой. если только действительно 1000 штук заказывать-))
Вложения
экструдер_1.JPG
AlexKit
 
Сообщения: 152
Зарегистрирован: 10 авг 2013, 14:59
Откуда: Москва
прог. языки: Ассемблер

Пред.След.

Вернуться в Купить / Продать

Кто сейчас на конференции

Сейчас этот форум просматривают: нет зарегистрированных пользователей и гости: 0

cron