![]() |
roboforum.ruТехнический форум по робототехнике. |
|


удачи! plague писал(а):Я в солиде ещё не знаю как это делать. Давай вводную за 5 минут основы дрифта.
AlexKit писал(а):Помогай! но лучше руками-), т.е. делай, не обязательно все, что можещь, потом поменяемся.
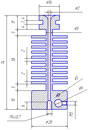
1) на какую глубину можно просверлить нержавеющий болт м6, диаметром 2мм и 3,20? (лучше попробовать, если есть где, готов по 150р все выкупить, сколько сделаете. желательно 6см, можно 7, минимум 5.
AlexKit писал(а):2) по конструкции, очевидно- что надо греть головку,(сопло) а не болт, т.е. .крепеж нагревательного элемента делаем за сопло, и болт тоже вкручиваем в сопло,
AlexKit писал(а):3) верхнее оребрение легко комбинируется с корпусом, и нет нужды делать отдельную деталь, а для уменьшиния нагрева податчика, думаю надо просто оставить зазор в деталях, ну и крепить нерж болтом например м3, через шайбу,
AlexKit писал(а):4) податчик филамента- надо поэспериментировать с D20мм, думаю он будет полегче протаскивать, где взять такой?
AlexKit писал(а): 5) прижим- желательно что бы регулировка распологалась спереди, тогда можно будет ставить экструдеры в ряд, по 2-4-6 шт,
AlexKit писал(а):6)мотор, надо выбрать с планетарным редуктором, можно 2-х ступенчатым, или сделать такой, т.е. важно что мотор был компактный, тогда их можно в ряд ставить, идеально, чтоб весь экструдер был 3-4см в ширину. (планетарный редуктор D30 на 1/30 готов отдельно профинансировать, всем нужен, да и двигатель можно БК)
AlexKit писал(а):7) сопла- дизайн обычный, накручивается на болт м6, на 2-3мм, но имеет немного больше "мяса", поскольку он становится несущим злементом. ну и просверлить можно от 0,2 до 1мм, на выбор, (заказываю сразу 1000 штук, в ассортименте по 30р)
дизайн нагревателя как в прюше, крепится зажимом на сопло,
AlexKit писал(а):Вот в кратце мое видение идеального дизайна, теперь критикуйте-)
Сейчас этот форум просматривают: нет зарегистрированных пользователей и гости: 0