клавиатрку отдельно на разъеме делай, у меня так, и подпрограмма ее обслуживаня написана. когда надо воткнул в любой порт, ЛСД также.
Добавлено спустя 8 часов 47 минут 50 секунд:
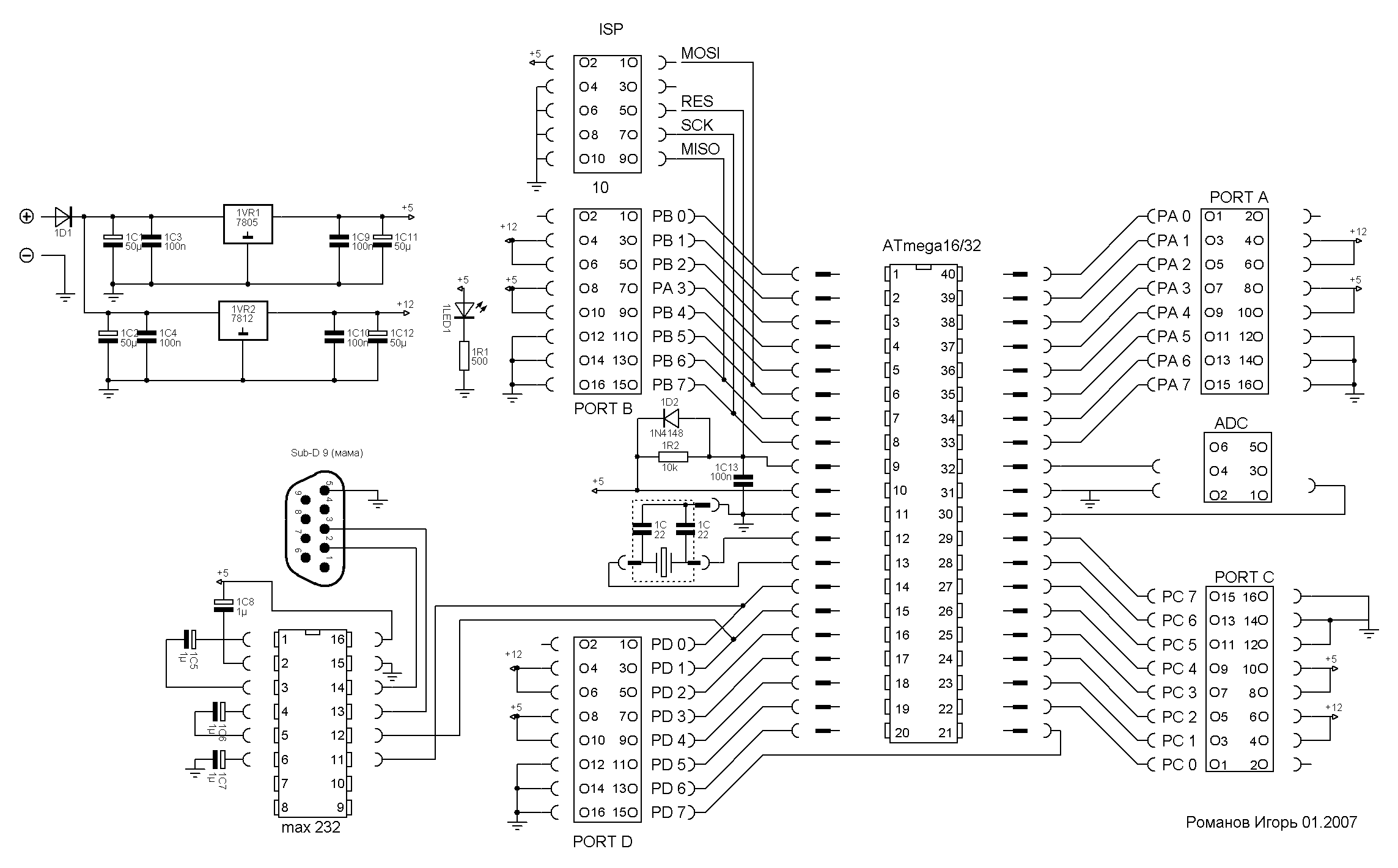
усе готово
viewtopic.php?f=40&t=2832&p=39193#p39159
в слоях номиналы расписаны, электролиты на свой вкус, но имей ввиду если питать от 12 вольт ПК то входные не ставь, а то у меня при вкл питания комп вырубался как будто я КЗ делал .
реализовал по питанию идею.

, этож в начале года придумано. сколько воды утекло
