Правильно.
По правой, тоже не мешало-бы все приблизить к диодам...
но там это не так критично
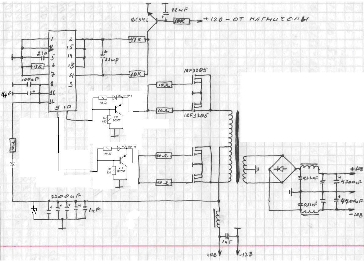
вообще силовые дорожки ИИП следует делать как можно короче и как можно шире
всякие петляния по плате не приветствуются
и после выходных дросселей я поставил-бы емкости, электролиты
к примеру 470...1000мкф
выходное напряжение необходимо снимать непосредственно с фильтрующих емкостей
это "0" тоже касается
удачи
Добавлено спустя 17 минут 19 секунд:на входе ставь емкостей как можно больше...
длинный провод от АБ (под капотом) до усилителя в багажнике, да еще и если небольшого сечения
будет приличным сопротивлением а для ИИП еще и индуктивностью
на котором упадет приличное напряжение
во время "сильных низов" будут провалы что не есть гуд для ИИП
некоторые "автомеломаны" рядом с усилком ставят электролиты
тут зависит емкость от толщины кошелька
я видел 0,5 фарады, другие ставят поменьше
вот и у афтора может тоже чето стояло, о чем он скромно умолчал...
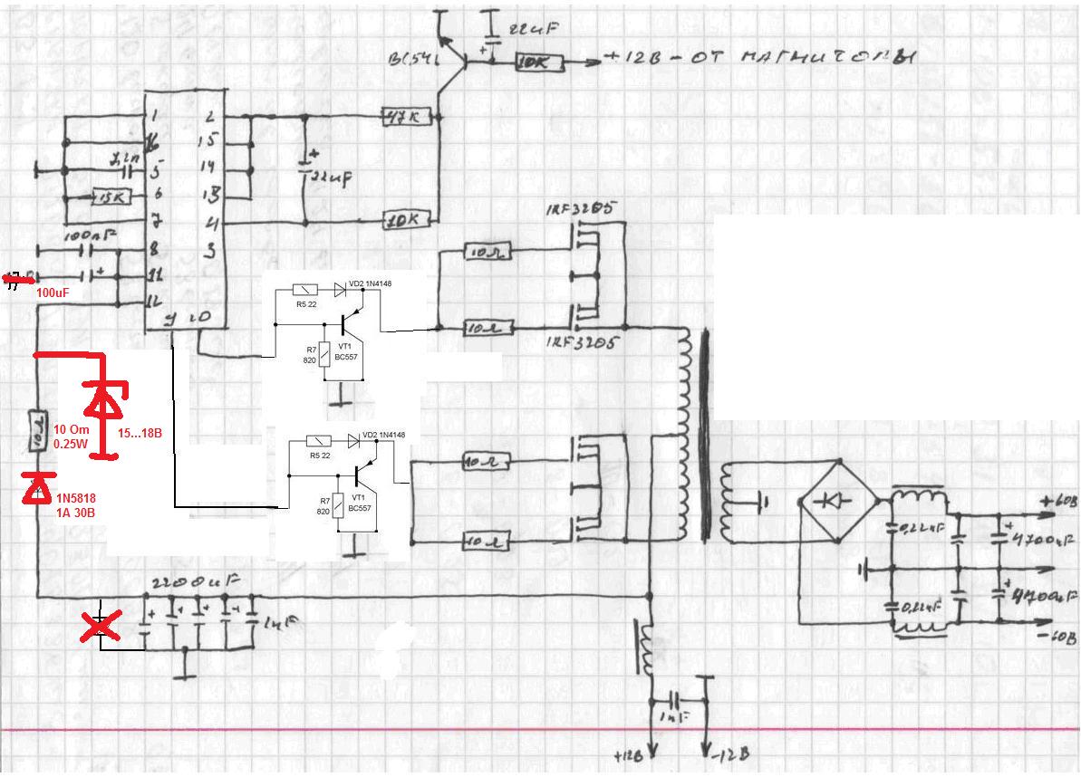
полевиков можешь и парочку поставить в плече, хуже не будет
лучше ставь IRF3205 или чето похожее
у меня в приборах они себя хорошо зарекомендовали
в цепи питания TL494 вместо резистора 2 Вт лучше поставить диод (шотки) и резистор 4,7...10 Ом последовательно,
параллельно фильтрующей емкости стабилитрон 15...18В
надежность питания микры и соответственно полевиков вырастет
