roboforum.ru

Технический форум по робототехнике.


Мой первый проект робот первопроходец

Раздел создан специально для людей которым интересна робототехника, но в силу разных причин они не знают с чего начать.
Задавайте ваши вопросы, какими бы простыми они не казались, постоянные посетители форума постараются ответить на них по мере своих сил.
Робот своими руками. Самодельный робот.

Re: Мой первый проект робот первопроходец

Сообщение landStalker » 29 мар 2011, 16:39

Чем меряем?


Мултимитром


Так и должно быть - меняется ток, а не напряжение.

Вы поаккуратнее там с подстрочником - он включен небезопасно для транзистора и диода.


Должен меняться вольтаж?или ампераж ?ну вольтаж не меняется!

Базу к резисторам. эмиттер на землю. коллектор к катоду ИК-светодиода.


Угу спасибо!вроде так и есть!

Чем меряем?
Вы 36 килогерц тестером пытаетесь увидеть что-ли? У вас глаз сколько герц воспринимает? А тестер?


36Khz не тестером увидеть пытаюсь и не пытался увидеть их тестером "не глупой" мб немного не правильно вырезался!
и глазом тоже не пытаюсь их увидеть так как это не возможна пытался на Arduine осциллографом проверить(нечего не вышло)

Щас глянул даташиты на транзисторы ИМХО вместо КТ3102 надо что то мощнее. Посмотри на диод в пульте он тоже горит не очень ярко)


благодарен буду за это
Аватара пользователя
landStalker
 
Сообщения: 127
Зарегистрирован: 28 мар 2011, 16:47
Откуда: Волгоград
прог. языки: Java на начальном уровне
ФИО: Олег

Re: Мой первый проект робот первопроходец

Сообщение Grofus » 29 мар 2011, 16:57

Я бы поставил кт645а так как сам видел что некоторые ик диоды кушают до 100 mA а тут их два))
Алокоголизм - излечим, пьянство - нет.
Peace-death.
Аватара пользователя
Grofus
 
Сообщения: 104
Зарегистрирован: 25 июл 2009, 16:35
Откуда: Ессентуки
прог. языки: ASM , Lisp , C# :)
ФИО: Алексей

Re: Мой первый проект робот первопроходец

Сообщение boez » 29 мар 2011, 17:05

ИК диоды кушают 1.2 вольта. А миллиампер столько, сколько дашь, пока не сгорят. Я бы для локатора для начала дал миллиампер 10 и хватит, а уже когда заработает - увеличивать. Какому резистору соответствует 10 мА - легко посчитать, зная питание и падение на диоде.

Подстроечник и правда включен опасно, при крайнем положении движка у него будет сопротивление 0 и ИК диоды могут сгореть, если источник питания достаточно мощный - ток-то ничем кроме него не ограничен.

Я бы вместо подстроечника поставил постоянный резистор из расчета 10 мА и светодиод оставил один вместо двух. А уже когда заработает - можно расширяться.
boez
 
Сообщения: 1981
Зарегистрирован: 27 авг 2008, 10:45
Откуда: Харьков
прог. языки: С/С++

Re: Мой первый проект робот первопроходец

Сообщение landStalker » 29 мар 2011, 19:44

Всем спасибо пойду переваривать!

Ура все заработало =)всем спасибо как настрою все отпишу о своих продвижения!
Аватара пользователя
landStalker
 
Сообщения: 127
Зарегистрирован: 28 мар 2011, 16:47
Откуда: Волгоград
прог. языки: Java на начальном уровне
ФИО: Олег

Re: Мой первый проект робот первопроходец

Сообщение Radist » 30 мар 2011, 05:59

При хорошей оптической изоляции 5 мА хватит чтоб белое увидеть с метра. Поэтому я и предложил 3102 (он вроде бы до 100 мА). Бампер все-таки не пульт, ему такие дальности ни к чему.
Аватара пользователя
Radist
 
Сообщения: 2254
Зарегистрирован: 01 июл 2009, 08:59
Откуда: Екатеринбург
прог. языки: асемблер AVR

Re: Мой первый проект робот первопроходец

Сообщение landStalker » 30 мар 2011, 19:23

Да действительно подстрочник R5 включен в схему действительно опасно.уже 10 наверно спалил Ик диодов (хорошо они мне на холяву достались пачкой там примерно около 30-50 штук)

новые цели...
1)немного переделаю схему Ик бампер(включу туда тока ограничивавший резистор и поменяю транзистор на более мощный если понадобится(про транзистор еще подумаю и прикину пару раз)
Расчёт резистора
очь удобно

http://www.casemods.ru/services/raschet_rezistora.html
2)отлажу код на Arduine для ик бампера
3)собрать бюджетную тележку =)


что получится отпишусь спасибо все ваши советы принял во внимания

Добавлено спустя 3 часа 35 секунд:
1.JPG


Вот внес изменения в печатную плату

Добавился резистор R6 будет примерно 470 Ом или 390 Ом(если я все правильно рассчитал)как попадутся норм ИК диоды так точно рассчитаю

Думаю я его верно внес в плату., проверить добрые люди(а то схемотехника хворает у меня)если не прав то поправите! :friends:
С номиналом определюсь чутка позже когда найду Ик диоды не NoName


Добавлено спустя 2 часа 2 минуты 16 секунд:
+ Еще одно изменения потерпел ИК сенсор (ИК диоды посадил в термоусадку черную,и + перегородка между tsopom и ик диодами фотки будут позже)

Добавлено спустя 1 час 50 минут 58 секунд:
вот еще забыл

резистор R3 в базе увеличить с 22 ом до 5 килоом. ручку R5 поставить в середину

Спасибо Michael_K

R3 поставил 5.1 Ком ручку R5 поставить на минимум
Срабатывает примерно на 15-17см
Аватара пользователя
landStalker
 
Сообщения: 127
Зарегистрирован: 28 мар 2011, 16:47
Откуда: Волгоград
прог. языки: Java на начальном уровне
ФИО: Олег

Re: Мой первый проект робот первопроходец

Сообщение Radist » 31 мар 2011, 06:38

В качестве рекомендации на будущее: предлагаю активно использовать планарные компоненты (чип резисторы, чип конденсаторы, чип танталовые конденсаторы, планарные диоды, транзисторы, микросхемы). Платы будут меньше, сверлить меньше, выглядят современнее.

Добавлено спустя 4 минуты 23 секунды:
У вас модуль горизонтальный, а значит он отъест большой кусок площади шасси. Рекомендую делать ик бамперы вертикальными и втыкать их разъемом в основную плату. Второй ик диод не нужен (сами подумайте, ну зачем он? для дальности? вы и без него нужную дальность получите, никто же не ставит в ик пульты гирлянды светодиодов. Датчик с робозоны - не догма). Использование планара позволит сделать очень миниатюрный модуль.
Аватара пользователя
Radist
 
Сообщения: 2254
Зарегистрирован: 01 июл 2009, 08:59
Откуда: Екатеринбург
прог. языки: асемблер AVR

Re: Мой первый проект робот первопроходец

Сообщение Strijar » 31 мар 2011, 09:23

Radist писал(а):Использование планара позволит сделать очень миниатюрный модуль.


Без планара тоже можно сделать достаточно компактно ;) - forum10/topic3214.html
Аватара пользователя
Strijar
 
Сообщения: 664
Зарегистрирован: 28 авг 2006, 17:09
Откуда: Всеволожск (СПб)
прог. языки: С, C++, Python, Lua, VHDL, Verilog, Forth
ФИО: Олег Белоусов

Re: Мой первый проект робот первопроходец

Сообщение landStalker » 31 мар 2011, 12:29

Radist писал(а):В качестве рекомендации на будущее: предлагаю активно использовать планарные компоненты (чип резисторы, чип конденсаторы, чип танталовые конденсаторы, планарные диоды, транзисторы, микросхемы). Платы будут меньше, сверлить меньше, выглядят современнее.

Добавлено спустя 4 минуты 23 секунды:
У вас модуль горизонтальный, а значит он отъест большой кусок площади шасси. Рекомендую делать ик бамперы вертикальными и втыкать их разъемом в основную плату. Второй ик диод не нужен (сами подумайте, ну зачем он? для дальности? вы и без него нужную дальность получите, никто же не ставит в ик пульты гирлянды светодиодов. Датчик с робозоны - не догма). Использование планара позволит сделать очень миниатюрный модуль.


Да спасибо я собрал этот датчик так сказать для тестов =)(про мои цели в 1 посте)
всё будет со временем сначала добьюсь хороших результатов от этого датчика потом перейдем к более современному(накапливаю больше знаний, уже скоро определюсь что мне нужно от ИК бампера)

Без планара тоже можно сделать достаточно компактно - forum10/topic3214.html

Почитал Немного подчеркнул для себя инфы! спасибо!


Цель!


1)собрать бюджетную тележку =)

2)Разработать и развести собственный ШЕЛД для дуины (мотор шелд на l293d)
3)Написать код


Что можете подсказать по пункту 2 любая информация пригодится!

Добавлено спустя 37 минут 8 секунд:
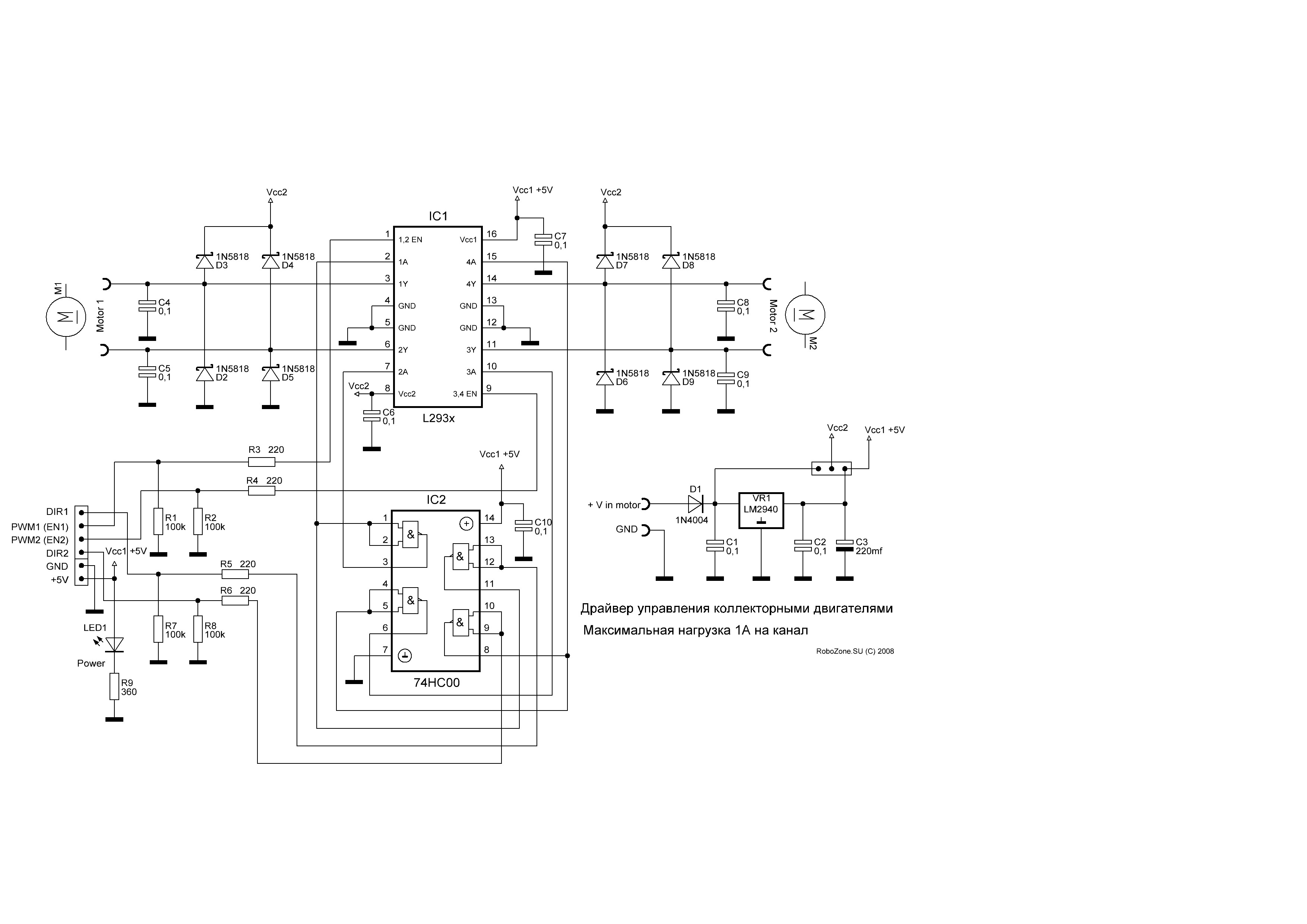
Вот интересный материал я его сча перекуриваю и в бой =)

[url]http://roboforum.ru/wiki/Драйвер_двигателя_L293B[/url]
[url]http://robozone.su/2008/03/28/modul-drajjvera-dvigatelja-na-osnove.html[/url]
http://www.adrirobot.it/arduino/motor_shield/scheda_arduino_motor-shield.htm
Изображение


Собираем инфу

Добавлено спустя 8 минут 3 секунды:
Вот это нужно переворотить в односторонний вариант или не сложную двух(естественно без металлизации отверстий)

Что нужно от шелда
1)Возможность питаться от ардуины 5вольт и с ножки Vin(это без стабилизатора)(думаю еще возможность питать от внешнего источника через стабилизатор 5 вольт на микросхему а до 9 или 6 на моторы)Что лучше?От ардуины брать или от внешнего?
2)Индикация светодиодами с чего питается 5 или с Vin
3)Лучьше использовать микросхемы логики или нет?(74HC32N,74HC00N)
4)Нужно чтобы шелд не занимал много слотов ардуины
5)Нужно управлять пока что только движками обычными(не помню вроде коллекторные)не сервы и не ШД
6)На будущие управлять сервами и ШД
7)управления скоростью вращения электромоторов с помощью широтно модулированного сигнала (ШИМ).

Что то забыл допишу позже(Дополняйте пожалуйста и подсказывайте)


Добавлено спустя 1 час 6 минут 47 секунд:
Вот и вопросы!

У l293D имеет внешние защитные диоды!так а вот (Типо Аналог) KP1128KT3A тоже имеет защитные диоды?

Добавлено спустя 12 минут 58 секунд:
Вроде все Ок нашёл что нужно!

теперь это нужно перевертеть в шелд и подогнать под мои параметры


dra.JPG

DCDRIV~1.JPG


Добавлено спустя 19 минут 21 секунду:
А может и не мучится а заказать ??

http://freeduino.ru/arduino/mshield_kit.html
Аватара пользователя
landStalker
 
Сообщения: 127
Зарегистрирован: 28 мар 2011, 16:47
Откуда: Волгоград
прог. языки: Java на начальном уровне
ФИО: Олег

Re: Мой первый проект робот первопроходец

Сообщение landStalker » 31 мар 2011, 18:18

Или все таки собирать свой шелд???Ну подсказывайте и обсуждайте(Плиз)
Аватара пользователя
landStalker
 
Сообщения: 127
Зарегистрирован: 28 мар 2011, 16:47
Откуда: Волгоград
прог. языки: Java на начальном уровне
ФИО: Олег

Re: Мой первый проект робот первопроходец

Сообщение Grofus » 31 мар 2011, 18:35

На первый вопрос никто за вас не ответит) Если собирать самому что вы получите: 1 Навыки в Лут. 2 Прокачка скилла паяльника 3.Опыт работы в Sprint'е, Eagle. DipTrace или в чём вы будете разводить плату.(если будете) Но время в минусе. Если покупать плюсы: 1 промышленная плата 2 экономия времени 3 (если брать конструктор) скилл паяльника. выбирать вам)
Алокоголизм - излечим, пьянство - нет.
Peace-death.
Аватара пользователя
Grofus
 
Сообщения: 104
Зарегистрирован: 25 июл 2009, 16:35
Откуда: Ессентуки
прог. языки: ASM , Lisp , C# :)
ФИО: Алексей

Re: Мой первый проект робот первопроходец

Сообщение landStalker » 31 мар 2011, 19:03

1) навык лут прокачан уже
2) Скилл паяльника тоже не хромает
3) Опыт работы в Sprint'е (маловато буду прокачивать)
4)Нужно подсказки как сделать лучше(например про стабилизаторы напряжении знаю знаю юзай поиск уже нашёл)и многие нюансы)



остается в силе!

Что нужно от шелда
1)Возможность питаться от ардуины 5вольт и с ножки Vin(это без стабилизатора)(думаю еще возможность питать от внешнего источника через стабилизатор 5 вольт на микросхему а до 9 или 6 на моторы)Что лучше?От ардуины брать или от внешнего?
2)Индикация светодиодами с чего питается 5 или с Vin
3)Лучьше использовать микросхемы логики или нет?(74HC32N,74HC00N)
4)Нужно чтобы шелд не занимал много слотов ардуины
5)Нужно управлять пока что только движками обычными(не помню вроде коллекторные)не сервы и не ШД
6)На будущие управлять сервами и ШД
7)управления скоростью вращения электромоторов с помощью широтно модулированного сигнала (ШИМ).

8)У l293D имеет внешние защитные диоды!так а вот (Типо Аналог) KP1128KT3A тоже имеет защитные диоды?(в датащите что то не понятное мне вроде нету про диоды)

в частности пока что конкретно вопрос №3(он меня в первую очередь интересует)
Аватара пользователя
landStalker
 
Сообщения: 127
Зарегистрирован: 28 мар 2011, 16:47
Откуда: Волгоград
прог. языки: Java на начальном уровне
ФИО: Олег

Re: Мой первый проект робот первопроходец

Сообщение Grofus » 31 мар 2011, 20:06

Ну насчёт логики 74HC00 в двух схемах сводит кол-во управляющих сигналов до 2 на каждый канал.Тоесть поддерживают пункт 4 потому 74HC00 используем обязательно) KP1128KT3A без защитных диодов
Алокоголизм - излечим, пьянство - нет.
Peace-death.
Аватара пользователя
Grofus
 
Сообщения: 104
Зарегистрирован: 25 июл 2009, 16:35
Откуда: Ессентуки
прог. языки: ASM , Lisp , C# :)
ФИО: Алексей

Re: Мой первый проект робот первопроходец

Сообщение landStalker » 31 мар 2011, 22:43

Спасибо с логикой разобрались теперь интересует стабилизаторы питания!
и еще вопросы смотреть выше

Вот что нужно по питанию

Нужно понизить ток с 9V до 5v до 1А примерно думаю на 500-600-700 мА
Как правильно забить в гугл?или подскажите сразу!

Добавлено спустя 1 час 14 минут 5 секунд:
Да чувствую в лайте проблем будет кучу буду месяц рисовать а то и больше =)
Ну все равно мы на этапе сборке информации(Продолжаем) 8)
Аватара пользователя
landStalker
 
Сообщения: 127
Зарегистрирован: 28 мар 2011, 16:47
Откуда: Волгоград
прог. языки: Java на начальном уровне
ФИО: Олег

Re: Мой первый проект робот первопроходец

Сообщение Radist » 01 апр 2011, 06:04

landStalker писал(а):Нужно понизить ток с 9V до 5v до 1А примерно думаю на 500-600-700 мА
Как правильно забить в гугл?или подскажите сразу!


Фраза построена некорректно, из нее мало что понятно. Думаю вам нужен импульсный понижающий стабилизатор. Рекомендую посмотреть по этой ссылке.
http://www.nomad.ee/micros/mc34063a/index.shtml
вводите входное напряжение 9В
выходное напряжение 5В
выходной ток (до 1500 мА, я так и не понял сколько вам надо)
выходные пульсации от пика до пика, то есть размах
частоту, на которой стабилизатор будет работать (20-90 кГц)
(ниже 20 будет слышно, а максимум 100 кГц)
Аватара пользователя
Radist
 
Сообщения: 2254
Зарегистрирован: 01 июл 2009, 08:59
Откуда: Екатеринбург
прог. языки: асемблер AVR

Пред.След.

Вернуться в Новичкам или основы основ роботостроения.

Кто сейчас на конференции

Сейчас этот форум просматривают: нет зарегистрированных пользователей и гости: 0

cron