Myp писал(а):хрень какая, чото я ничё не понимаю тогда
А чего тут понимать?
Даташит читать надо!

Там черным по английскому написано что на входах стоит стандартная TTL логика, а это значит, что неподсоединенный вход читается как логическая "1".
А вот табличка состояния, которая говорит, что если на двух входах будет лог "1", то на выходах будут тоже два плюса. А нагрузка от двух плюсов работать не будет,

Ей плюс и минус подавай
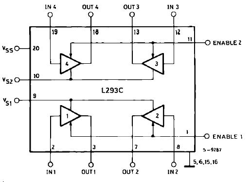
Добавлено спустя 2 минуты 49 секунд:Вот схемка, на всякий случай.
Дерзайте.