![]() |
roboforum.ruТехнический форум по робототехнике. |
|
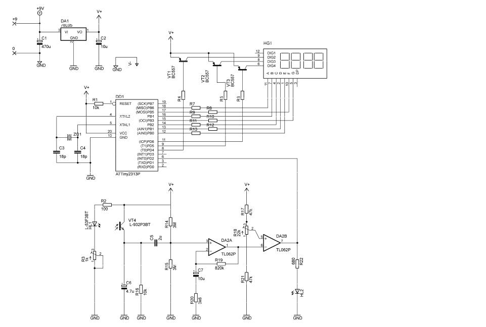
galex1981 писал(а):Сам датчик представляет собой конструкцию типа ик бампера, только используются обычный светодиод для подсветки кожи и вышеуказанная оптопара. Датчик может крепиться на мочку уха или на палец. Далее выход оптопары идет на усилителеподобную схему.

... Было бы хорошо если б например спящему челу надеть датчик на палец... но увы это тоже неудобно...
я ж написал выше: от кости; ик свет просвечивает "плоть" на пальце (т.е. его подушечку пронизанную кровеносными сосудами) и отражается от кости опять же через "плоть"; пульсации крови в сосудах меняют интенсивность ИК света... Вот и всё 
...
тогда можно продолжать:
) подключать к МК.
Вернуться в Электроника, электротехника
Сейчас этот форум просматривают: нет зарегистрированных пользователей и гости: 0