roboforum.ru

Технический форум по робототехнике.

Помогите включать мощную нагрузку при помощи МК

Резисторы, транзисторы, конденсаторы, микросборки, чип компоненты ...
Вопросы согласования управляющих модулей с периферией.

Re: Помогите включать мощную нагрузку при помощи МК

Сообщение blindman » 08 мар 2009, 16:53

loid писал(а):Теперь проблема - где взять 30 Вольт. Или полевик поменять надо, посоветуйте, который при 10 -12 вольт полностью откроется.

Ты так ничего и не понял.

Контрольные вопросы : Для чего в схеме биполярный транзистор? Будет ли работать твоя схема если вместо 12В подключить 30? Какое будет при этом напряжение на нагрузке? Почему?

----------------
Now playing: Aerosmith - Dream_on (Radio-OMa)
Проект [[Open Robotics]] - универсальные модули для построения роботов
Модули Open Robotics можно приобрести в магазине shop.roboforum.ru

Day OFF? You must be pulling my leg! Stop making humor before someone sees you, fool!

Аватара пользователя
blindman
 
Сообщения: 4130
Зарегистрирован: 29 апр 2008, 21:15
Откуда: Хабаровск
прог. языки: C,C++,Assembler,PHP,Javascript,Ruby, SPIN,Java(?)
ФИО: Андрей Юрьевич

Re: Помогите включать мощную нагрузку при помощи МК

Сообщение loid » 08 мар 2009, 16:58

Народ, простите, опять торможу. До полного открывания всё верно, нужно около 20 Вольт, Но! резкое переключение происходит при 6 Вольтах, чего я и добился. Тут всё хорошо. Но всё же есть очередная проблема. :lol: Вообще я делаю зарядное, вместо лампочки - аккумулятор. С лампочкой всё работает - светит в полный накал. Но когда заменяю её АКБ - и мерю Амперметром тоз зарада, получается мерится ток разряда. Думаю может последовательно АКБ включить какой - нить низкоомный диод? :roll:
Вложения
bp.GIF
bp.GIF (6.86 КиБ) Просмотров: 2329
Последний раз редактировалось loid 08 мар 2009, 17:05, всего редактировалось 1 раз.
Аватара пользователя
loid
 
Сообщения: 349
Зарегистрирован: 16 окт 2007, 11:57
Откуда: Минycинck

Re: Помогите включать мощную нагрузку при помощи МК

Сообщение blindman » 08 мар 2009, 17:04

Так, срочно прекращай свои опыты. Я на полном серьезе. А то пожар или еще чего хуже устроишь. Найди нормальную проверенную схему и делай по ней зарядное. Только схему покажи прежде чем делать. Более опытные товарищи надеюсь тебе подскажут.

----------------
Now playing: Ария - Что Вы Сделали С Вашей Мечтой (Radio-OMa)
Проект [[Open Robotics]] - универсальные модули для построения роботов
Модули Open Robotics можно приобрести в магазине shop.roboforum.ru

Day OFF? You must be pulling my leg! Stop making humor before someone sees you, fool!

Аватара пользователя
blindman
 
Сообщения: 4130
Зарегистрирован: 29 апр 2008, 21:15
Откуда: Хабаровск
прог. языки: C,C++,Assembler,PHP,Javascript,Ruby, SPIN,Java(?)
ФИО: Андрей Юрьевич

Re: Помогите включать мощную нагрузку при помощи МК

Сообщение avr123.nm.ru » 08 мар 2009, 17:27

loid писал(а):До полного открывания всё верно, нужно около 20 Вольт

Нет. Нужно столько сколько на картинке и в даташите.
Аватара пользователя
avr123.nm.ru
отсылающий читать курс
 
Сообщения: 14195
Зарегистрирован: 06 ноя 2005, 04:18
Откуда: Москва
Предупреждения: -8

Re: Помогите включать мощную нагрузку при помощи МК

Сообщение RoboTok » 08 мар 2009, 17:29

Я бы, на месте автора, зарядку купил и не парился...
Аватара пользователя
RoboTok
 
Сообщения: 1060
Зарегистрирован: 04 фев 2008, 13:18
Откуда: Москва
прог. языки: PHP

Re: Помогите включать мощную нагрузку при помощи МК

Сообщение avr123.nm.ru » 08 мар 2009, 17:31

loid писал(а):Думаю может последовательно АКБ включить какой - нить низкоомный диод? :roll:


А может ДОДУМАЕШЬСЯ схему аналогичных устройств посмотреть ? Чтоб велосипед изобретать тоже ведь знания нужны.
Аватара пользователя
avr123.nm.ru
отсылающий читать курс
 
Сообщения: 14195
Зарегистрирован: 06 ноя 2005, 04:18
Откуда: Москва
Предупреждения: -8

Re: Помогите включать мощную нагрузку при помощи МК

Сообщение loid » 08 мар 2009, 18:04

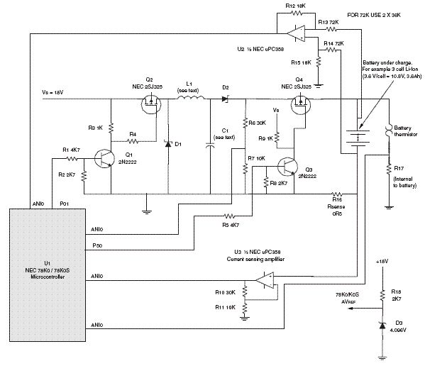
Ну почему вы так всегда. Велосипед, велосипед. Это понятно что велосипед сочиняю, НО! свой. :D И самое интересное в этом процесс собирание и разгадывание головоломок подобно той что сейчас. Вот от полевика часть ДАтаШита. Гляньте глазом спеца, возможно что то упустил, чего то не догнал.
Вложения
charge.GIF
Схема зарядного с которого смазываю
ftp01.GIF
ftp02.GIF
ftp03.GIF
ftp03.GIF (6.95 КиБ) Просмотров: 2324
ftp04.GIF
Аватара пользователя
loid
 
Сообщения: 349
Зарегистрирован: 16 окт 2007, 11:57
Откуда: Минycинck

Re: Помогите включать мощную нагрузку при помощи МК

Сообщение avr123.nm.ru » 08 мар 2009, 19:15

loid писал(а):Ну почему вы так всегда. Велосипед, велосипед. Это понятно что велосипед сочиняю, НО! свой. :D

Вот я и рекомендую вам познакомится с конструкциями существующих велосипедов.

Добавлено спустя 12 минут 4 секунды:
loid писал(а):Гляньте глазом спеца, возможно что то упустил, чего то не догнал.

Очевидно упустили ! ВНИМАТЕЛЬНО позырьте на рисунок транзистора, потом мой рисунок "как работает полевой транзистор" В НИЗУ что написано!

а потом посмотрите даташит транзистора в заряднике - "The 2SJ325 is P-channel MOS Field Effect Transistor".
Вложения
charge.gif
charge.gif (1.33 КиБ) Просмотров: 2311
Аватара пользователя
avr123.nm.ru
отсылающий читать курс
 
Сообщения: 14195
Зарегистрирован: 06 ноя 2005, 04:18
Откуда: Москва
Предупреждения: -8

Re: Помогите включать мощную нагрузку при помощи МК

Сообщение loid » 09 мар 2009, 07:29

Как работает полевик в общих чертах понял. Схему переделал, АКБ заряжяется. Но вот что интересно. На АКБ присутствует около 13 Вольт, для зарядки на неё подаётся около 20 Вольт (это если смотреть по осцилографу, по пикам неотфильтрованного напряжения, то что идет с диодного моста). Вот что интересно, последовательно АКБ включаю Амперметр, если на ножке МК, которая управляет этим процессом, "0" - на Амперметре есть незначительный ток. Если подаю "1" - показания 500 мА. Тут вроде всё впорядке, но если посмотреть опять же осцилографом напряжение на АКБ, не зависимо "0" или "1" на ножке МК, пульсирующее напряжение всегда присутствует. Я правильно понимаю, полевик работает как сопративление, если на затворе есть достаточный потенциал, то сопративление Сток- Исток минимально, но если же потенциал ниже порога переключению полевика - его сопративление велико, т.е. оно всё же есть. Ток конечно не протекает, но напряжение присутствует.
Так?
Аватара пользователя
loid
 
Сообщения: 349
Зарегистрирован: 16 окт 2007, 11:57
Откуда: Минycинck

Re: Помогите включать мощную нагрузку при помощи МК

Сообщение avr123.nm.ru » 09 мар 2009, 12:08

Любой компонент не идеален, а в полевике ты же видишь и стабилитроне еще встроен - потому есть некоторый ток утечки.

20 и 13 вольт ... я думаю ты так ни чего и не понял и сделал не правильно. Схемы нет.

РИСУЙ схемы и ПРОВЕРЯЙ как они работают в PROTEUS !!! viewtopic.php?f=2&t=2398

скриншоты выкладывай через http://radikal.ru
папки проектов через http://slil.ru

Я не вижу твоего ответа по тому, что я писал в прошлом посте. Когда ответишь - тогда наверно поймешь.
Аватара пользователя
avr123.nm.ru
отсылающий читать курс
 
Сообщения: 14195
Зарегистрирован: 06 ноя 2005, 04:18
Откуда: Москва
Предупреждения: -8

Re: Помогите включать мощную нагрузку при помощи МК

Сообщение loid » 10 мар 2009, 12:30

Ладно, сложилось видимо так что допереть своим умом не могу. avr123.nm.ru, вы бы как сделали? Транзисторы, тиристоры, симисторы. Подскажите как лучше сочинить. Но только без контактных реле. :)
Аватара пользователя
loid
 
Сообщения: 349
Зарегистрирован: 16 окт 2007, 11:57
Откуда: Минycинck

Re: Помогите включать мощную нагрузку при помощи МК

Сообщение avr123.nm.ru » 10 мар 2009, 12:33

Как в схеме выше - только полевики поставить как там P-проводимости. А у вас N-полевик.

Я ж вам пишу ВНИМАТЕЛЬНО смотрите на рисунки транзисторов. Неужто разницы не видно ???
Аватара пользователя
avr123.nm.ru
отсылающий читать курс
 
Сообщения: 14195
Зарегистрирован: 06 ноя 2005, 04:18
Откуда: Москва
Предупреждения: -8

Re: Помогите включать мощную нагрузку при помощи МК

Сообщение loid » 10 мар 2009, 13:11

Почему не пойдут n-проводимости? У них ведь только направление тока через транзистор разное.
Аватара пользователя
loid
 
Сообщения: 349
Зарегистрирован: 16 окт 2007, 11:57
Откуда: Минycинck

Re: Помогите включать мощную нагрузку при помощи МК

Сообщение avr123.nm.ru » 10 мар 2009, 13:35

Извини. Но очень сильно ХОЧЕТСЯ РУГАТЬСЯ МАТОМ ! голову включи уже И ЧИТАЙ !!! ДУМАЙ !!!
Аватара пользователя
avr123.nm.ru
отсылающий читать курс
 
Сообщения: 14195
Зарегистрирован: 06 ноя 2005, 04:18
Откуда: Москва
Предупреждения: -8

Re: Помогите включать мощную нагрузку при помощи МК

Сообщение Angst » 17 мар 2009, 10:44

Коль речь зашла о мощной нагрузке :) что можете на счет этой схемки сказать? вроде рабочая, но через сток слишком маленький ток течет, или я в microcap неправильно задал что-то? :oops:
Вложения
.JPG
Angst
 
Сообщения: 27
Зарегистрирован: 17 мар 2009, 10:34
Откуда: Москва

Пред.След.

Вернуться в Электроника, электротехника

Кто сейчас на конференции

Сейчас этот форум просматривают: нет зарегистрированных пользователей и гости: 0

cron