Почитывал давненько робофорум, брал на вооружение разную информацию, но, поскольку не занимаюсь строительством роботов в прямом смысле, пишу впервые...
Также пишу на ваш форум, поскольку вижу здесь множество специалистов по МК и связанным электронным периферийным устройствам...
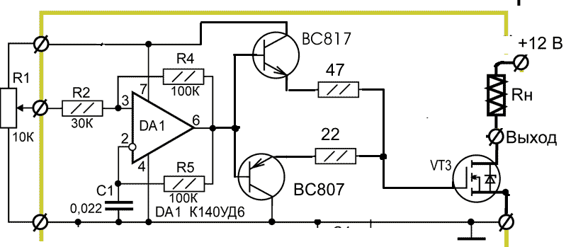
Итак, прошу помощи в просчете драйвера...
Имеется:
Двигатель коллекторный 12V 15A
Блок управления, ШИМ (ATmega128)
Частота ШИМ скорее всего будет выбрана в районе 10кГц
Выбраны и закуплены МОСФЕТЫ IRF2804s-7ppbf (корпус D2Pack)
В результате анализа информации найденной в инете по данному поводу сделал вывод о том, что в моем случае обязательно необходимо применять драйвер для управления полевиком, иначе не избежать проблем с перегревом...
ЯснА даже ситуация с выбором драйвера - IR2125 (если ошибаюсь, прошу поправить).
Много неясностей зато возникает дальше...
Нашел несколько дискуссий по поводу правильной схемотехники, применяя указанную микросхему, а также несколько возможных реализаций драйвера на этой ИМС. Понял то, что МОСФЕТ очень важно правильно открыть и правильно закрыть, т.е. рассчитать номиналы элементов драйвера соответствующих конкретному транзистору...
Вобщем, задача, честно говоря для меня совсем нелегкая, поскольку сталкиваюсь я с этим впервые. Эксперименты могут обойтись дорого - цена транзистора в районе $5...
Прошу помощи в правильной реализации драйвера, с правильными номиналами и типами используемых компонентов.
Если не сложно, с объяснением рассчетов (попытки разобраться с даташитовскими цифрами честно говоря не очень успешны... )
Заранее благодарен за квалифицированную помощь!


