blindman писал(а):А как вам идея использовать в бампере вместо тсопа просто фотодиод? Сигнал усилить, оцифровать, прогнать через цифровой фильтр. Мог бы получиться дешевый датчик. Или бред?
это правильное предложение

|  | roboforum.ruТехнический форум по робототехнике. |  | 
blindman писал(а):А как вам идея использовать в бампере вместо тсопа просто фотодиод? Сигнал усилить, оцифровать, прогнать через цифровой фильтр. Мог бы получиться дешевый датчик. Или бред?

blindman писал(а):А как вам идея использовать в бампере вместо тсопа просто фотодиод? Сигнал усилить, оцифровать, прогнать через цифровой фильтр. Мог бы получиться дешевый датчик. Или бред?



blindman писал(а):А как вам идея использовать в бампере вместо тсопа просто фотодиод? Сигнал усилить, оцифровать, прогнать через цифровой фильтр. Мог бы получиться дешевый датчик. Или бред?
Mazayac писал(а):... вот зачистка/лужение/пайка проводов ... Мучаюсь вот сейчас с этим регулярно, т.к. в двух моих серийных изделиях USB кабель спроектирован впаянным в плату ...

 )
 )
nest писал(а):закупается зачищщеный, облуженный хвост с УСБ штекером на конце...

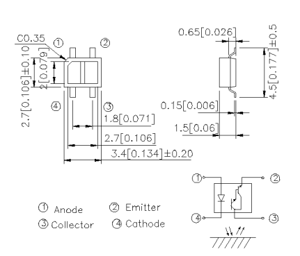
 давайте сюда скидывать достаточно распространенные датчики на отражение?
 давайте сюда скидывать достаточно распространенные датчики на отражение?











Вернуться в Электроника, электротехника
Сейчас этот форум просматривают: нет зарегистрированных пользователей и гости: 0