roboforum.ru

Технический форум по робототехнике.

Необходима консультация по схеме...

Резисторы, транзисторы, конденсаторы, микросборки, чип компоненты ...
Вопросы согласования управляющих модулей с периферией.

Re: Необходима консультация по схеме...

Сообщение AntLer » 13 июл 2008, 14:01

Спасибо за совет поправлю. :oops:
AntLer
 
Сообщения: 24
Зарегистрирован: 29 мар 2008, 18:30
Откуда: Красноярск
Skype: AntLer
прог. языки: C++

Re: Необходима консультация по схеме...

Сообщение EdGull » 13 июл 2008, 14:03

исчо приходи :D
Аватара пользователя
EdGull
 
Сообщения: 10211
Зарегистрирован: 28 дек 2004, 20:33
Откуда: Тольятти
Skype: Ed_Gull
прог. языки: Bascom AVR Basic
ФИО: Гуль Эдуард Викторович

Re: Необходима консультация по схеме...

Сообщение Doniak » 07 ноя 2008, 13:40

вот собсно нарисовал разпиновку имеющейся у меня флешки (материал брал из Интернета http://pinouts.ru/Memory/memorysrick.shtml )
M2 Sony.GIF

основываясь на распиновке и статьи в вике ,( wiki/%D0%9F%D0%BE%D0%B4%D0%BA%D0%BB%D1%8E%D1%87%D0%B0%D0%B5%D0%BC_%D0%B2%D0%BD%D0%B5%D1%88%D0%BD%D1%8E%D1%8E_%D1%84%D0%BB%D0%B5%D1%88-%D0%BF%D0%B0%D0%BC%D1%8F%D1%82%D1%8C_SD-Card_%D0%BA_%D0%9C%D0%B8%D0%BD%D0%B8%D0%91%D0%BE%D1%82%D1%83 ), нарисовал подключение флешки.
Рисунок удалён
Правельно я её подключил?

выводы 5 и 3 у меня получилось болтаются в воздухе.
Последний раз редактировалось Doniak 07 ноя 2008, 16:13, всего редактировалось 1 раз.
Аватара пользователя
Doniak
 
Сообщения: 142
Зарегистрирован: 26 сен 2007, 08:25
Откуда: Krivoy Rog, ukraina
прог. языки: Си
ФИО: Коля

Re: Необходима консультация по схеме...

Сообщение avr123.nm.ru » 07 ноя 2008, 13:43

Только питание МК должно быть 3-3.6 вольт примерно при такой схеме
Аватара пользователя
avr123.nm.ru
отсылающий читать курс
 
Сообщения: 14195
Зарегистрирован: 06 ноя 2005, 04:18
Откуда: Москва
Предупреждения: -8

Re: Необходима консультация по схеме...

Сообщение Duhas » 07 ноя 2008, 13:44

а ни чего что это мемори стик? а народом подключалась СД и ММЦ
«Как сердцу выразить себя? … Мысль изреченная есть ложь!»
В этом мире меня подводит доброта и порядочность...
"двое смотрят в лужу, один видит лужу, другой отраженные в ней звезды"
Аватара пользователя
Duhas
 
Сообщения: 6338
Зарегистрирован: 15 сен 2007, 13:03
Откуда: Красноярск
прог. языки: ASM(МК), C(PC)
ФИО: Гагарский Андрей Александрович

Re: Необходима консультация по схеме...

Сообщение =DeaD= » 07 ноя 2008, 13:49

MS засунуть вместо SD это круто!
Проект [[Open Robotics]] - Универсальные модули для построения роботов
Аватара пользователя
=DeaD=
 
Сообщения: 24218
Зарегистрирован: 06 окт 2004, 18:01
Откуда: Ебург
прог. языки: C++ / PHP / 1C
ФИО: Антон Ботов

Re: Необходима консультация по схеме...

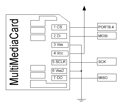
Сообщение Doniak » 07 ноя 2008, 16:09

а типерь, верно?
hhhh.GIF
hhhh.GIF (6.61 КиБ) Просмотров: 2105
Аватара пользователя
Doniak
 
Сообщения: 142
Зарегистрирован: 26 сен 2007, 08:25
Откуда: Krivoy Rog, ukraina
прог. языки: Си
ФИО: Коля

Re: Необходима консультация по схеме...

Сообщение Кирилл » 07 ноя 2008, 18:08

так у тебя Memory Stick или SD/MMC ?
Кирилл
 
Сообщения: 432
Зарегистрирован: 20 окт 2005, 16:11
Откуда: Вильнюс,Литва
прог. языки: Basic

Re: Необходима консультация по схеме...

Сообщение Doniak » 07 ноя 2008, 18:20

Кирилл писал(а):так у тебя Memory Stick или SD/MMC ?

Взял втарую флешку MultiMediaCard 64mb (насколько я понял ето MMC аналог SD ) просто у неё больше контактов и они изогнутые, на рисунке неподписаные.
Аватара пользователя
Doniak
 
Сообщения: 142
Зарегистрирован: 26 сен 2007, 08:25
Откуда: Krivoy Rog, ukraina
прог. языки: Си
ФИО: Коля

Пред.

Вернуться в Электроника, электротехника

Кто сейчас на конференции

Сейчас этот форум просматривают: нет зарегистрированных пользователей и гости: 0

cron