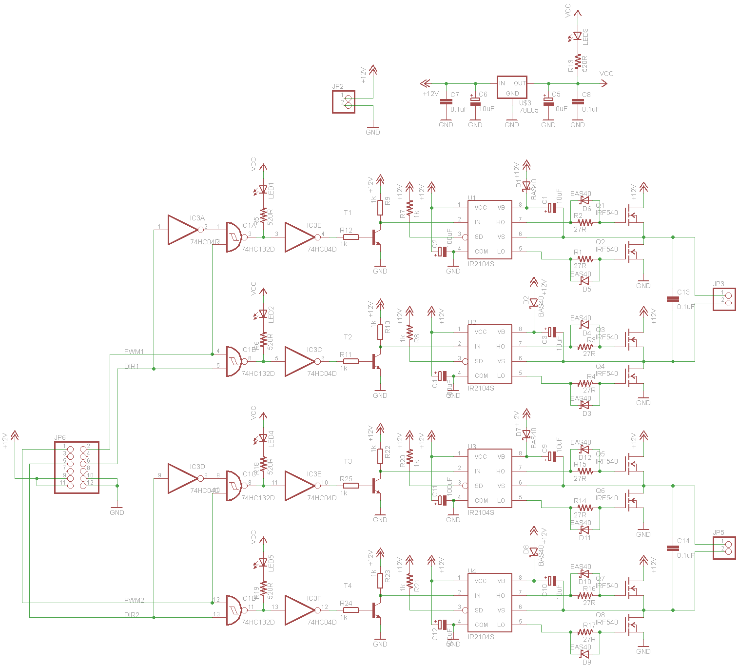
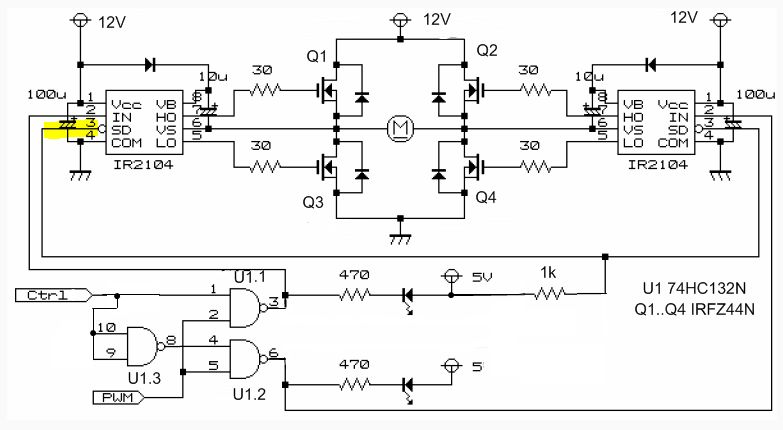
Обе платы ДД собранные по схеме
на макетке и ЛУТ-ом работают не стабильно. Подаю на вход ШИМ (осциллограф показывает ШИМ на входе 2 драйвера IR2104), мотор не работает - прикасаюсь ко входу 3 !SD (на схеме отмечен желтым), ДД начинает работать нормально. Изредка при включении питания сразу работает и потом включается-выключается нормально (до выключения питания).
Заметил, что когда ШИМ подается на вход 2 левого драйвера (на входе 2 правого драйвера ШИМ-а нет, +5в), на выходах 6,7 обоих драйверов присудствует ШИМ 17в, на выходах 8 - ШИМ 20в. После касания ко входу 3 любого из драйверов, ДД начинает работать нормально и на выходах 6,7,8 правого драйвера пропадает ШИМ (как и нужно).
Входа 3 касаюсь хоть отверткой, хоть щупом осциллографа (изолированным от руки, конечно) - одинаково срабатывает
Что тут можно сделать?

Попробую, спасибо.