roboforum.ru

Технический форум по робототехнике.


H-мост (H-bridge) и все о нем

Резисторы, транзисторы, конденсаторы, микросборки, чип компоненты ...
Вопросы согласования управляющих модулей с периферией.

Re: H-мост (H-bridge) и все о нем

Сообщение avr123.nm.ru » 25 окт 2009, 19:48

При такой частоте ШИМ мотор-редукторы стеклоподъемников ЖУТКО свистят. Но если у вас ШИМ будет только в движении то возможно шум редуктора чуть замаскирует свист. По условиям заказа обратитесь к Семенову Михаилу - mkpochtoi.narod.ru - авиа почта в Украину стоит примерно 180 рублей.
Аватара пользователя
avr123.nm.ru
отсылающий читать курс
 
Сообщения: 14195
Зарегистрирован: 06 ноя 2005, 04:18
Откуда: Москва
Предупреждения: -8

Re: H-мост (H-bridge) и все о нем

Сообщение etaryson » 25 окт 2009, 19:55

Спасибо огромное, я уже написал Михаилу.
Вы считаете 1- 5Кгц - это много или мало..?
Пробовал на 10 Кгц - действительно свистят, а на килогерце вроде сносно..
etaryson
 
Сообщения: 17
Зарегистрирован: 22 окт 2009, 22:30
Откуда: Pfgjhj;mt

Re: H-мост (H-bridge) и все о нем

Сообщение avr123.nm.ru » 25 окт 2009, 19:57

Обычно при 15 КГц уже не слышно мотора большинству людей.
Аватара пользователя
avr123.nm.ru
отсылающий читать курс
 
Сообщения: 14195
Зарегистрирован: 06 ноя 2005, 04:18
Откуда: Москва
Предупреждения: -8

Re: H-мост (H-bridge) и все о нем

Сообщение Master » 26 окт 2009, 11:04

Тогда может уже 20 кГц, так сказать порог слышимости?
Аватара пользователя
Master
 
Сообщения: 4468
Зарегистрирован: 21 дек 2006, 19:56
Откуда: Украина, г.Одесса
прог. языки: Delphi и С

Re: H-мост (H-bridge) и все о нем

Сообщение avr123.nm.ru » 26 окт 2009, 11:35

У детей. Да и мотор не динамик ВЧ.

У него в задании мотор не колбасит 50 % в нейтрали так что большая маскировка механическим шумом будет.
Аватара пользователя
avr123.nm.ru
отсылающий читать курс
 
Сообщения: 14195
Зарегистрирован: 06 ноя 2005, 04:18
Откуда: Москва
Предупреждения: -8

Re: H-мост (H-bridge) и все о нем

Сообщение SMT » 07 дек 2009, 12:56

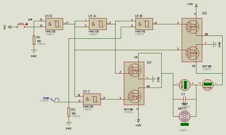
Прошу взглянуть на схему (взята из Минибот-а). Мне кажется не правильно у меня сделано. Это для пылесоса - 12в питание моторов от актуаторов - 6в поставил в модели мотора, 5в сигнал логики ШИМ
H-Bridge-L5v-D12v-1.JPG

проект в Протеусе
H-Bridge-L5v-D12v.rar
(23.93 КиБ) Скачиваний: 13
SMT
 
Сообщения: 1158
Зарегистрирован: 23 авг 2008, 22:28
Откуда: Санкт-Петербург
ФИО: Сергей

Re: H-мост (H-bridge) и все о нем

Сообщение EdGull » 07 дек 2009, 13:55

для 12В бери схему из БрумБота
Аватара пользователя
EdGull
 
Сообщения: 10211
Зарегистрирован: 28 дек 2004, 20:33
Откуда: Тольятти
Skype: Ed_Gull
прог. языки: Bascom AVR Basic
ФИО: Гуль Эдуард Викторович

Re: H-мост (H-bridge) и все о нем

Сообщение avr123.nm.ru » 07 дек 2009, 15:47

SMT писал(а):Прошу взглянуть на схему (взята из Минибот-а). Мне кажется не правильно у меня сделано.
при питании выше примерно 8 вольт верхние транзисторы будут постоянно открыты.
Аватара пользователя
avr123.nm.ru
отсылающий читать курс
 
Сообщения: 14195
Зарегистрирован: 06 ноя 2005, 04:18
Откуда: Москва
Предупреждения: -8

Re: H-мост (H-bridge) и все о нем

Сообщение SMT » 08 дек 2009, 02:14

2EdGull: посмотрел схему - мощнейший драйвер! Можно и самой турбиной управлять, наверное.

2avr123.nm.ru: Так и выглядит, что открыты пропуская ток напрямую с питания на землю. В Протеусе видимо не очень динамично амперметры показывают, даже пошагово. Уменьшил напряжение на транзисторах до 5в, посмотрел, включив стрелки направления токов, пошагово - все равно попадались моменты, когда ток одной направленности сквозь оба транзистора с питания на землю.
H-Bridge-L5v-D12v-2.JPG
SMT
 
Сообщения: 1158
Зарегистрирован: 23 авг 2008, 22:28
Откуда: Санкт-Петербург
ФИО: Сергей

Re: H-мост (H-bridge) и все о нем

Сообщение EdGull » 08 дек 2009, 07:40

что значит наверное?
VT10 и VT11 для кого стоят?
Аватара пользователя
EdGull
 
Сообщения: 10211
Зарегистрирован: 28 дек 2004, 20:33
Откуда: Тольятти
Skype: Ed_Gull
прог. языки: Bascom AVR Basic
ФИО: Гуль Эдуард Викторович

Re: H-мост (H-bridge) и все о нем

Сообщение SMT » 03 янв 2010, 02:09

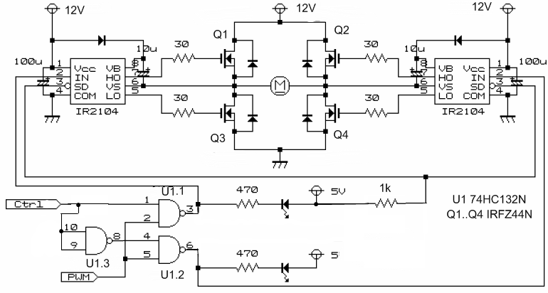
Собрал на макетке мост на IRFZ44N и драйверах IR2104. Изначально основывался на схеме Брумбота и здесь и обсуждения здесь. В последнем обсуждении интересная дискуссия на какой вход драйвера подавать ШИМ - по этой причине полазил по инету и остановился на схеме
MOSFET_Motor_Driver_01.gif

только другие транзисторы использовал и на !SD логическую 1 подал.
MOSFET_Motor_Driver_02.gif

На измененной схеме внизу источника есть еще диоды параллельно резисторам 50R - их пока не добавил (для чего они?).
SMT-ElectricBroom-Prototype-V8-H-Bridge-12v-IRFZ44N-IR2104-prototype.jpg

Проверил на моторе из автоактуатора - работает.
Проверял программкой на бейсике зашитой в ATmega48 - разгоняет-тормозит мотор, изменяя направление вращения. Транзисторы не греются
Код: Выделить всёРазвернуть
$regfile = "m48DEF.dat"
$crystal = 7372800
$baud = 9600

'---------------------------порт А---------------------------------------------

Config Pinc.0 = Output : C0 Alias Portc.0
Config Pinc.1 = Output : C1 Alias Portc.1
Config Pinc.2 = Output : C2 Alias Portc.2
Config Pinc.3 = Output : C3 Alias Portc.3
Config Pinc.4 = Output : C4 Alias Portc.4
Config Pinc.5 = Output : C5 Alias Portc.5
Config Pinc.6 = Output : C6 Alias Portc.6
Config Pinc.7 = Output : C7 Alias Portc.7


Config Pind.0 = Input : УСАРТ_вход Alias Pind.0
Config Pind.1 = Output : УСАРТ_выход Alias Portd.1
Config Pind.5 = Output : Serva1 Alias Portd.5
Config Pind.6 = Output : Serva Alias Portd.6

'---------------------------Программа------------------------------------------
Config Timer1 = Pwm , Pwm = 8 , Prescale = 1 , Compare A Pwm = Clear Down , Compare B Pwm = Clear Down

Print "Test PWM"

Dim Speed As Byte
Speed = 20
Pwm1a = Speed
Pwm1b = Speed
C2 = 0
C1 = 0
C0 = 0
Do
   For Speed = 20 To 220 Step 20
      Pwm1a = Speed
      Pwm1b = Speed
      Waitms 200
   Next I
   Toggle C0
   For Speed = 200 To 20 Step -20
      Pwm1a = Speed
      Pwm1b = Speed
      Waitms 200
   Next I
   Toggle C0

   Toggle C2
   Toggle C1
Loop



Добавлено спустя 10 минут 31 секунду:
Это я собираю драйвера двигателей для прототипа #8 (электрощетки) взамен сгоревшего от Pololu. Мощный (читай - "тяжелый") пылесос требует моторов большей мощности :(
SMT
 
Сообщения: 1158
Зарегистрирован: 23 авг 2008, 22:28
Откуда: Санкт-Петербург
ФИО: Сергей

Re: H-мост (H-bridge) и все о нем

Сообщение avr123.nm.ru » 03 янв 2010, 02:16

картонки дыхалку радиаторам перекрыли.
Читайте !
Аватара пользователя
avr123.nm.ru
отсылающий читать курс
 
Сообщения: 14195
Зарегистрирован: 06 ноя 2005, 04:18
Откуда: Москва
Предупреждения: -8

Re: H-мост (H-bridge) и все о нем

Сообщение SMT » 03 янв 2010, 02:22

картонки - временное явление, только чтобы радиаторы не задевали друг друга (неудачная компоновка).

Добавлено спустя 1 минуту 41 секунду:
Жаль, не нашел в Протеусе IR2104 - проверял на макетке как будет работать, хочу развести нормально теперь.
SMT
 
Сообщения: 1158
Зарегистрирован: 23 авг 2008, 22:28
Откуда: Санкт-Петербург
ФИО: Сергей

Re: H-мост (H-bridge) и все о нем

Сообщение Duhas » 03 янв 2010, 14:02

этим ключам с такими нагрузками радиатора в даже без ребер будет достаточно, имхо... лишь бы тепло отбирал понемногу...
«Как сердцу выразить себя? … Мысль изреченная есть ложь!»
В этом мире меня подводит доброта и порядочность...
"двое смотрят в лужу, один видит лужу, другой отраженные в ней звезды"
Аватара пользователя
Duhas
 
Сообщения: 6338
Зарегистрирован: 15 сен 2007, 13:03
Откуда: Красноярск
прог. языки: ASM(МК), C(PC)
ФИО: Гагарский Андрей Александрович

Re: H-мост (H-bridge) и все о нем

Сообщение SMT » 03 янв 2010, 14:32

Радиаторы (11р. за штуку) прикупил чтобы не пилить вручную.
SMT
 
Сообщения: 1158
Зарегистрирован: 23 авг 2008, 22:28
Откуда: Санкт-Петербург
ФИО: Сергей

Пред.След.

Вернуться в Электроника, электротехника

Кто сейчас на конференции

Сейчас этот форум просматривают: Google [Bot] и гости: 4

cron