roboforum.ru

Технический форум по робототехнике.

Управлени двигателем ~8 вольт , ~60 ампер

Резисторы, транзисторы, конденсаторы, микросборки, чип компоненты ...
Вопросы согласования управляющих модулей с периферией.

Управлени двигателем ~8 вольт , ~60 ампер

Сообщение KiCom » 20 июл 2006, 17:26

Нужно управлять двигателем постоянного тока (ШИМ), ток при зажатом вале 60 ампер, в штатном режиме 9 ампер. С маленькими двигателя при помощи L293 я справился. А вот с "большим" очевидно нужен H-мост на MOSFET. IRL3705 как раз то что надо (77A/55B/0.01 ом) управляеться логическим уровнем. Вот только схемку бы...
KiCom
 
Сообщения: 345
Зарегистрирован: 22 окт 2005, 11:15
Откуда: Красноярск

Сообщение avr123.nm.ru » 20 июл 2006, 22:08

полная система в рассматриваемом на строанице 1 курса

avr123.nm.ru/01.htm

апноуте AVR - вам достаточно 4 транзистора.

По ШИМ я селал задачу-упражнение  avr123.nm.ru/06.htm с примерами.
Аватара пользователя
avr123.nm.ru
отсылающий читать курс
 
Сообщения: 14195
Зарегистрирован: 06 ноя 2005, 04:18
Откуда: Москва
Предупреждения: -8

Сообщение KiCom » 21 июл 2006, 05:18

С ШИМ я разобрался
KiCom
 
Сообщения: 345
Зарегистрирован: 22 окт 2005, 11:15
Откуда: Красноярск

Сообщение KiCom » 21 июл 2006, 06:24

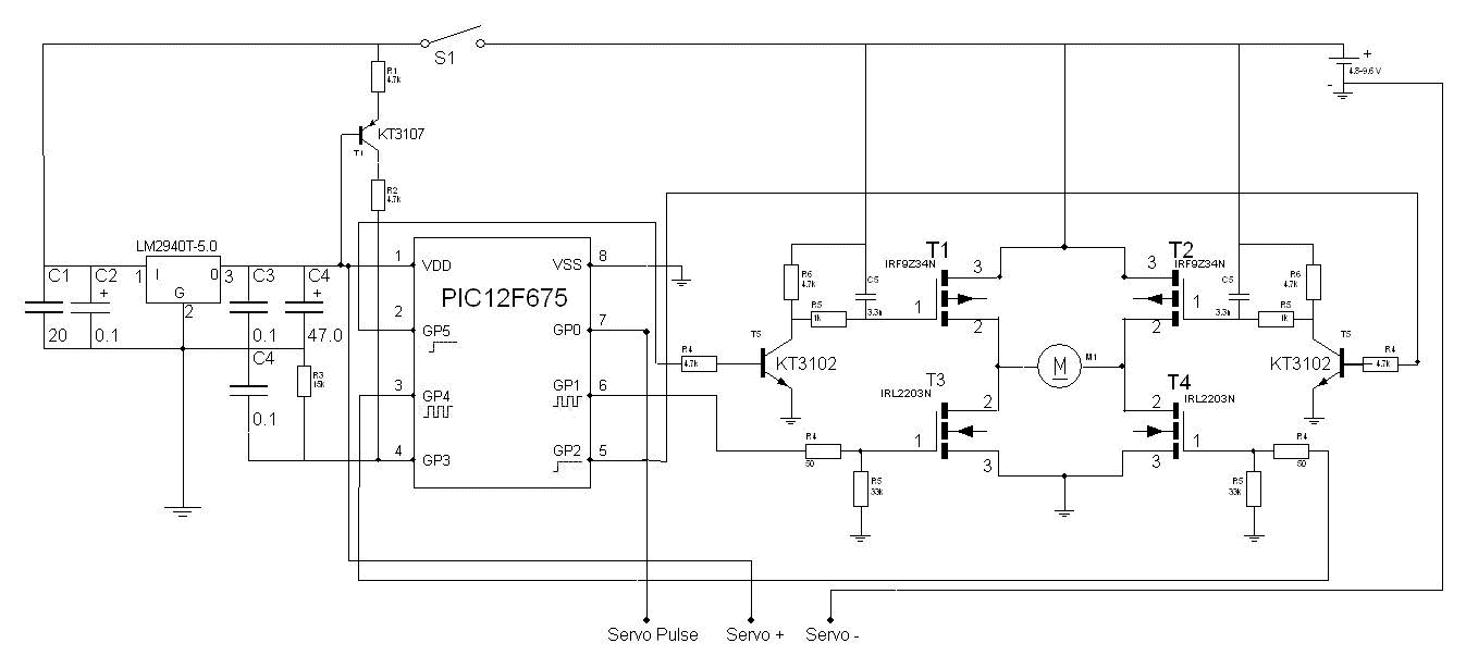
Нашел схему реверсивного регулятора на rcdesign.ru собственно то что нужно. Но немогу понять:
1)Почему применяються два разных MOSFET IRL2203N и IRF9Z34N ?
2)Зачем от МК два ШИМ сигнала ?
Вложения
esc_rev_sch_w.gif
KiCom
 
Сообщения: 345
Зарегистрирован: 22 окт 2005, 11:15
Откуда: Красноярск

Сообщение avr123.nm.ru » 21 июл 2006, 11:45

1. они разной проводимости.

2. разные ШИМ для разных направлений вращения.


Если вращение в одну строну и торможение не нужно то достаточно 1 транзистора.

+++++

а чем АпНоут AVR не устроил со стр. 1 курса ?
Аватара пользователя
avr123.nm.ru
отсылающий читать курс
 
Сообщения: 14195
Зарегистрирован: 06 ноя 2005, 04:18
Откуда: Москва
Предупреждения: -8

Сообщение KiCom » 21 июл 2006, 14:23

Вращать нужно и в одну и в другую сторону с ШИМ. Помотрел схемку из Апноута. У меня вот так получилось (см. схему). Для задания направления хочеться изпользовать всего одну ножку МК тоесть если лог.0 то вправо, если лог. 1 то влево, наверняка есть такие микросхемки: 1 вход, 2 выхода (1 и 2  назовем их условно). Если на входе 0 то на выходе 1 - 1, на выходе 2 - 0  если на входе 1 то на выходе 1 - 0 а на выходе 2 - 1.
И еще нужно как-то "примешать" сигнал ШИМ к этому делу. Слышал что по логическому И но как это реализовать наверняка есть тоже микросхемки.
Вложения
h_bri.gif
h_bri.gif (8.89 КиБ) Просмотров: 4135
KiCom
 
Сообщения: 345
Зарегистрирован: 22 окт 2005, 11:15
Откуда: Красноярск

Сообщение avr123.nm.ru » 21 июл 2006, 14:31

Напряжение питания какое ?

Каким  напряжением будут открываться верхние транзисторы ?

=====

а я предлагаю свое решение:

2 ШИМ сигнала пусть управляют только нижними транзисторами а верхние включаются для выбора направления вращения.

Тогда и со сквозным током нет проблем и уменьшим потери на коммутацию в верхних транзисторах.
Последний раз редактировалось avr123.nm.ru 21 июл 2006, 14:38, всего редактировалось 1 раз.
Аватара пользователя
avr123.nm.ru
отсылающий читать курс
 
Сообщения: 14195
Зарегистрирован: 06 ноя 2005, 04:18
Откуда: Москва
Предупреждения: -8

Сообщение avr123.nm.ru » 21 июл 2006, 14:35

KiCom писал(а):наверняка есть такие микросхемки: 1 вход, 2 выхода (1 и 2  назовем их условно).


достаточно 1 транзисторного ключа - инвертора.

++++++++

Советую сделать как в АпНоуте.

т.е. сделать ПРАВИЛЬНО.

По эл.приводу есть и другие апноуты AVR

и

http://www.microchip.com/stellent/idcpl ... 1=function

делайте как НАДО.
Аватара пользователя
avr123.nm.ru
отсылающий читать курс
 
Сообщения: 14195
Зарегистрирован: 06 ноя 2005, 04:18
Откуда: Москва
Предупреждения: -8

Сообщение KiCom » 21 июл 2006, 15:04

2 ШИМ на один мост я не могу сделать0 сам понимаю что так будет проще, тогда-бы взял схему регулятора. Мне нужно управлять сразу двумя двигателями от одного МК. Все транзисторы будут открываться 5 вольтами. Если использовать транзисторный ключ - инвертор то со сквозными токами проблем я не вижу.
KiCom
 
Сообщения: 345
Зарегистрирован: 22 окт 2005, 11:15
Откуда: Красноярск

Сообщение KiCom » 21 июл 2006, 16:04

Только что измерил напряжение на моторе опять же в Proteus, если мотор подключать только через один Mosfet то на моторе 12 вольт столько-же сколько и на истонике. Но если мотор влючать по мостовой схеме которую я прикреил выше то на моторе 9.7 вольт, в чем дело?
Может у кого есть уже готовая схема? От этих Апноутов у меня уже крыша едет.
KiCom
 
Сообщения: 345
Зарегистрирован: 22 окт 2005, 11:15
Откуда: Красноярск

Сообщение avr123.nm.ru » 21 июл 2006, 16:48

KiCom писал(а):Все транзисторы будут открываться 5 вольтами.

на моторе 12 вольт столько-же сколько и на истонике.


а как 5 вольт появятся на затворах верхних транзисторов ?

Я понимаю что апноуты пишут и спец драйверы полевиков используют и применяют полевики обратной проводимости только идиоты и вам это "не треба" ...

но все же ?

KiCom писал(а):если мотор влючать по мостовой схеме которую я прикреил выше то на моторе 9.7 вольт, в чем дело?


Наверно верхним полевикам на затворе нужен потенциал для открытия (12 - 9.7) вольт.
Аватара пользователя
avr123.nm.ru
отсылающий читать курс
 
Сообщения: 14195
Зарегистрирован: 06 ноя 2005, 04:18
Откуда: Москва
Предупреждения: -8

Сообщение avr123.nm.ru » 21 июл 2006, 16:53

KiCom писал(а):Мне нужно управлять сразу двумя двигателями от одного МК.


советую мега16 и выше.
Аватара пользователя
avr123.nm.ru
отсылающий читать курс
 
Сообщения: 14195
Зарегистрирован: 06 ноя 2005, 04:18
Откуда: Москва
Предупреждения: -8

Сообщение KiCom » 21 июл 2006, 17:17

У меня и так мега16.Таймер0 занят. Таймер1 как-раз  генерирует ШИМ сигнал для двух двигателей по одному ШИМ на двигатель. Таймер2 пока в резерве, но погоды он не даст у него всего один ШИМ.
KiCom
 
Сообщения: 345
Зарегистрирован: 22 окт 2005, 11:15
Откуда: Красноярск

Сообщение KiCom » 21 июл 2006, 17:22

Вот что в курсе написано:
Обратите внимание !

Вы можете взять транзистор серии IRLxxx  управляемый логическим уровнем - подключить его через резистор 20-100 Ом к ножке выходу МК      и

управлять нагрузкой ампер 100 и вольт 50  в легкую !

Я применяю как-раз такой транзистор а именно IRL3705N  как раз такой серии. У МК как мне известно 5 вольт. Так что один транзистор открываеться а два паралельно нет?
KiCom
 
Сообщения: 345
Зарегистрирован: 22 окт 2005, 11:15
Откуда: Красноярск

Сообщение avr123.nm.ru » 21 июл 2006, 17:36

KiCom писал(а):Вот что в курсе написано:
Обратите внимание !

Вы можете взять транзистор серии IRLxxx  управляемый логическим уровнем - подключить его через резистор 20-100 Ом к ножке выходу МК      и

управлять нагрузкой ампер 100 и вольт 50  в легкую !

Я применяю как-раз такой транзистор а именно IRL3705N  как раз такой серии. У МК как мне известно 5 вольт. Так что один транзистор открываеться а два паралельно нет?


в курсе как обычно "точняк".

НО 5 вольт то у вас относительно земли !!!

а верхний транзистор то "летает" над землей !   вот  потому то и ставят спец драйверы которые дают напряжение на затвор выше напряжения питания мотора (моста).  

Либо полевики обратной полярности - P-типа.

KiCom писал(а):У меня и так мега16.


это гуд!
Аватара пользователя
avr123.nm.ru
отсылающий читать курс
 
Сообщения: 14195
Зарегистрирован: 06 ноя 2005, 04:18
Откуда: Москва
Предупреждения: -8

След.

Вернуться в Электроника, электротехника

Кто сейчас на конференции

Сейчас этот форум просматривают: нет зарегистрированных пользователей и гости: 0

cron