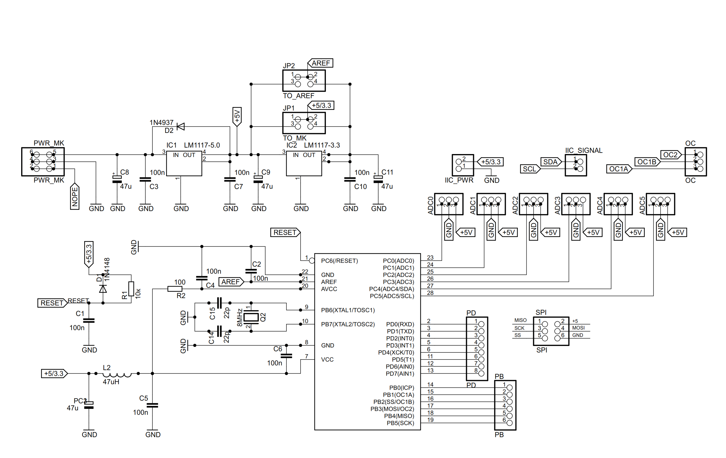
Помогите советом или исправлением принципиальной схемы обвязки atmega8.
В первую очередь интересуют правильно ли подключены все выводы питания.
На порты C, B, D смотреть пока что смысла нет.
Решил таки задать вопрос на форуме именно из-за того, что хотелось бы получить максимально универсальную обвязку из возможных (без фанатизма конечно же).
Так как созданием всяческих девайсов на atmega'х занимаюсь в свободное от работы время, а его крайне мало, то универсальная, малогабаритная плата, распинованная так как нужно мне была бы крайне полезной. Устал с макетками возиться.
Питание от +5 до +12 вольт.
Заранее спасибо



