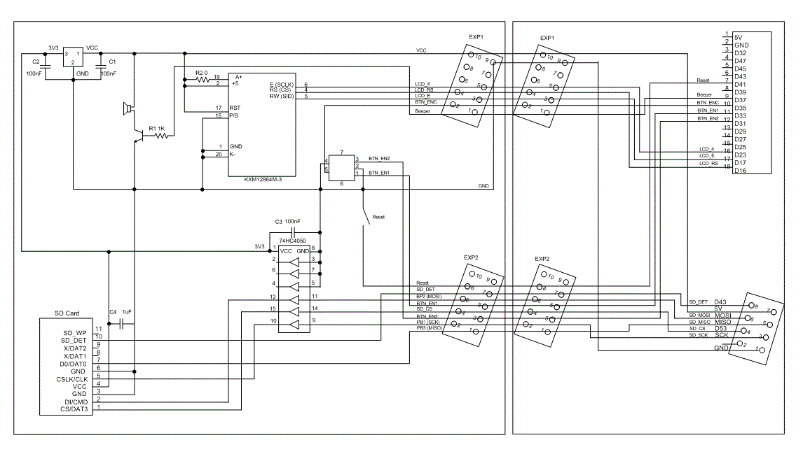
http://reprap.org/wiki/RepRapDiscount_Full_Graphic_Smart_Controller
Как в инструкции скопировал либу U8glib в ардуино из аддона.
раскоментировал строку.
#define REPRAP_DISCOUNT_FULL_GRAPHIC_SMART_CONTROLLER //(без этой строки все работает нормально).
Скомпилировал, зашил в плату, на выходе имею вот такое.
- Код: Выделить всё • Развернуть
Connecting...
start
Printer is now online.
echo: External Reset
Marlin 1.0.0
echo: Last Updated: Feb 14 2014 17:48:57 | Author: Alex Topchiy
Compiled: Feb 14 2014
echo: Free Memory: 3206 PlannerBufferBytes: 1232
echo:Hardcoded Default Settings Loaded
echo:Steps per unit:
echo: M92 X59.38 Y59.38 Z2560.00 E836.00
echo:Maximum feedrates (mm/s):
echo: M203 X500.00 Y500.00 Z5.00 E25.00
echo:Maximum Acceleration (mm/s2):
echo: M201 X5000 Y5000 Z50 E10000
echo:Acceleration: S=acceleration, T=retract acceleration
echo: M204 S3000.00 T3000.00
echo:Advanced variables: S=Min feedrate (mm/s), T=Min travel feedrate (mm/s), B=minimum segment time (ms), X=maximum XY jerk (mm/s), Z=maximum Z jerk (mm/s), E=maximum E jerk (mm/s)
echo: M205 S0.00 T0.00 B20000 X20.00 Z0.40 E5.00
echo:Home offset (mm):
echo: M206 X0.00 Y0.00 Z0.00
echo:PID settings:
echo: M301 P37.69 I2.90 D122.26
start
ecstart
ecstart
ecstart
ecstart
ecstart
ecstart
ecstart
ecstart
ecstart
ecstart
ecstart
ecstart
ecstart
ecstart
ecstart
ecstart
ecstart
ecstart
ecstart
ecstart
ecstart
ecstart
ecstart
ecstart
ecstart
ecstart
ecstart
ecstart
ecstart
ecstart
ecstart
ecstart
ecstart
ecstart
ecstart
ecstart
ecstart
ecstart
ecstart
ecstart
ecstart
ecstart
ecstart
ecstart
ecstart
ecstart
Экранчик светится принтер как попугай повторяет ecstart, дальше работать не хочет.
Подскажите, в какую сторону копать? Может экран бракованный попался?


