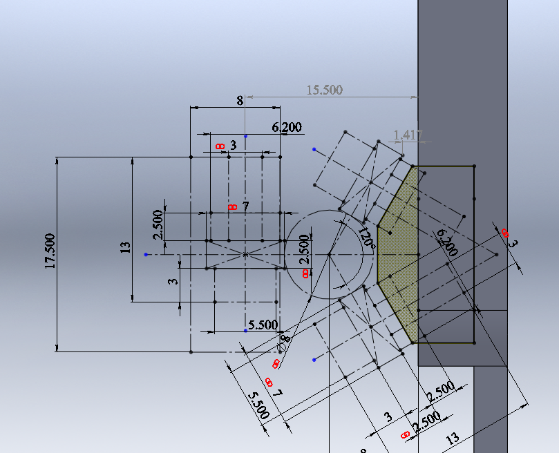
Как показали мои недавние эксперименты каретка на базе подшипников качения двигается глаже и легче чем на базе китайских линейных LM8UU.
чертежи кареток с thingiverse меня не устроили (по разным причинам), начал делать свою.
за базу взял каретку с mendel90 (нравится ее жесткость)
подшипники будут 3x7 мм (доступны здесь на форуме, в разделе купли продажи)
пока получается так:
---
добавлено 29.11.2012
Проект успешно реализован, модель выверена, выложена
подшипники брал тут: forum29/topic10216.html

