roboforum.ru

Технический форум по робототехнике.

3D принтер, варианты исполнения

Обсуждение технологии печати на 3D принтерах. Самостоятельное изготовление и приобретение. RepRap и его последователи.

Re: hudbrog - учимся печатать в 3д

Сообщение ReaN » 09 июл 2012, 17:39

как по мне, то проще уже фрезерный наконечник - покупаешь какой-нить Дремель, ставишь в цангу гравер и пускаешь однослойную деталь (чтобы вообще ничего не менять в программном плане - просто не запускаешь пластик в экструдер - работает в холостую) - вот те и гравировка будет, а лазер - хлопотно, разве что по схеме (гуляет в нете), когда лазерный диод из CD-привода достают - вроде жжет, но не уверен правда с какой скоростью он гравировать сможет (резать вряд ли).
Аватара пользователя
ReaN
 
Сообщения: 615
Зарегистрирован: 06 июн 2012, 09:42
Откуда: Киев
прог. языки: Алгол :)
ФИО: Александр

Re: hudbrog - учимся печатать в 3д

Сообщение setar » 09 июл 2012, 17:45

лазерный диод = 2Вт , у меня такие есть но в открытую не продаю - опасная штука для глаз
40Вт это готовая сборка, ее вручную не сделать и стоит она весьма не слабо
ну а вообще да- гравер штука прикольная, вот только для него точность я бы на порядок поднял
Аватара пользователя
setar
Site Admin
 
Сообщения: 10991
Зарегистрирован: 04 окт 2004, 12:58
Откуда: St.Petersburg
Skype: taranenko.sergey
ФИО: Сергей Тараненко

Re: hudbrog - учимся печатать в 3д

Сообщение mVit » 09 июл 2012, 17:46

Админу - предлагаю название темы: "Альтернативные конструкции 3D принтеров". переместить туда десяток предыдущих сообщений.
mVit
 
Сообщения: 211
Зарегистрирован: 10 окт 2005, 18:17
Откуда: Крайний Север->Самара->Спб
прог. языки: C

Re: hudbrog - учимся печатать в 3д

Сообщение ReaN » 09 июл 2012, 17:52

пожалей админа
Аватара пользователя
ReaN
 
Сообщения: 615
Зарегистрирован: 06 июн 2012, 09:42
Откуда: Киев
прог. языки: Алгол :)
ФИО: Александр

Re: hudbrog - учимся печатать в 3д

Сообщение legion » 09 июл 2012, 17:53

Я имел в виду CO2. Твердотельные - это круто, но дорого.
legion
 
Сообщения: 736
Зарегистрирован: 24 апр 2010, 14:47
Откуда: Уфа
прог. языки: avr asm

Re: hudbrog - учимся печатать в 3д

Сообщение setar » 09 июл 2012, 17:55

CO2= доп. насос+ доп. БП + доп. бак воды
Аватара пользователя
setar
Site Admin
 
Сообщения: 10991
Зарегистрирован: 04 окт 2004, 12:58
Откуда: St.Petersburg
Skype: taranenko.sergey
ФИО: Сергей Тараненко

Re: 3D принтер, варианты исполнения

Сообщение legion » 09 июл 2012, 18:23

Аквариумная помпа + ведро. БП - это да, но все же это сильно дешевле.
И да, гравер - для резки, как мне кажется. Гравировка тоже пригодится, но это приятное дополнение.
legion
 
Сообщения: 736
Зарегистрирован: 24 апр 2010, 14:47
Откуда: Уфа
прог. языки: avr asm

Re: 3D принтер, варианты исполнения

Сообщение mVit » 09 июл 2012, 18:33

а какая мощность лазера должна быть для резки фанеры или оргстекла?
mVit
 
Сообщения: 211
Зарегистрирован: 10 окт 2005, 18:17
Откуда: Крайний Север->Самара->Спб
прог. языки: C

Re: 3D принтер, варианты исполнения

Сообщение legion » 09 июл 2012, 18:46

Для CO2 - теоретически любая, от мощности будет зависеть скорость. Трубки в продаже от 15 Вт, но станки самые мелкие идут обычно от 40 Вт, от этого я бы и отталкивался.
legion
 
Сообщения: 736
Зарегистрирован: 24 апр 2010, 14:47
Откуда: Уфа
прог. языки: avr asm

Re: 3D принтер, варианты исполнения

Сообщение ReaN » 09 июл 2012, 19:47

гы... прикольно... ну тада проще уже взять какой-нить мультикам 1000, проапгрейдить, чтобы вместо цанги ставить голову принтера, или лазерную голову, поставить вакуум, который включается после печати первого слоя (отпадает надобность нагрева платформы :)
получим афигенный принтеро-фрезеро-лазер с большим полем и на все случаи жизни ;)
правда тысяч за 50-60уе
Аватара пользователя
ReaN
 
Сообщения: 615
Зарегистрирован: 06 июн 2012, 09:42
Откуда: Киев
прог. языки: Алгол :)
ФИО: Александр

Re: 3D принтер, варианты исполнения

Сообщение setar » 09 июл 2012, 20:31

компоновка принтера 3D плохо совпадает с компоновкой лазера CO2 - направляющие лучу мешают
Аватара пользователя
setar
Site Admin
 
Сообщения: 10991
Зарегистрирован: 04 окт 2004, 12:58
Откуда: St.Petersburg
Skype: taranenko.sergey
ФИО: Сергей Тараненко

Re: 3D принтер, варианты исполнения

Сообщение ReaN » 09 июл 2012, 20:45

Лет 10-11 назад, сотрудничал с челом из института оптики - там чел превращал планшетные плоттеры в лазерные станки. Лазерный луч генерировался за пределами плоттера, потом через несколько зеркал попадал на голову, проходил через линзу и собссно жег. Есть пара минусов правда - под каждую толщину материала (как и сам материал) менялась линза и производилась перекалибровка, плюс куча дырок на правом рукаве его лабораторного халата :)
Аватара пользователя
ReaN
 
Сообщения: 615
Зарегистрирован: 06 июн 2012, 09:42
Откуда: Киев
прог. языки: Алгол :)
ФИО: Александр

Re: 3D принтер, варианты исполнения

Сообщение legion » 09 июл 2012, 21:11

Луч же можно пустить по любой прямой, параллельной направляющей, т.е. выше/ниже, правее/левее, только зеркало туда вынести. Не должны мешать. А если стол двигается не по Z, а по X или Y, тогда еще и -1 летающее зеркало. Главное, чтобы заготовка с такого стола не слетела. =)
legion
 
Сообщения: 736
Зарегистрирован: 24 апр 2010, 14:47
Откуда: Уфа
прог. языки: avr asm

Re: 3D принтер, варианты исполнения

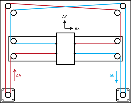
Сообщение legion » 16 июл 2012, 22:50

Интересный вариант привода, разгружающий подвижную ось - Cartesio
Ось Х приводится стандартно - ременные петли с двух сторон, двигатель крутит общий для петель вал. Ось Y приводится хитро:
Ybeltlayout.jpg

Создатель продает принтер за 1735 евро (1450 после вычета налогов), скорости по X и Y ограничены 18000 мм/мин.

Похожая схема расположения ремней в каком-то приборе, только там ось X тоже нестандартная, одним ремнем.
http://capolight.wordpress.com/2012/04/ ... -teardown/
y-axis-copy.jpg
xaxis.jpg


Ну и пробегавший в новостях CoreXY:
reference.png


Убрать вес двигателя из подвижной части выглядит заманчивой идеей, но получаем километры ремней. Оно того стоит?
legion
 
Сообщения: 736
Зарегистрирован: 24 апр 2010, 14:47
Откуда: Уфа
прог. языки: avr asm

Re: 3D принтер, варианты исполнения

Сообщение Aseris » 17 июл 2012, 14:45

Точность позиционирования упадет на порядки...
Аватара пользователя
Aseris
 
Сообщения: 1142
Зарегистрирован: 01 сен 2009, 14:58
Откуда: Чехия
прог. языки: C/С++, VHDL, Verilog, ASM, Python

Пред.След.

Вернуться в 3D печать

Кто сейчас на конференции

Сейчас этот форум просматривают: нет зарегистрированных пользователей и гости: 0

cron