roboforum.ru

Технический форум по робототехнике.


taimag - на пути к просвещению.

Блоги посетителей.
Правила форума
В данном разделе каждый может иметь не более одной темы. Тема должна начинаться с логина (ника) робофорума.

Re: taimag - на пути к просвещению.

Сообщение taimag » 08 ноя 2010, 22:59

Пожалуйста свяжись со мной в онлайн или дай свои "координаты" для более быстрой консультации по этому вопросу. С программаторами уже около полугода парюсь. Вот руки чешуться уже испытать все то что на АВРСТУДИИ написал.
Не бойтесь делать то ,чего не умеете. Ноев ковчег был построен аматором (профессионалы построили Титаник).
Аватара пользователя
taimag
 
Сообщения: 121
Зарегистрирован: 27 фев 2010, 00:24
Откуда: Львов
Skype: sky_laboratory
прог. языки: Си,Си++, Assembler(учу)

Re: taimag - на пути к просвещению.

Сообщение Michael_K » 08 ноя 2010, 23:02

Если бы я хотел, чтобы ко мне ломились онлайн, я бы вписал свои координаты в профиль. Пишите здесь - я отвечу когда и если мне будет удобно, а не тогда, когда это будет удобно вам.
Аватара пользователя
Michael_K
 
Сообщения: 6028
Зарегистрирован: 07 окт 2009, 00:29
Откуда: СПб

Re: taimag - на пути к просвещению.

Сообщение taimag » 08 ноя 2010, 23:08

Ну, я не ломлюсь, просто попросился. Ну так, а где увидить что функционал одинаковый? И если у меня прогармматор не видил микроконтроллер, но определяет все остальное и пытаеться даже программировать (мигал диодами) по идее вся проблема в буфере? Да и не просто так же ноги переназвали...
Не бойтесь делать то ,чего не умеете. Ноев ковчег был построен аматором (профессионалы построили Титаник).
Аватара пользователя
taimag
 
Сообщения: 121
Зарегистрирован: 27 фев 2010, 00:24
Откуда: Львов
Skype: sky_laboratory
прог. языки: Си,Си++, Assembler(учу)

Re: taimag - на пути к просвещению.

Сообщение Michael_K » 08 ноя 2010, 23:13

Просто так переназвали (производители разные - как хотят так и называют). Функционально и поножечно микросхемы одинаковые.
Аватара пользователя
Michael_K
 
Сообщения: 6028
Зарегистрирован: 07 окт 2009, 00:29
Откуда: СПб

Re: taimag - на пути к просвещению.

Сообщение taimag » 09 ноя 2010, 00:51

Кстати, вот вы (все) говорите что настроены не агрессивно, что это Я виноват. Но неужели нельзя согласовать когда будет удобно обеим сразу? И не только мне или тебе, а одновременно обеим.

Я вот не понимаю, раз выводы как-то называются, зачем менять их расположение, может быть схема работает так же само, но получается, что нужно делать переразводку с согласованием названий контактов?

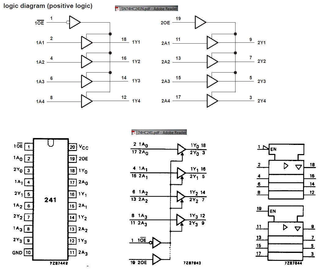
Вот схема ихняя, я же на нее должен был посмотреть что бы узнать что и как работает?
Безымянный.jpg


Как я понял внутренняя схема у них идентична что ли? Или немного отличается?

Тут получаеться что верхняя sn74hc241n представляет из себя 2 схемы? выполнены в 1 корпусе? А вот нижняя 74hc241 это одна логическая схема, так как входы 1OE и 2OE идут вместе, а там разбито на 2 схемы?
Не бойтесь делать то ,чего не умеете. Ноев ковчег был построен аматором (профессионалы построили Титаник).
Аватара пользователя
taimag
 
Сообщения: 121
Зарегистрирован: 27 фев 2010, 00:24
Откуда: Львов
Skype: sky_laboratory
прог. языки: Си,Си++, Assembler(учу)

Re: taimag - на пути к просвещению.

Сообщение boez » 09 ноя 2010, 16:24

Не, это у них просто так нарисовано по странному. 241-й буфер есть 241-й буфер. Сигнал на ножке 1 управляет прохождением сигналов с ножки 2 на 18, 4 на 16, 6 на 14 и 8 на 12. Нога 19 управляет прохождением с 11 на 9, с 13 на 7, с 15 на 5 и с 17 на 3. Сделано чтобы можно было например объединить вместе 1 и 19 как общее управление, 2 и 3 вместе, 17 и 18 вместе, остальные подобным образом. И получить двунаправленный буфер. Все логично.
boez
 
Сообщения: 1981
Зарегистрирован: 27 авг 2008, 10:45
Откуда: Харьков
прог. языки: С/С++

Re: taimag - на пути к просвещению.

Сообщение Michael_K » 09 ноя 2010, 17:48

Блин, taimag, вы вот сейчас похожи на человека, который ремонтирует машину пинками по колесам.
"не работиает ни хрена" - это не диагностика. С чего вы вообще решили, что ваш программатор не работает из-за буфера? Вы осциллом увидели, что до буфера сигнал есть, а после - нету? или как?
Аватара пользователя
Michael_K
 
Сообщения: 6028
Зарегистрирован: 07 окт 2009, 00:29
Откуда: СПб

Re: taimag - на пути к просвещению.

Сообщение taimag » 09 ноя 2010, 21:41

Спаял лабуду по схеме, запаял туда все детали, только вот буфер взял такой, но меня уже успокоили что это буфер нормальный, взял втыкнул, оно все определилось, дрова с первого раза вставились, все как по маслу, все видно, все по мануалу, и тут я начинаю шить. В общем вот смотрите, здесь автор сказал писать в коментах что не так, я там все детально со скринами описал.
http://reddylab.livejournal.com/900.html Собираюсь ещё сделать нормальные макрофотки, что бы было видно что виновата не пайка, а ктулху вообще - то есть нихрена не ясно что не так. Осцилографа у меня нету, мультиметр накрылся - был DT 838 и не стало его, врубаю только пишит теперь, хз что им меряли пока меня не было. В общем сижу и психую, так как с программаторами уже около полугода е*усь и реально здают нервы. Знаю что руки кривые, но не на столько же что бы по готовой схеме, по заводской вытравке платы, просто впаять все детали что нужно и оно не заработало. Вот так вот. На счет машины не знаю, а вот мотоцикл отремонтировать можно (без всяких инструкций, а с ними и машину). И не пинанием по колесу. :durak: И вот так если нихрена не выйдет прийдеться тот гребаный программатор купить у автора. А самый ржачь будет когда и он у меня не заработает. пойду нахрен все выкину, забью болт и буду вообще семки грызть и пивом запивать. Чем вот так вот е*аться с этой фигней!

Вот не работает нихрена - это самая что ни на есть лучшая диагностика. Ведь если детали исправны, паял я вообще старался все разместить так как на заводе плату делают, красиво с зазорам и т.д. И если не работает нихрена - значит вся эта пайка коту под хвост, который козел мне сегодня хлорное железо перевернул, и пока что не был наказан. И вообще у меня сессия идет. Без того нервы сдают!

Кстати, отдельное спасибо boez за то что смог аргументировано объяснить.
Не бойтесь делать то ,чего не умеете. Ноев ковчег был построен аматором (профессионалы построили Титаник).
Аватара пользователя
taimag
 
Сообщения: 121
Зарегистрирован: 27 фев 2010, 00:24
Откуда: Львов
Skype: sky_laboratory
прог. языки: Си,Си++, Assembler(учу)

Re: taimag - на пути к просвещению.

Сообщение boez » 09 ноя 2010, 21:48

Блин, щас токо посмотрел на схему. Да возьми ты, выпаяй оттуда этот 241 если сомневаешься в нем - и подпаяй шлейфик который к авр идет напрямик к площадкам 2,4,6,12, GND и VCC. Не будет работать отключение от схемы после программирования, а все остальное будет.
Ты кстати reset своей аврки подключил как тебе посоветовали? На нем нету каких-нить злых деталек типа супервизора или большого конденсатора?
boez
 
Сообщения: 1981
Зарегистрирован: 27 авг 2008, 10:45
Откуда: Харьков
прог. языки: С/С++

Re: taimag - на пути к просвещению.

Сообщение taimag » 09 ноя 2010, 21:54

boez Я так понимаю что Вы в этом деле знаете толк. И вот теперь Я "кто попало ломлюсь к Вам когда попало" то есть прошу аудиенции.
Не бойтесь делать то ,чего не умеете. Ноев ковчег был построен аматором (профессионалы построили Титаник).
Аватара пользователя
taimag
 
Сообщения: 121
Зарегистрирован: 27 фев 2010, 00:24
Откуда: Львов
Skype: sky_laboratory
прог. языки: Си,Си++, Assembler(учу)

Re: taimag - на пути к просвещению.

Сообщение ALHIMIK » 09 ноя 2010, 21:56

сессия в середине семестра ?
Аватара пользователя
ALHIMIK
 
Сообщения: 997
Зарегистрирован: 05 окт 2008, 14:41
Откуда: СПб
прог. языки: C,Python

Re: taimag - на пути к просвещению.

Сообщение taimag » 09 ноя 2010, 22:00

В том то и прикол. Идет модули, на каждом модуле можно набрать по 50 балов, есть 2 модуля, а потом сесия - как это у всех, а у нас вот такие промежуточные есть сессии, то есть берешь на двух модулях 100 балов (ну в идеале) и на экзамен не идешь, а едешь домой, так как неделя потом освобождается. Как говориться система Нипель - работает по принципу: "туда дунь - назад х*й".
Не бойтесь делать то ,чего не умеете. Ноев ковчег был построен аматором (профессионалы построили Титаник).
Аватара пользователя
taimag
 
Сообщения: 121
Зарегистрирован: 27 фев 2010, 00:24
Откуда: Львов
Skype: sky_laboratory
прог. языки: Си,Си++, Assembler(учу)

Re: taimag - на пути к просвещению.

Сообщение boez » 09 ноя 2010, 22:13

Ко мне можно на ты :)

У тебя это все дома, под руками? Скайп доступен щас? Могу немного и пообщаться. Я токо шо поужинал и добрый :)
boez
 
Сообщения: 1981
Зарегистрирован: 27 авг 2008, 10:45
Откуда: Харьков
прог. языки: С/С++

Re: taimag - на пути к просвещению.

Сообщение taimag » 09 ноя 2010, 22:33

boez писал(а):Ко мне можно на ты :)

У тебя это все дома, под руками? Скайп доступен щас? Могу немного и пообщаться. Я токо шо поужинал и добрый :)


)) Тогда давай на ты. Да у меня все под руками, только вот нужно удет наново все впаивать в программатор, так как старая версия "поломалась" совершенно случайон )) есть скайп: уже известен адресату. Буду ждать, все запущено.
Не бойтесь делать то ,чего не умеете. Ноев ковчег был построен аматором (профессионалы построили Титаник).
Аватара пользователя
taimag
 
Сообщения: 121
Зарегистрирован: 27 фев 2010, 00:24
Откуда: Львов
Skype: sky_laboratory
прог. языки: Си,Си++, Assembler(учу)

Re: taimag - на пути к просвещению.

Сообщение taimag » 10 ноя 2010, 04:05

Подскажите пожалуйста. Вот если есть задумка что бы в темноте автоматически включалась подсветка, но давал разрешение на включение контроллер, то какой элемент нужно брать что бы определять освещенность местности? Просто делаю заказ в интернет магазине, купить все и сразу, помимо такой фигни хочу купить Мультиметр DT 838.
Не бойтесь делать то ,чего не умеете. Ноев ковчег был построен аматором (профессионалы построили Титаник).
Аватара пользователя
taimag
 
Сообщения: 121
Зарегистрирован: 27 фев 2010, 00:24
Откуда: Львов
Skype: sky_laboratory
прог. языки: Си,Си++, Assembler(учу)

Пред.След.

Вернуться в Блоги

Кто сейчас на конференции

Сейчас этот форум просматривают: нет зарегистрированных пользователей и гости: 0

cron