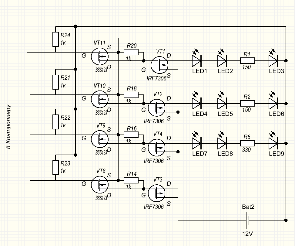
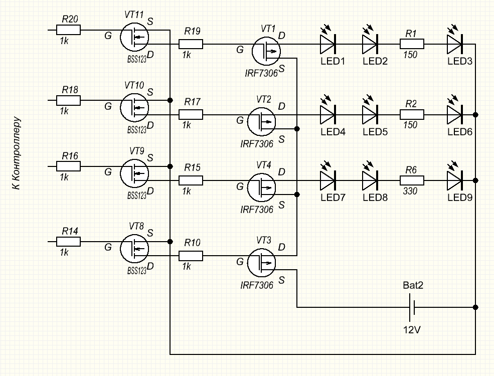
N-канальные маломощные транзисторы тянут затворы силовых вниз.
Силовые P-канальные включают светодиоды.
Для красоты затворы маломощных можно притянуть вниз (чтобы при оторванных ногах или при включении "артефакты" не лезли)... Маломощные N-канальные транзисторы можно заменить на
любой NPN (не забудьте резистор в базу). эмиттером за землю, коллектором к затвору силового транзюка.
А вообще, почитайте что ли про транзисторы - там же просто все. И вопросов таких возникать не будет больше никогда...
Добавлено спустя 36 секунд:Опередили
