![]()  | 
			
					roboforum.ruТехнический форум по робототехнике.  | 
			
				
					 | 
		
 
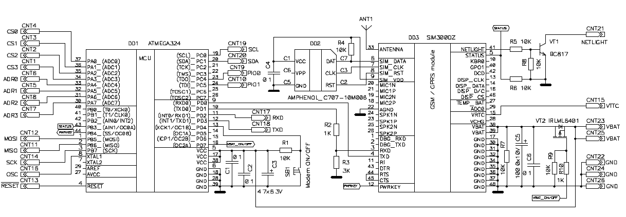
 но иногда требуется сам модем чтобы железка связывалась например с интернетом - это во первых. Во вторых, у этого модема интерфейс UART что очень удобно для своих разработок.
 
EdGull писал(а): не так уж часто она слетает
Это точно?там вроде бутлоадер есть.

, продвинутые решат эту проблемуavr123.nm.ru писал(а):Каков размер модуля ? по симке видно что маленький.
Сейчас этот форум просматривают: нет зарегистрированных пользователей и гости: 0