roboforum.ru

Технический форум по робототехнике.


ALS. Разная мелкая электроника.

Блоги посетителей.
Правила форума
В данном разделе каждый может иметь не более одной темы. Тема должна начинаться с логина (ника) робофорума.

Re: ALS. Разная мелкая электроника.

Сообщение ALS » 25 сен 2017, 00:36

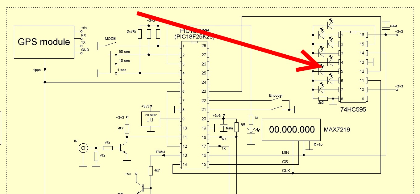
Поскольку на борту есть GPS-приемник, в режиме, когда коробочка просто стоит на столе и ничего не делает, на дисплей выводится время, получаемое от GPS.

Аватара пользователя
ALS
 
Сообщения: 803
Зарегистрирован: 24 окт 2011, 23:32
Откуда: Севастополь
прог. языки: асм

Re: ALS. Разная мелкая электроника.

Сообщение ALS » 25 сен 2017, 20:35

А кто-то имеет регистрацию на Радиокоте ?
Там открыто голосование - http://radiokot.ru/konkursCatDay2017/
Аватара пользователя
ALS
 
Сообщения: 803
Зарегистрирован: 24 окт 2011, 23:32
Откуда: Севастополь
прог. языки: асм

Re: ALS. Разная мелкая электроника.

Сообщение Myp » 25 сен 2017, 23:21

название статьи напиши, куда лапы ставить

хаб прикольный, но статья слабая
фото готового девайса вообще только в конце, туда не каждый долистает
и там же в конце статьи про функционал, я два раза бегло пролистал но всё равно не до конца понял что этот хаб делает
вроде есть часики и регулятор напряжения и ещё чего-то.
первые пол статьи про пиление корпуса, это тоже круто, но сайт радиотехнической направленности, там бы вначале про электронику, а потом про корпус.
<telepathmode>На вопросы отвечает Бригадир Телепатов!</telepathmode>
Всё уже придумано до нас!
Аватара пользователя
Myp
скрытый хозяин вселенной :)
 
Сообщения: 18018
Зарегистрирован: 18 сен 2006, 12:26
Откуда: Тверь по прозвищу Дверь
прог. языки: псевдокод =) сила в алгоритме!
ФИО: глубокоуважаемый Фёдор Анатольевич

Re: ALS. Разная мелкая электроника.

Сообщение ALS » 03 окт 2017, 20:23

Электроника на момент написания статьи не была закончена, о чем там написано прям сразу.
Поэтому и рассказывать про нее было нечего.
В будущем времени ("там будет то-то и то-то, и еще вот это, но потом...") тоже не хотелось. Поэтому подробно расписывал именно то, что уже было сделано - корпус.
А то, что это оказалось не очень интересным Радиокотам - ну, такая уж радиолюбительская доля : у настоящих любителей принято все на платках и на картонках, в лучшем случае - в пластмассовых Gainta.

Сейчас, когда горячка спала, доделал все те хотелки, которые планировал сделать, как "часостроитель" :)
Частотомер, измерение периода, скважности, длительности положительного и отрицательного импульса, вывод на дисплей времени c GPS-приемника. Отдельно есть измеритель LC (надобность в нем небольшая, поэтому он внешний, вставляется в DB-9).
В планах - программа для ПК, можно будет забирать все результаты измерений кучей и выводить их одновременно, либо, наоборот, выводить какую-то информацию с ПК на 8-символьном дисплее (правда, кроме загрузки ЦП и памяти больше пока ничего не придумал).
Аватара пользователя
ALS
 
Сообщения: 803
Зарегистрирован: 24 окт 2011, 23:32
Откуда: Севастополь
прог. языки: асм

Re: ALS. Разная мелкая электроника.

Сообщение dimamichev » 03 окт 2017, 21:11

mein kampf - да!!!!! статья!!!! схема!!!! Дима, Дима!, а как же светодиоды? :D
Вложения
22.jpg
Аватара пользователя
dimamichev
 
Сообщения: 1386
Зарегистрирован: 03 янв 2013, 16:27

Re: ALS. Разная мелкая электроника.

Сообщение ALS » 03 окт 2017, 22:38

Та ладно, не тупите же ж так явно :)
HC595 выдает 3,3 вольта. 3 из них падает на включенном (белом) светодиоде, т.о. обратное, которое прикладывается к остальным семи, будет 0,3-0=0,3 вольта (все-таки 0,3, а не 3, да :)
А в большинстве даташитов максимальное обратное для белых светиков - 5 вольт.
Ну и ?...
Аватара пользователя
ALS
 
Сообщения: 803
Зарегистрирован: 24 окт 2011, 23:32
Откуда: Севастополь
прог. языки: асм

Re: ALS. Разная мелкая электроника.

Сообщение Dmitry__ » 04 окт 2017, 02:51

dimamichev писал(а):mein kampf - да!!!!! статья!!!! схема!!!! Дима, Дима!

Круто бомбит ламерюгу :lol:
Аватара пользователя
Dmitry__
 
Сообщения: 8033
Зарегистрирован: 13 янв 2011, 15:25
Откуда: Санкт-Петербург

Re: ALS. Разная мелкая электроника.

Сообщение dimamichev » 05 окт 2017, 15:13

ALS писал(а):Та ладно, не тупите же ж так явно :)
HC595 выдает 3,3 вольта. 3 из них падает на включенном (белом) светодиоде, т.о. обратное, которое прикладывается к остальным семи, будет 0,3-0=0,3 вольта (все-таки 0,3, а не 3, да :)
А в большинстве даташитов максимальное обратное для белых светиков - 5 вольт.
Ну и ?...

Я совсем не об этом...объяснять бесполезно, пересмотрите все "разгромные схемы" в Димкиных сообщениях.
Аватара пользователя
dimamichev
 
Сообщения: 1386
Зарегистрирован: 03 янв 2013, 16:27

Re: ALS. Разная мелкая электроника.

Сообщение Dmitry__ » 05 окт 2017, 16:34

dimamichev писал(а):Я совсем не об этом...объяснять бесполезно, пересмотрите все "разгромные схемы" в Димкиных сообщениях.

Да, да, брехливый, начинай изворачиваться.
Ссылку не забудь, про что ты "Я совсем не об этом" :D
Аватара пользователя
Dmitry__
 
Сообщения: 8033
Зарегистрирован: 13 янв 2011, 15:25
Откуда: Санкт-Петербург

Re: ALS. Разная мелкая электроника.

Сообщение dimamichev » 05 окт 2017, 18:22

А ты без ссылки не видишь один токаограничительный резистор? Или так и надо?..
Ну и по традиции: что скажешь? - брехливый!
Аватара пользователя
dimamichev
 
Сообщения: 1386
Зарегистрирован: 03 янв 2013, 16:27

Re: ALS. Разная мелкая электроника.

Сообщение Dmitry__ » 05 окт 2017, 18:40

dimamichev писал(а):А ты без ссылки не видишь один токаограничительный резистор? Или так и надо?..

Ты наверно про параллельное соединение? :ROFL:

dimamichev писал(а):Ну и по традиции: что скажешь? - брехливый!

Так у него режим бегущая точка, ламер. Горит всегда один светодиод, отображая режим. :lol:
А еще, 74hc595 имеет внутр. сопротивление на каждый выход. А еще, если бы он делал зажигание нескольких светодиодов сразу, то яркость будет зависеть от колич вкл. светодиодов. Но т.к. ALS, в отличии от тебя, грамотный инженер, то он о таких режимах и не думал.
Ну и по традиции: опять опкакался, ламерюга? :)
Аватара пользователя
Dmitry__
 
Сообщения: 8033
Зарегистрирован: 13 янв 2011, 15:25
Откуда: Санкт-Петербург

Re: ALS. Разная мелкая электроника.

Сообщение dimamichev » 05 окт 2017, 19:47

Вот ты и опкакался. Что с того что внутреннее сопротивление или бегущая строка? Чем он регулирует разность свечения светодиодов из-за разброса параметров? Давай дальше, талантливый инженер против ламера.
Аватара пользователя
dimamichev
 
Сообщения: 1386
Зарегистрирован: 03 янв 2013, 16:27

Re: ALS. Разная мелкая электроника.

Сообщение Dmitry__ » 05 окт 2017, 19:52

dimamichev писал(а):Чем он регулирует разность свечения светодиодов из-за разброса параметров?


О Боже :o
Всегда горит только один светодиод, ферштейн? Бумажку туалетную возьми, подотрись :wink:
Аватара пользователя
Dmitry__
 
Сообщения: 8033
Зарегистрирован: 13 янв 2011, 15:25
Откуда: Санкт-Петербург

Re: ALS. Разная мелкая электроника.

Сообщение dimamichev » 05 окт 2017, 19:55

А такое рисование схем, это инженер? :D Когди и УГО и просто микросхема. Короче тоска...

Добавлено спустя 1 минуту 4 секунды:
Я тебя понял ШИМом он регулирует, ШИМом.

Добавлено спустя 1 минуту 12 секунд:
Про то что по очереди горят - то не факт?
Аватара пользователя
dimamichev
 
Сообщения: 1386
Зарегистрирован: 03 янв 2013, 16:27

Re: ALS. Разная мелкая электроника.

Сообщение Dmitry__ » 05 окт 2017, 19:58

dimamichev писал(а):Про то что по очереди горят - то не факт?

Вот, вот, ламер, разобрался бы сначала, чем так позорится :)

различные режимы которого (частота, период, скважность, длительность одиночного импульса и проч.) выбираются энкодером, сами режимы отображаются мелкими белыми светодиодами (серебристая панель слева от вольтметра).

Панимаш? Сразу нельзя и частота и длительность. Ты смешон уже не только мне :)
Сам найдешь на фотке серебристу панель? :)
Изображение
Аватара пользователя
Dmitry__
 
Сообщения: 8033
Зарегистрирован: 13 янв 2011, 15:25
Откуда: Санкт-Петербург

Пред.След.

Вернуться в Блоги

Кто сейчас на конференции

Сейчас этот форум просматривают: нет зарегистрированных пользователей и гости: 1

cron