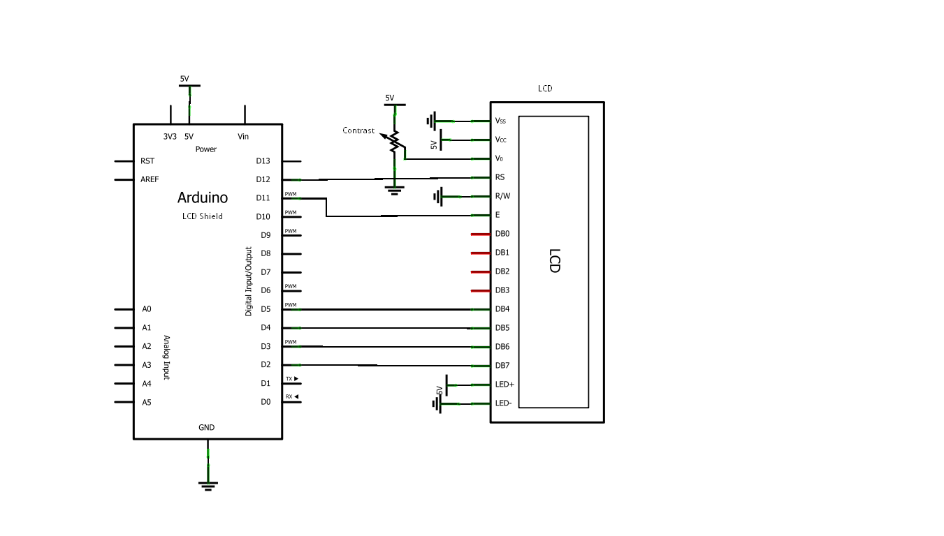
сначала рисуем что надо на макетке
потом смотрим схему и на форум выкладываем для обсуждения и вобще для контроля правильности
потом делаем шилд
![]() |
roboforum.ruТехнический форум по робототехнике. |
|
|
| Реклама | ||||
|
|
|
|||
Сергей писал(а):херня какая-то
| Реклама | ||||
|
|
|
|||
об этой программе уже давно писали здесь
Michael_K писал(а):Сергей писал(а):херня какая-то
Согласен.

Вернуться в Arduino и другие Xduino
Сейчас этот форум просматривают: нет зарегистрированных пользователей и гости: 0