roboforum.ru

Технический форум по робототехнике.

...duino + robobus + sd-card

Как собрать и запрограммировать робота на Arduino(Freeduino, Roboduino, Seeduino ...). Используем Wiring и Processing.

Re: ...duino + robobus + sd-card

Сообщение =DeaD= » 09 июн 2010, 22:19

И лучше сразу в EAGLE - это как ни как стандарт де-факто, что для ардуино, что для OR.
Заодно вашу схему сможем проверить. А по печатке я точно не возьмусь смотреть - это куча лишнего времени потраченного впустую.
Проект [[Open Robotics]] - Универсальные модули для построения роботов
Аватара пользователя
=DeaD=
 
Сообщения: 24218
Зарегистрирован: 06 окт 2004, 18:01
Откуда: Ебург
прог. языки: C++ / PHP / 1C
ФИО: Антон Ботов

Re: ...duino + robobus + sd-card

Сообщение Paiko » 09 июн 2010, 22:24

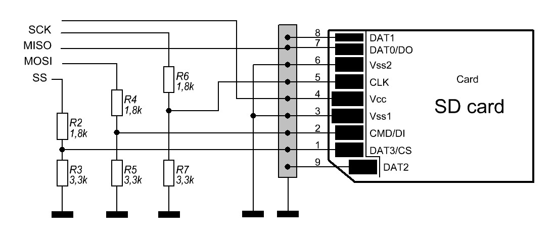
Вот схема обвязки сд карты.

Добавлено спустя 1 минуту 18 секунд:
В игле разобраться толком не могу...
Буду пробовать...
Вложения
212.JPG
Paiko
 
Сообщения: 14
Зарегистрирован: 27 ноя 2009, 12:40
Откуда: Мурманск
прог. языки: C\C++
ФИО: Камбулин Иван

Re: ...duino + robobus + sd-card

Сообщение blindman » 10 июн 2010, 04:10

Если ориентироваться на работу с модулями Open Robotics - делители не нужны. Питание модулей- трехвольтовое
Проект [[Open Robotics]] - универсальные модули для построения роботов
Модули Open Robotics можно приобрести в магазине shop.roboforum.ru

Day OFF? You must be pulling my leg! Stop making humor before someone sees you, fool!

Аватара пользователя
blindman
 
Сообщения: 4130
Зарегистрирован: 29 апр 2008, 21:15
Откуда: Хабаровск
прог. языки: C,C++,Assembler,PHP,Javascript,Ruby, SPIN,Java(?)
ФИО: Андрей Юрьевич

Re: ...duino + robobus + sd-card

Сообщение =DeaD= » 10 июн 2010, 06:58

Так он через дуню хочет... там наверное 5В
Проект [[Open Robotics]] - Универсальные модули для построения роботов
Аватара пользователя
=DeaD=
 
Сообщения: 24218
Зарегистрирован: 06 окт 2004, 18:01
Откуда: Ебург
прог. языки: C++ / PHP / 1C
ФИО: Антон Ботов

Re: ...duino + robobus + sd-card

Сообщение Paiko » 10 июн 2010, 07:50

На дуне 3х вольтового стабилизатора нет, так что буду ставить его на плате с кортой...
Хотя пин 3.3в на дуине есть.. но эт помоему для запитывания контроллера от внешнего источника.
Paiko
 
Сообщения: 14
Зарегистрирован: 27 ноя 2009, 12:40
Откуда: Мурманск
прог. языки: C\C++
ФИО: Камбулин Иван

Re: ...duino + robobus + sd-card

Сообщение d3xr » 30 июн 2010, 20:54

Не может она 3.3 питаться. Либо 6..20 через внутренний стабилизатор, либо от чистых 5В напрямую.
Аватара пользователя
d3xr
 
Сообщения: 201
Зарегистрирован: 01 июн 2010, 08:04
Откуда: Казань

Пред.

Вернуться в Arduino и другие Xduino

Кто сейчас на конференции

Сейчас этот форум просматривают: нет зарегистрированных пользователей и гости: 0

cron