Упссс. ?
Решение не теоретическое, вполне реализуемое. Просто большая решетка будет сотоять из отдельных решеток. Больше выводов - да, но это конструктивно вполне решаемо. Очень жаль что вы даже не подумади о реализации такого решения, а там есть возможность оптимизации количества применяемых 7219.
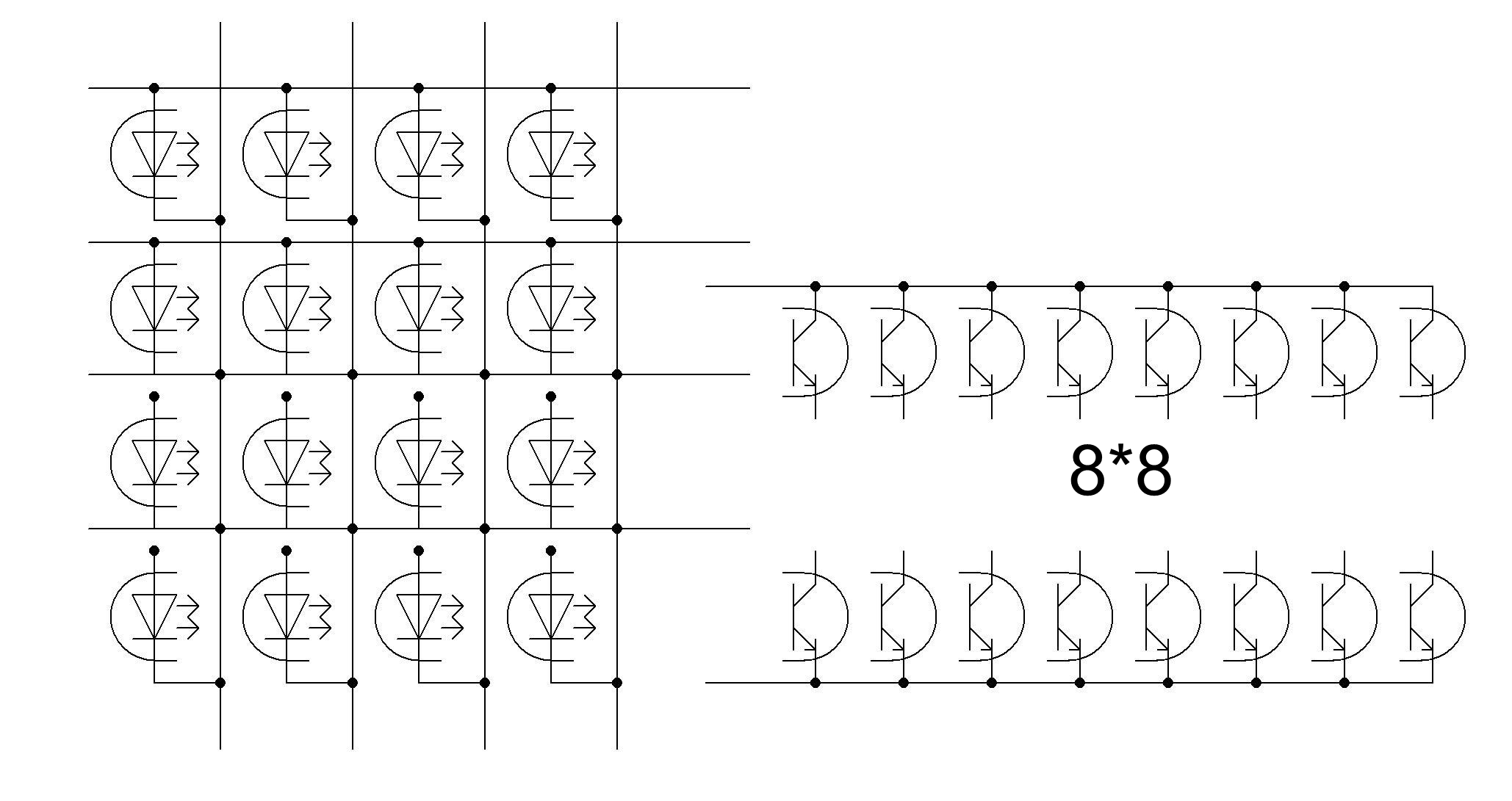
Ну чтож хотите 16*16, тогда продолжим. Хочу только заметить, что при решетке 9*9*9 max 7219 нужно будет сделать на наборных элементах и это будет весьма габаритно и затратно.
Если мы будем обсуждать куб 9*9*9, то прошу Вас сказать мне:
- какой тип светодиода вы предполагаете применить
- какова должна быть длительность импульса и его частота, при скважности 9,
- какой ток, долже быть обеспечен для светодиода при указанных параметрах частоты и длительности
Яркость свечения светодиода должно быть приемлимым для Вас и не мерцать.
			
		




