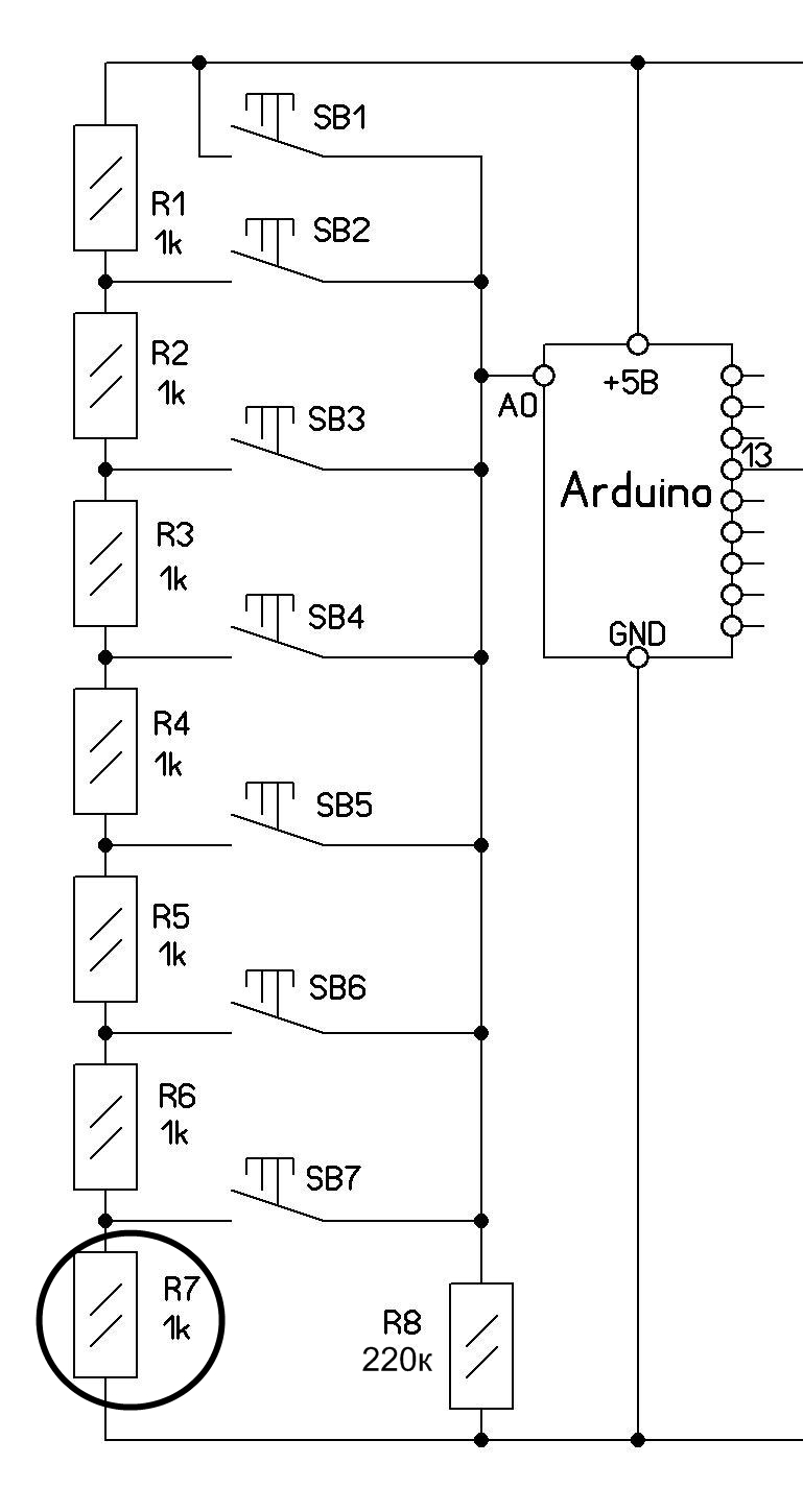
dimamichev писал(а):Допуск номиналов резисторов будет влиять, но не на 10 кнопок (а можа и не на 25).
Не понял про что ты, но я говорил про цап, который может отличить любое колич. нажатых кнопок. Это стандартный r-2r цап, у него на выходе колич. комбинаций 2^колич_кнопок. И он различает нажатие всех кнопок. В твоем случае это 7-ми битный цап. Работу можно понять простой математикой, например нажали 1-ю, 3-ю и 5-ю кнопку, на выходе цап будет напряжение = 2^1 + 2^3 + 2^5 = 42. И это число будет соответствовать только этой комбинации нажатых кнопок.
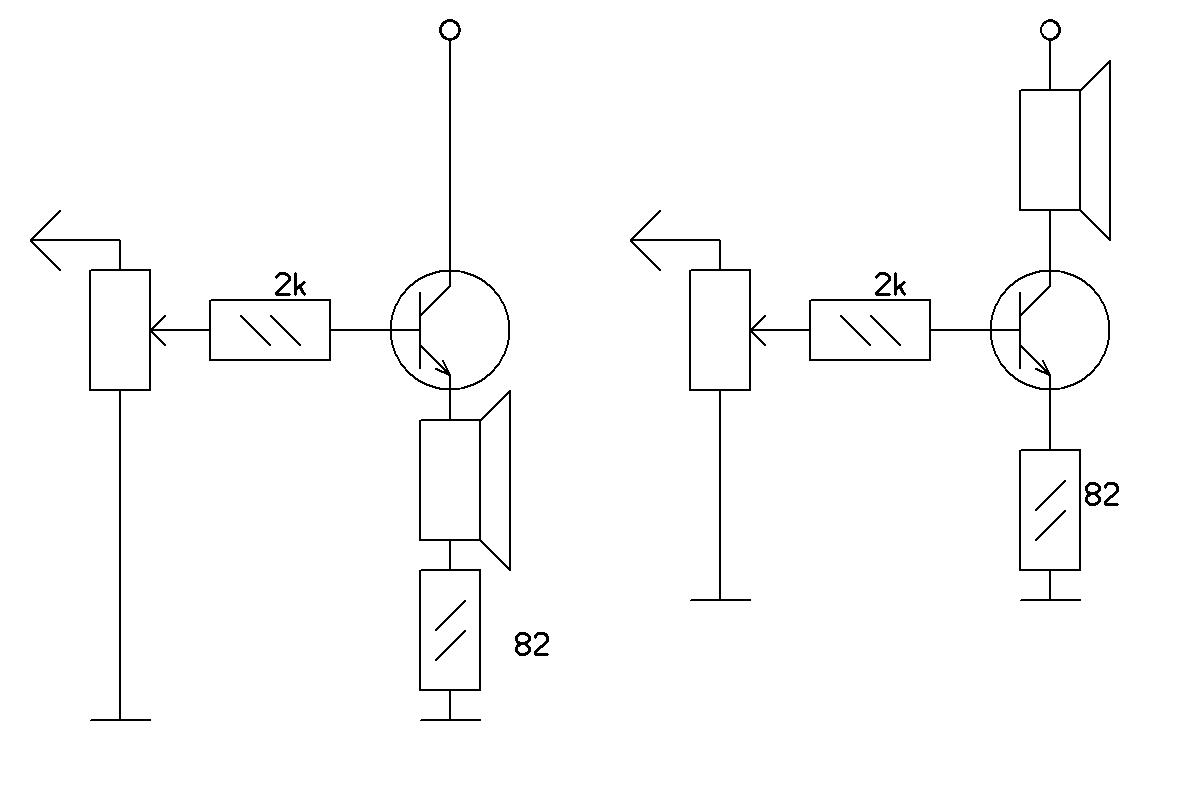
Про усилок, что уточнять? Резистор динамика в эмиттер, на входе транзистора переменный резистор. Но ты уже поменял схему, выкинув регулировку громкости.
dimamichev писал(а):Идея отслеживания двух и более нажатых кнопок с дальнейшим запретом такая:на резисторе R7
Не будет работать, даже не вдаваясь в схему, При нажатии sw1 полное питание идет на вход дуины, и никакие другие кнопки его не смогут уменьшить. Хватит генерить бредовые схемы, ответь на простой вопрос: Нафига ты пытаешься сэкономить пины?
