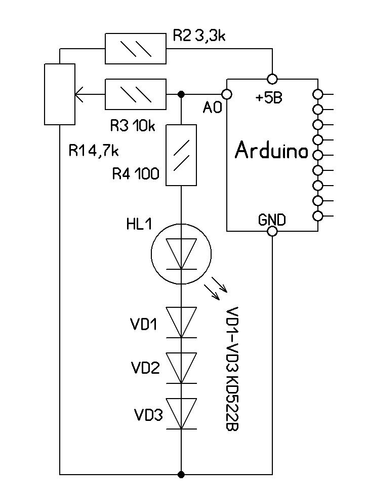
Dmitry__ писал(а):Он нужен чтоб не коротить выход дуины на землю или питание при крайних значениях потенциометра.
Так там на А0 макс значение будет доли вольта, разрядности АЦП не хватит, чтобы на это как-то красиво реагировать.

Dmitry__ писал(а):Он нужен чтоб не коротить выход дуины на землю или питание при крайних значениях потенциометра.

Madf писал(а):Так там на А0 макс значение будет доли вольта, разрядности АЦП не хватит, чтобы на это как-то красиво реагировать.
dimamichev писал(а):А почему схема странная?
Dmitry__ писал(а):Я же обьяснял, диод - это стабилитрон, он не даст напряжению быть выше напряжения падения на диоде. Поэтому диапазон входных напряжений от потенциометра будет не от 0 до 5v, а от нуля до напряжения падения на диоде. Низкоомный резистор r3 не считается, т.к. он значительно меньше сопротивления r2.

dimamichev писал(а):Ты поднимаешь напряжение до момента зажигания...- а его нет этого зажигания
dimamichev писал(а):Да, Дмитрий не ожидал - подключил светодиод к 6 Вольтам через 440кОм - горит падла!(значит стабилизирует).
dimamichev писал(а):Ничего в мигании не изменилось!

dimamichev писал(а):Теперь сам начинаю сомневаться, а почему работает без изменений?
//////////////////////////////////////////////////////////////////////////////////////////////////////////////////////////////
//
// Arduino UNO
//
////////////////////////
//
//программа ПРОБКА 1 //
unsigned int n=0;
unsigned int x=0;
void setup()
{
}
void loop()
{
pinMode(A0, INPUT);x=analogRead(A0); n=map(x, 0, 700, 100, 2000);
pinMode(14, OUTPUT);digitalWrite(14,HIGH);delay(n);
digitalWrite(14,LOW);delay(n);
}
//
// Конец /
//
/////////////////////////////////////////////////////////////////////////////////////////////////////////////////////////////////

Вернуться в Arduino и другие Xduino
Сейчас этот форум просматривают: нет зарегистрированных пользователей и гости: 0