
for (i=0;i<=5;i=i+1)
{
xi=analogRead(Ai);
yi=map(xi, 0, 1023, 0, 9);
}
int a = 1;
int b = 2;
int x = a+++b;x = a == 3 ? 1 : 0(a+x > 6) ? Serial.print("oops") : b = 8;(x&(x-1)==0) ? Serial.print("yes") : Serial.print("no");//////////////////////////////////////////////////////////////////////////////////////////////////////////////////////////////
//
// Arduino UNO
//
////////////////////////
//
//Свечение трёх трубочек с регулятором амплитуды перелива света и частоты//
unsigned int n1=0;
unsigned int n2=0;
unsigned int n3=0;
int k1=1;
int k2=1;
int k3=1;
int i=0;
long y1=0;
long y2=0;
unsigned int x=0;
unsigned int j=0;
unsigned int z=0;
unsigned int r=0;
void setup()
{
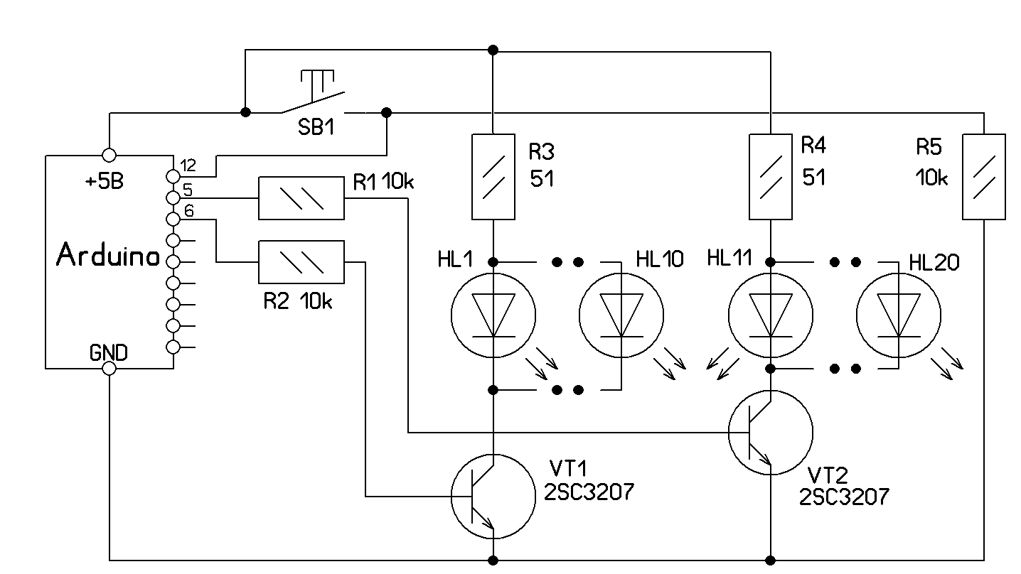
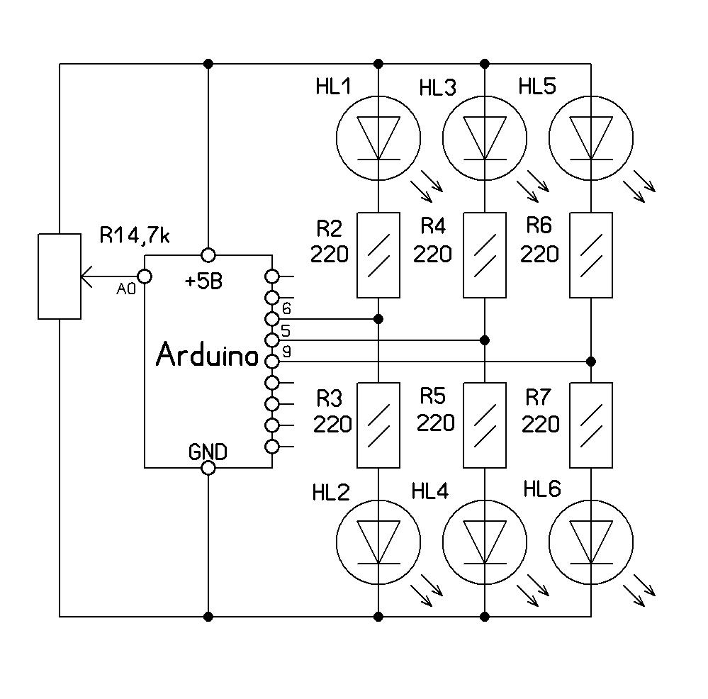
pinMode(6, OUTPUT); // канал сигнала для 1 трубки /
analogWrite(6,0);
pinMode(5, OUTPUT); // канал сигнала для 2 трубки /
analogWrite(5,0);
pinMode(9, OUTPUT); // канал сигнала для 3 трубки /
analogWrite(9,0);
pinMode(A0, INPUT); // регулятор амплитуды и частоты/
}
void loop()
{
x=analogRead(A0); y2=millis();
z=map(x, 0, 1023, 0, 127); // переменная, ограничивающая min яркости
j=map(x, 0, 1023, 20, 2); // переменная, определяющая длительность задержки
r=map(x, 0, 1023, 255, 128); // переменная, ограничивающая max яркости
n1=n1+k1; n2=n2+k2; n3=n3+k3; //счётчики ступеней изменения яркости
if ( n1>=r) { k1= -1 ;} if ( n1<=z) {k1= 1 ; }//условия смены направления счёта
if ( n2>=r) { k2= -1 ;} if ( n2<=z) {k2= 1 ; }//ступеней изменения яркости
if ( n3>=r) { k3= -1 ;} if ( n3<=z) {k3= 1 ; }
if (y2-y1>=5000&i==0){n1=z+1;n2=127-z;n3=r;y1=y2;i=1;}// условия смены
if (y2-y1>=30000&i==1){ i=2;y1=y2;} //программы переключения
if (y2-y1>=5000&i==2){n1=r;n2=r;n3=r;y1=y2;i=3;}
if (y2-y1>=30000&i==3){ i=0;y1=y2;}
if(i==0 || i==2){analogWrite(6,25); analogWrite(5,25); analogWrite(9,25);}
else
{
analogWrite(6,n1);
analogWrite(5,n2);
analogWrite(9,n3);
}
delay(j);
}
//
// Конец /
//
/////////////////////////////////////////////////////////////////////////////////////////////////////////////////////////////////
Вернуться в Arduino и другие Xduino
Сейчас этот форум просматривают: нет зарегистрированных пользователей и гости: 0