![]() |
roboforum.ruТехнический форум по робототехнике. |
|
|
| Реклама | ||||
|
|
|
|||
Grem писал(а)::shock: не знать что такое PR2, всё равно что не знать закон Ома.
PR2.Лежит сейчас сайт их, но с кэша гугла посмотреть можно.
Добавлено спустя 2 минуты 41 секунду:PR2 Robot System Price Including
Two arms + grippers
Omnidirectional mobile base
Sensor suite (mono-stereo with texture projector, wide field of view color stereo, 5MP camera, tilting LIDAR, base LIDAR, IMU, pan/tilt platform, forearm cameras, gripper tip sensors)
2 x onboard Xeon servers (each server: 8 cores i7, 24GB RAM, 2TB disk)
Power system (onboard chargers, 1.3 kWh battery system)
Full system EtherCAT motion control network
Full system Gigabit Ethernet network with 32GB backplane switch
Dual radio WiFi
Wireless Run-Stop system
Base station
$400,000.00 + Taxes and Shipping
Вкусняшка
кумекаю по драйверам, поэтому пригодится.
| Реклама | ||||
|
|
|
|||
Rockman писал(а):Можно было бы использовать один дискретный выход для управления реверсом, ведь реверс не так и часто нужно будет включать?
IMHO желательно.Rockman писал(а):IR4427 обязательно нужно?
Зависит от потребляемого тока двигателя. Если применять моторредукторы от ВАЗ, надо. Я ещё и вентилятор поставил на всякий случай.Rockman писал(а):И нужен ли радиатор на мосфет?

Теоретически если доработать, то можно взять за основу подобный корпус.Rockman писал(а):или как у вас - на один мотор два реле, но управляются они одним сигналом
Видел такую, даже где-то фото выкладывалRockman писал(а):Я как-то видел мусорку в магизине, мне она напомнила RD2D

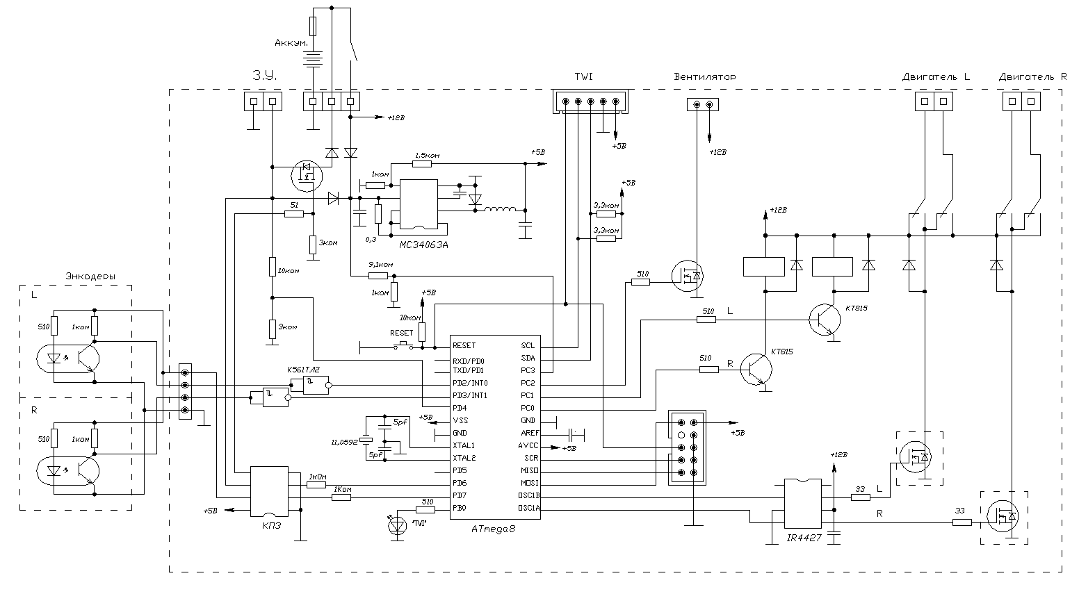
yak-40 писал(а):на сегодняшний день схема драйверов двигателей выглядит так


Там ведь ещё и контроль за зарядкой и аккумулятором. 
Сейчас этот форум просматривают: нет зарегистрированных пользователей и гости: 0