Домашний дроид

Шестерни и колёса, тяги и тросики... Каркасы, скелеты ...

Re: Шасси для домашнего дроида

Сообщение yak-40 » 14 мар 2011, 18:35

Манипулятор у меня в перспективе. Первоочередная задача собрать корпус, оснастить его датчиками, а так-же сделать базу для подзарядки.
- Этот человек - не человек! это робот!
- Как? уже делают?!
- Делают!!!
Аватара пользователя
yak-40
 
Сообщения: 3037
Зарегистрирован: 23 окт 2007, 22:03
Откуда: Москва
прог. языки: С
ФИО: Евгений Яковец

Re: Шасси для домашнего дроида

Сообщение AndreiSk » 14 мар 2011, 21:39

Grem писал(а)::shock: не знать что такое PR2, всё равно что не знать закон Ома.
PR2. Лежит сейчас сайт их, но с кэша гугла посмотреть можно.

Добавлено спустя 2 минуты 41 секунду:
PR2 Robot System Price Including
Two arms + grippers
Omnidirectional mobile base
Sensor suite (mono-stereo with texture projector, wide field of view color stereo, 5MP camera, tilting LIDAR, base LIDAR, IMU, pan/tilt platform, forearm cameras, gripper tip sensors)
2 x onboard Xeon servers (each server: 8 cores i7, 24GB RAM, 2TB disk)
Power system (onboard chargers, 1.3 kWh battery system)
Full system EtherCAT motion control network
Full system Gigabit Ethernet network with 32GB backplane switch
Dual radio WiFi
Wireless Run-Stop system
Base station
$400,000.00 + Taxes and Shipping

Вкусняшка :roll:


А чего он такой дорогой,
я там на 400тбаксофф не вижу.
Аватара пользователя
AndreiSk
 
Сообщения: 2639
Зарегистрирован: 23 апр 2009, 17:03
Откуда: Москва, Самара
прог. языки: C#

Re: Шасси для домашнего дроида

Сообщение Rockman » 30 мар 2011, 10:33

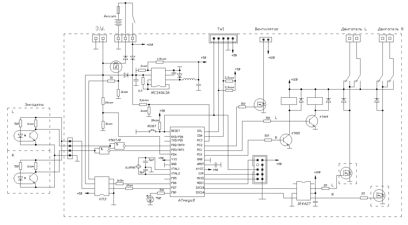
Платформа выполнена мастерски! А можно схемку драйверов?
Rockman
 
Сообщения: 198
Зарегистрирован: 06 июл 2010, 16:36
Откуда: Черногорск
прог. языки: Objective-C, C#, C, C++

Re: Шасси для домашнего дроида

Сообщение yak-40 » 30 мар 2011, 10:50

Возможно будут какие-либо доработки, но на сегодняшний день схема драйверов двигателей выглядит так:
Драйвер.GIF
Схема
- Этот человек - не человек! это робот!
- Как? уже делают?!
- Делают!!!
Аватара пользователя
yak-40
 
Сообщения: 3037
Зарегистрирован: 23 окт 2007, 22:03
Откуда: Москва
прог. языки: С
ФИО: Евгений Яковец

Re: Шасси для домашнего дроида

Сообщение Rockman » 30 мар 2011, 11:34

Спасибо :) кумекаю по драйверам, поэтому пригодится.
Можно было бы использовать один дискретный выход для управления реверсом, ведь реверс не так и часто нужно будет включать? Но тогда,правда, есть риск что робот понесется если вдруг мосфет пробъёт :)
- не внимательно посмотрел схему, у вас и так реверс реализован управлением одним сигналом.
IR4427 обязательно нужно? или можно заменить, допустим на операционный усилитель или оптопару лучше? Вообще мосфеты управляются от чистого выхода ШИМ или проблемы есть? Насколько рискованно использовать выхода контроллера без развязки оптопары? И нужен ли радиатор на мосфет?
Rockman
 
Сообщения: 198
Зарегистрирован: 06 июл 2010, 16:36
Откуда: Черногорск
прог. языки: Objective-C, C#, C, C++

Re: Шасси для домашнего дроида

Сообщение yak-40 » 30 мар 2011, 11:46

Rockman писал(а):Можно было бы использовать один дискретный выход для управления реверсом, ведь реверс не так и часто нужно будет включать?

Реверс включается достаточно часто. Причём левый и правый пооддельности. При повороте, например, я не просто останавливаю один двигатель, а включаю ему реверс для более динамичного поворота. поэтому экономить выходы МК не стОит.
Rockman писал(а):IR4427 обязательно нужно?
IMHO желательно.
Rockman писал(а):И нужен ли радиатор на мосфет?
Зависит от потребляемого тока двигателя. Если применять моторредукторы от ВАЗ, надо. Я ещё и вентилятор поставил на всякий случай.
- Этот человек - не человек! это робот!
- Как? уже делают?!
- Делают!!!
Аватара пользователя
yak-40
 
Сообщения: 3037
Зарегистрирован: 23 окт 2007, 22:03
Откуда: Москва
прог. языки: С
ФИО: Евгений Яковец

Re: Шасси для домашнего дроида

Сообщение Rockman » 30 мар 2011, 11:53

Да я немного запутал с реверсом. Можно реализовать по 2 управляющих сигнала на один мотор (тогда по 2 реле на мотор) или как у вас - на один мотор два реле, но управляются они одним сигналом. Первый случай более безопасен, поскольку при отключении обоих реле мотор отсоединен полностью и даже если пробъёт мосфет робот никуда не поедет :)
Я как-то видел мусорку в магизине, мне она напомнила RD2D :) Теоретически если доработать, то можно взять за основу подобный корпус.
Rockman
 
Сообщения: 198
Зарегистрирован: 06 июл 2010, 16:36
Откуда: Черногорск
прог. языки: Objective-C, C#, C, C++

Re: Шасси для домашнего дроида

Сообщение yak-40 » 30 мар 2011, 12:01

Rockman писал(а):или как у вас - на один мотор два реле, но управляются они одним сигналом

Нет, на один мотор у меня одно реле, но с двумя группами контактов.
Rockman писал(а):Я как-то видел мусорку в магизине, мне она напомнила RD2D
Видел такую, даже где-то фото выкладывал :)
- Этот человек - не человек! это робот!
- Как? уже делают?!
- Делают!!!
Аватара пользователя
yak-40
 
Сообщения: 3037
Зарегистрирован: 23 окт 2007, 22:03
Откуда: Москва
прог. языки: С
ФИО: Евгений Яковец

Re: Шасси для домашнего дроида

Сообщение =DeaD= » 31 мар 2011, 01:14

yak-40 писал(а):на сегодняшний день схема драйверов двигателей выглядит так

Ввиду наличия там контроллера это уже не драйвер двигателей, а контроллер двигателей ;)
Проект [[Open Robotics]] - Универсальные модули для построения роботов
Аватара пользователя
=DeaD=
 
Сообщения: 24218
Зарегистрирован: 06 окт 2004, 18:01
Откуда: Ебург
прог. языки: C++ / PHP / 1C
ФИО: Антон Ботов

Re: Шасси для домашнего дроида

Сообщение Duhas » 31 мар 2011, 01:24

а если управлялкой является ПК или другой модуль и тут мк чисто преобразует команды сверху в ШИМ, то драйвер )
«Как сердцу выразить себя? … Мысль изреченная есть ложь!»
В этом мире меня подводит доброта и порядочность...
"двое смотрят в лужу, один видит лужу, другой отраженные в ней звезды"
Аватара пользователя
Duhas
 
Сообщения: 6338
Зарегистрирован: 15 сен 2007, 13:03
Откуда: Красноярск
прог. языки: ASM(МК), C(PC)
ФИО: Гагарский Андрей Александрович

Re: Шасси для домашнего дроида

Сообщение =DeaD= » 31 мар 2011, 01:30

Насколько я видел в интернете - драйвером называют только девайс не превращающий существенным образом один вид сигнала в другой и не использующий датчиков положения, а тут налицо энкодеры и МК, принимающий команды по twi :pardon:
Проект [[Open Robotics]] - Универсальные модули для построения роботов
Аватара пользователя
=DeaD=
 
Сообщения: 24218
Зарегистрирован: 06 окт 2004, 18:01
Откуда: Ебург
прог. языки: C++ / PHP / 1C
ФИО: Антон Ботов

Re: Шасси для домашнего дроида

Сообщение Duhas » 31 мар 2011, 01:31

oops, я энкодеры проглядел ))

кстати спасибо за линейки, 25-го пришли.. осталось успеть с остальным
«Как сердцу выразить себя? … Мысль изреченная есть ложь!»
В этом мире меня подводит доброта и порядочность...
"двое смотрят в лужу, один видит лужу, другой отраженные в ней звезды"
Аватара пользователя
Duhas
 
Сообщения: 6338
Зарегистрирован: 15 сен 2007, 13:03
Откуда: Красноярск
прог. языки: ASM(МК), C(PC)
ФИО: Гагарский Андрей Александрович

Re: Шасси для домашнего дроида

Сообщение yak-40 » 01 апр 2011, 11:50

Признаться честно, я как-то про назавния отдельных модулей не задумывался. Даже не придавал этому особого значения.
Хотя да, драйвером двигателей это не назовёшь. :no: Там ведь ещё и контроль за зарядкой и аккумулятором.
Скорее "контроллер управления шасси" или может "контроллер силового блока" :)
- Этот человек - не человек! это робот!
- Как? уже делают?!
- Делают!!!
Аватара пользователя
yak-40
 
Сообщения: 3037
Зарегистрирован: 23 окт 2007, 22:03
Откуда: Москва
прог. языки: С
ФИО: Евгений Яковец

Re: Шасси для домашнего дроида

Сообщение Rockman » 13 апр 2011, 18:03

Реализовал драйвер для электромоторов стеклоподъёмников от иномарок аналогичным способом. МОСФЕТы IR3205. По одному двигатели включаются вроде нормально, а вот когда вместе, то не развивают и половины мощности. Стал смотрел осциллографом. В общем, когда по одному работают двигатели, то но выходе мосфета далеко не идеальный прямоугольник от ШИМ. Наблюдается явное влияние переходного процесса, т.е. вторая половина импулься завалена... Но вроде как-то работает. А когда оба двигателя включаются, то чистый импульс вообще не видно, а какая-то смесь. Собственно конденсаторы я пока ни на двигателя, ни по питанию IR4427 не ставил.
У меня вопрос - обязательно ли надо ставить кондёры и каким номиналом для двигателей и для IR4427? Может кто подскажет, в чём беда в моём случае и как это вылечить?
Rockman
 
Сообщения: 198
Зарегистрирован: 06 июл 2010, 16:36
Откуда: Черногорск
прог. языки: Objective-C, C#, C, C++

Re: Шасси для домашнего дроида

Сообщение =DeaD= » 13 апр 2011, 18:12

Кондёры ставят по питанию, на движки крупные не имеет смысла.
Проект [[Open Robotics]] - Универсальные модули для построения роботов
Аватара пользователя
=DeaD=
 
Сообщения: 24218
Зарегистрирован: 06 окт 2004, 18:01
Откуда: Ебург
прог. языки: C++ / PHP / 1C
ФИО: Антон Ботов

Пред.След.

Вернуться в Механика

Кто сейчас на конференции

Сейчас этот форум просматривают: Google [Bot] и гости: 1