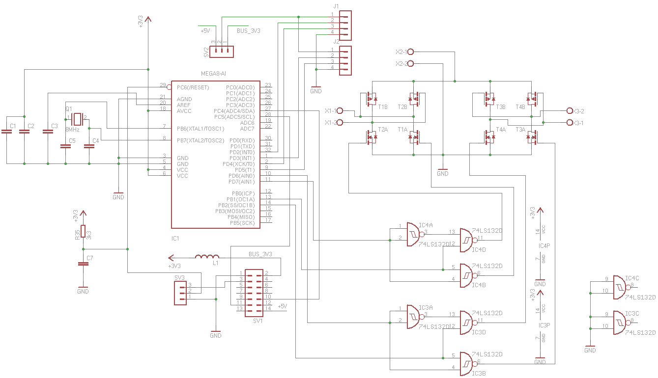
Драйвер маломощных двигателей.
Схема моста - как в OpenServo. ATMega8. Подключение квадратурных энкодеров. Плата может ставиться бутербродом на главный контроллер.
Вопрос : если ставить IRF7105 у которых максимальный продолжительный ток 2.3А при 25°C ( 1.8А при 70°C) - какой ток через моторы сможет обеспечить такой драйвер?
Добавлено спустя 19 минут 52 секунды:
IRF7317 наверно получше вариант будет
RDS(on) 2.7V N-Channnel (mOhms) 46.0
RDS(on) 2.7V P-Channnel (mOhms) 98.0
ID @ TA = 25C N-Channel (A) 6.6
ID @ TA = 25C P-Channel (A) -5.3
ID @ TA = 70C N-Channel (A) 5.3
ID @ TA = 70C P-Channel (A) -4.3



ну и 12В накачку надо делать и драйверы полноценные ставить...
