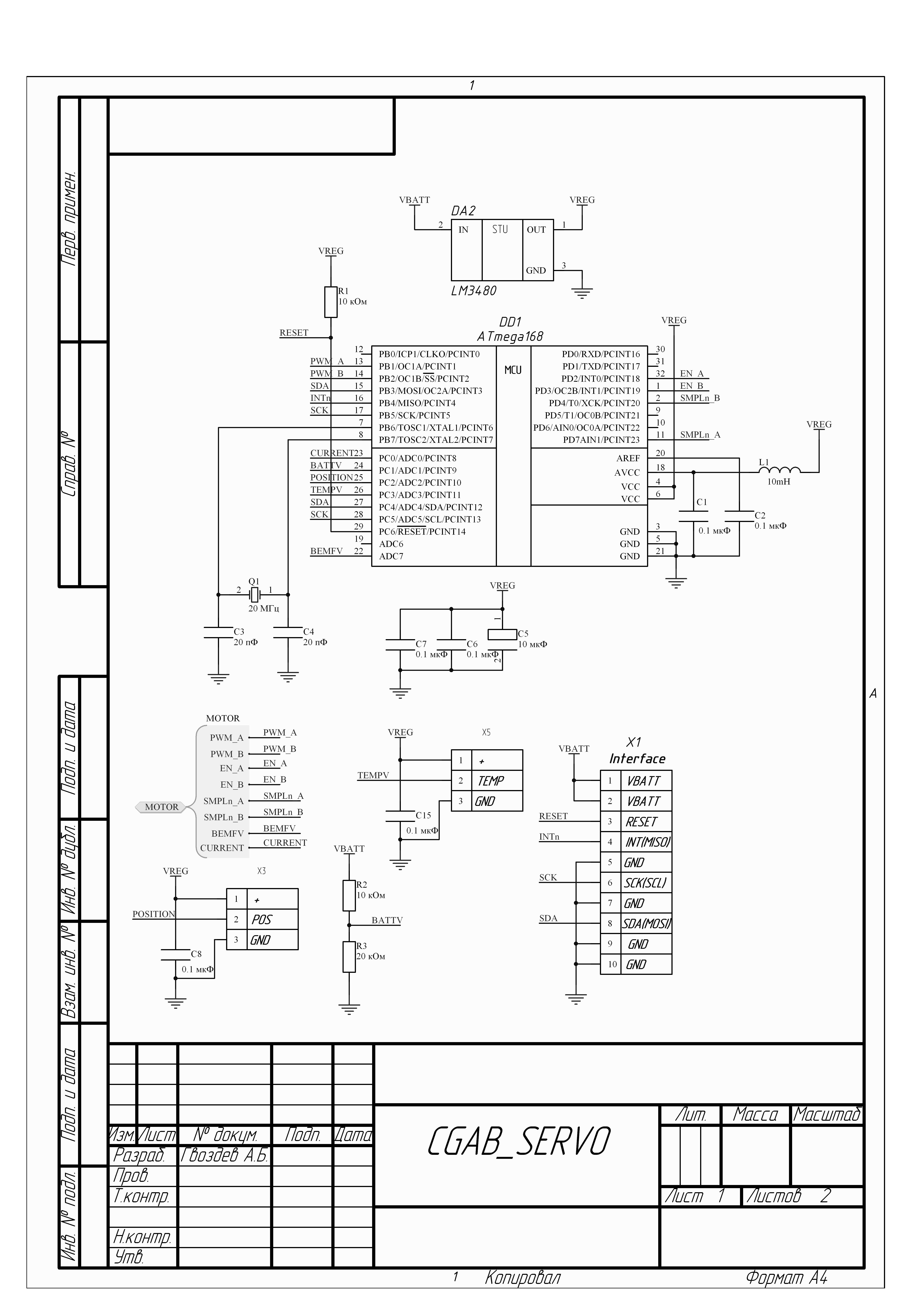
Aseris писал(а):Почему ток снимается от Vbat a не класически от GND?, Или Vreg > Vbat? Илил ето операционник уникальный и работаетс входными напряжениями выше Vcc?
Это сделано специально. Посмотрите в документации на INA138.
Добавлено спустя 8 минут 55 секунд:KKVaka писал(а):Всем привет в этом топике  
 
 Хотелось бы обсудить практическое применение такой конструкции. Исследование и разведка, охрана... Это слова. А практика?
 
Это давняя мечта. 

А если серьёзно - сделать самообучающуюся систему, способную к социальной адаптации.
KKVaka писал(а):Без практического применения проект не окупит вложений. А в данном случае вложение оцениваются весьма нехилыми. Тратить такие деньги на развлечения - это бывает, жаль не в моем случае.  
 
  
Вложения действительно не хилые. Но это хобби 

.
KKVaka писал(а):У американцев такие работы проводятся обычно при фиансировании из серьезных источников. Типа государственных программ. У нас таких программ мне не известно. Что, конечно, весьма жаль.
BigDog я видел.
KKVaka писал(а):Так как у Вас с источниками финансирования? С инструментальной базой? Станки для металлообработки ( хотя бы доступ к ним )? 3D принтер для прототипирования? Команда механиков ( или хотя бы одид железянщик )? Хотя в данном случае, похоже, один уже есть ( ТопикСтартер ) 
 
 При планировании проекта лучше заранее задаваться сложными вопросами... 

 
Финансирование - из своего кармана.
Работаю я в Институте Космических Исследований. Доступ к станкам - есть. Механики и технологи для консультации - есть. Сам я - электронщик и ПЛИСовщик, но SolidWorks знаю и умею пользоваться 

.
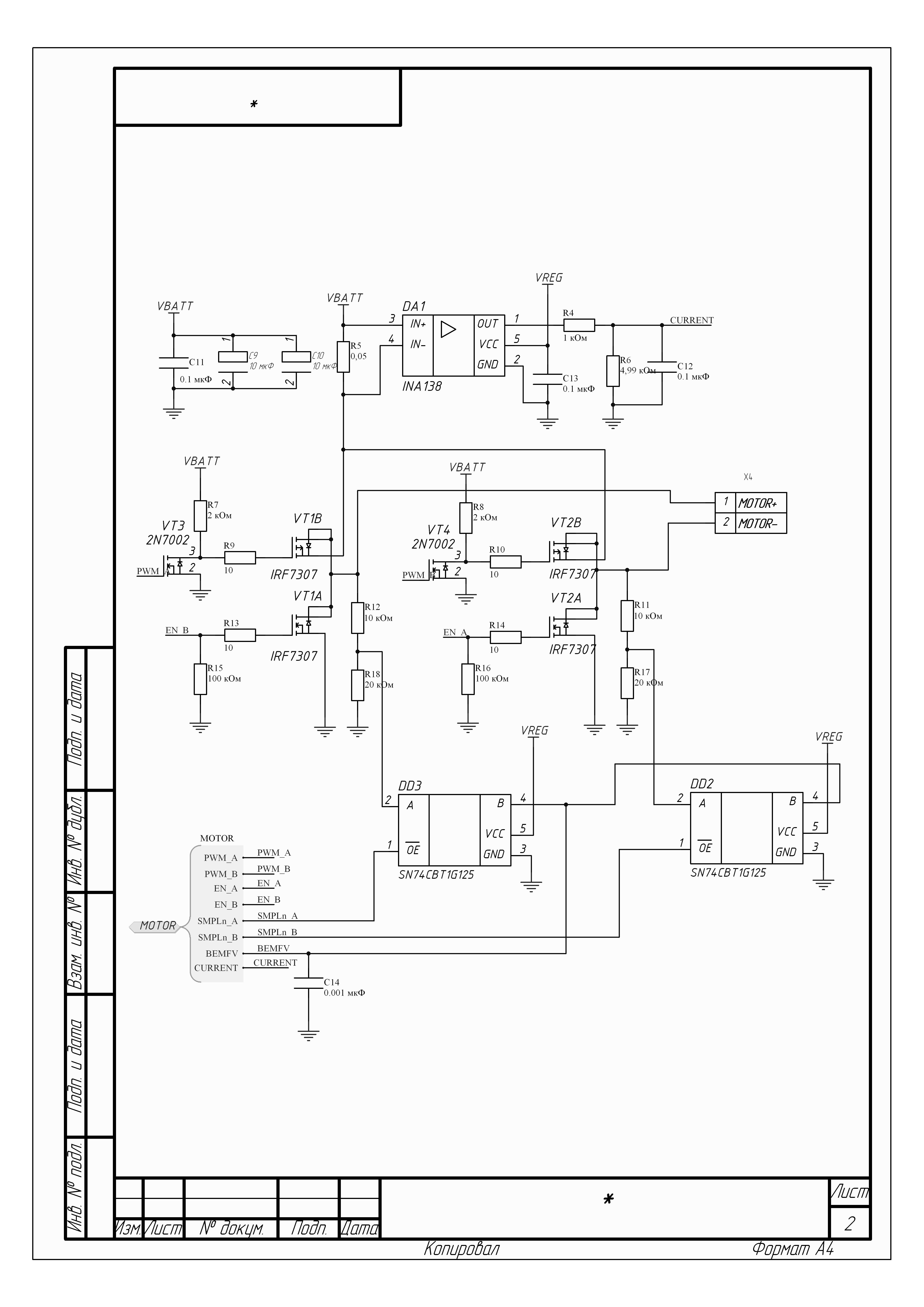
Добавлено спустя 15 минут 39 секунд:INA138 - прикольная штука 
 
 мерить в верхнем плече проще - так можно избежать влияния измерительных напряжений на цепи затвора. Если коммутируется земля без резисторов, то можно управлять напрямую, без каких-либо согласующих компонентов. А в верхнее плечо все равно требуется дополнительный ключ... 
 
 Я бы еще добавил цепь аппаратной блокировки возможности одновременного открывания обоих транзисторов в мостовой схеме. Если это произойдет, то напряжение батареи закарачивается и ток выжигает все на своем пути... Я в свою схему добавил... 
 Добавлено спустя 20 минут 9 секунд:
Добавлено спустя 20 минут 9 секунд:Насчёт батарей и питания:
Сетка напряжений:
5В дежурные
5В силовые
12В силовые
24В силовые.
Аккумуляторы - с мозгами. Считается энергопотребление, правильно отрабатывается случай КЗ и параллельного включения.
Управление - CAN.
Накопитель энергии - LiPo.