roboforum.ru

Технический форум по робототехнике.


Проект "Фелиция"

СРУВЧ!

Re: Проект "Фелиция"

Сообщение Fayras » 05 май 2013, 11:46

среда прошла давно, а фоток нет все..
ТС я надеюсь ты не бросил ИИ?
Fayras
 
Сообщения: 118
Зарегистрирован: 15 дек 2010, 16:43
Откуда: Тверь
прог. языки: С++

Re: Проект "Фелиция"

Сообщение gab » 25 май 2013, 02:38

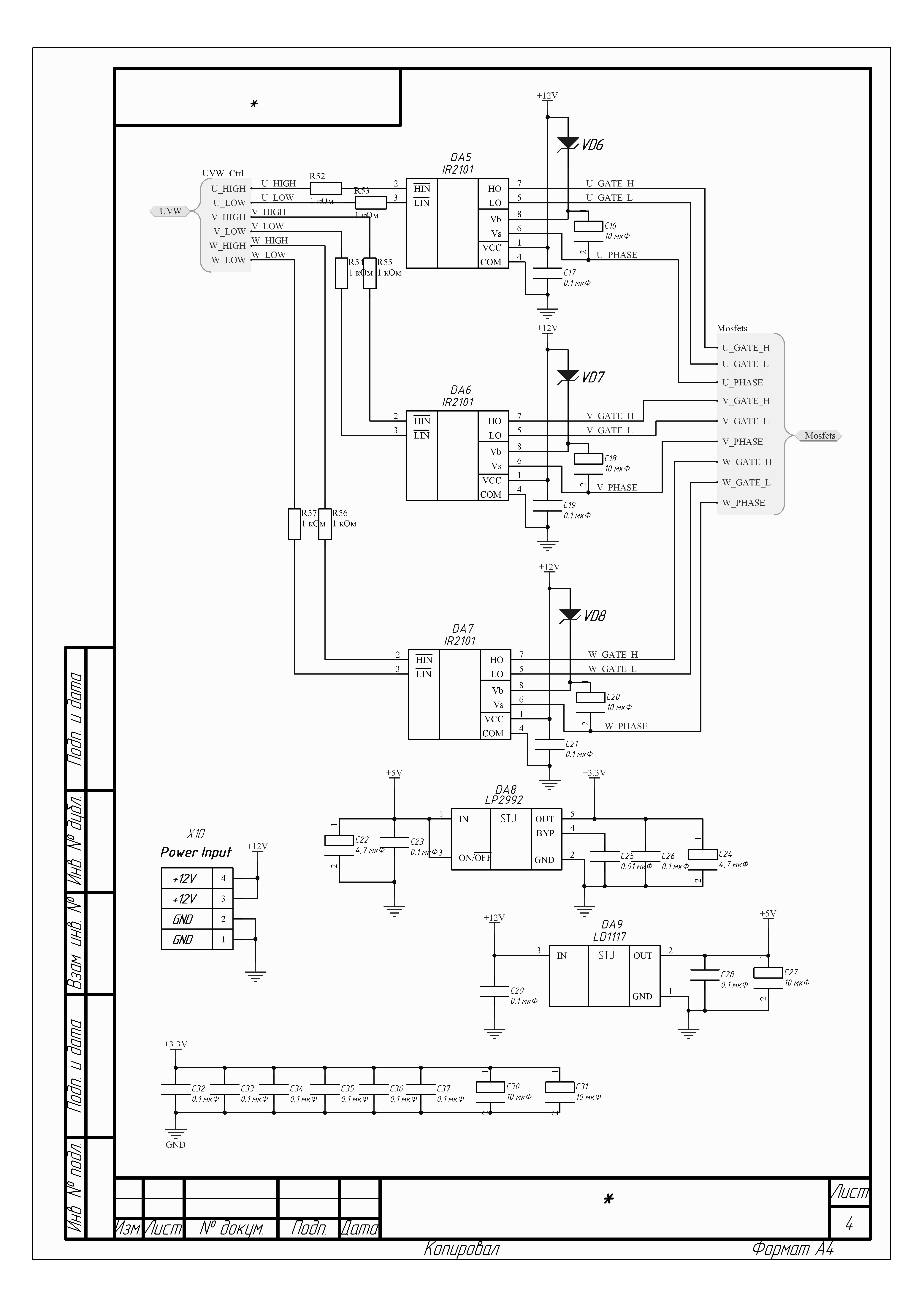
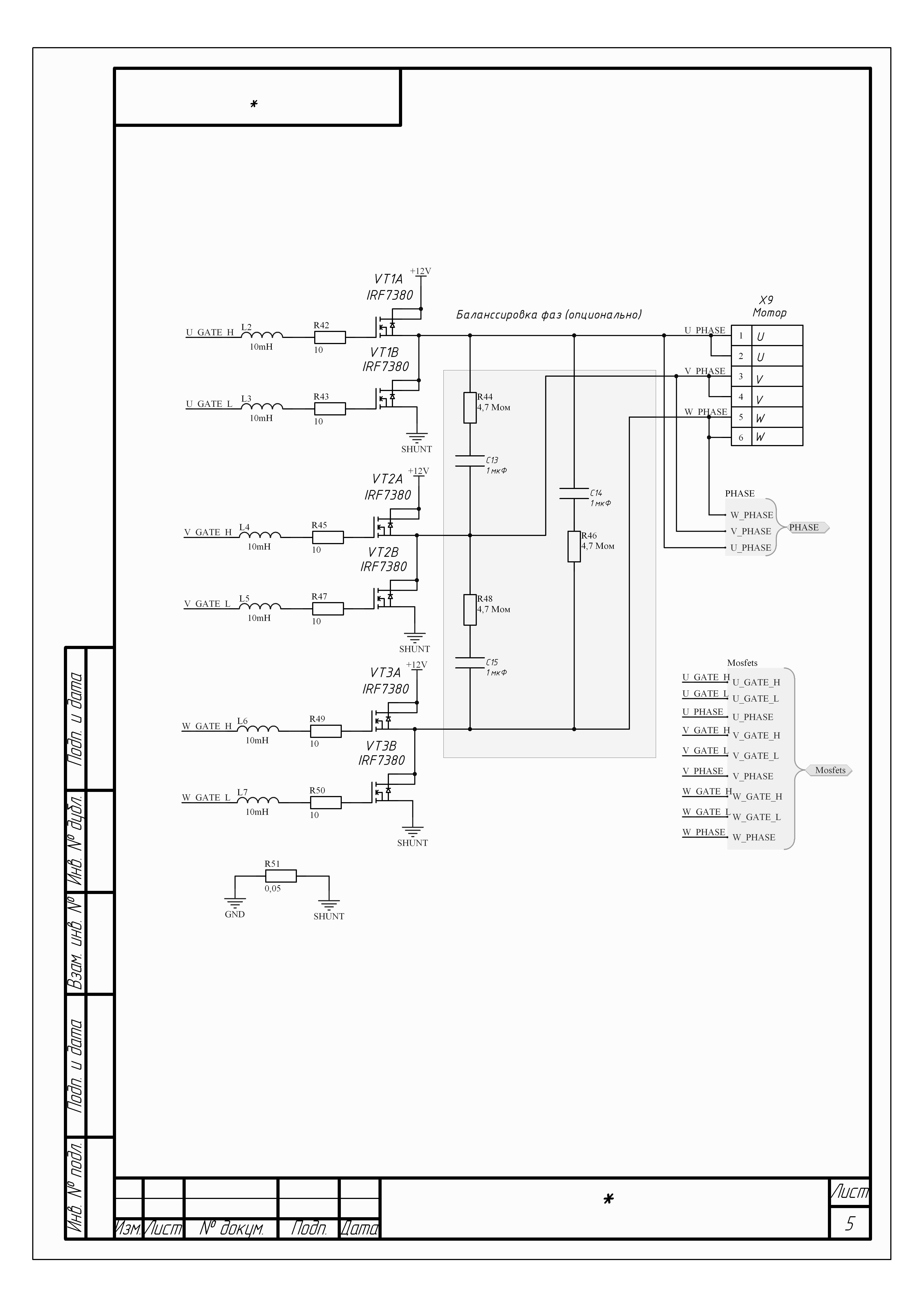
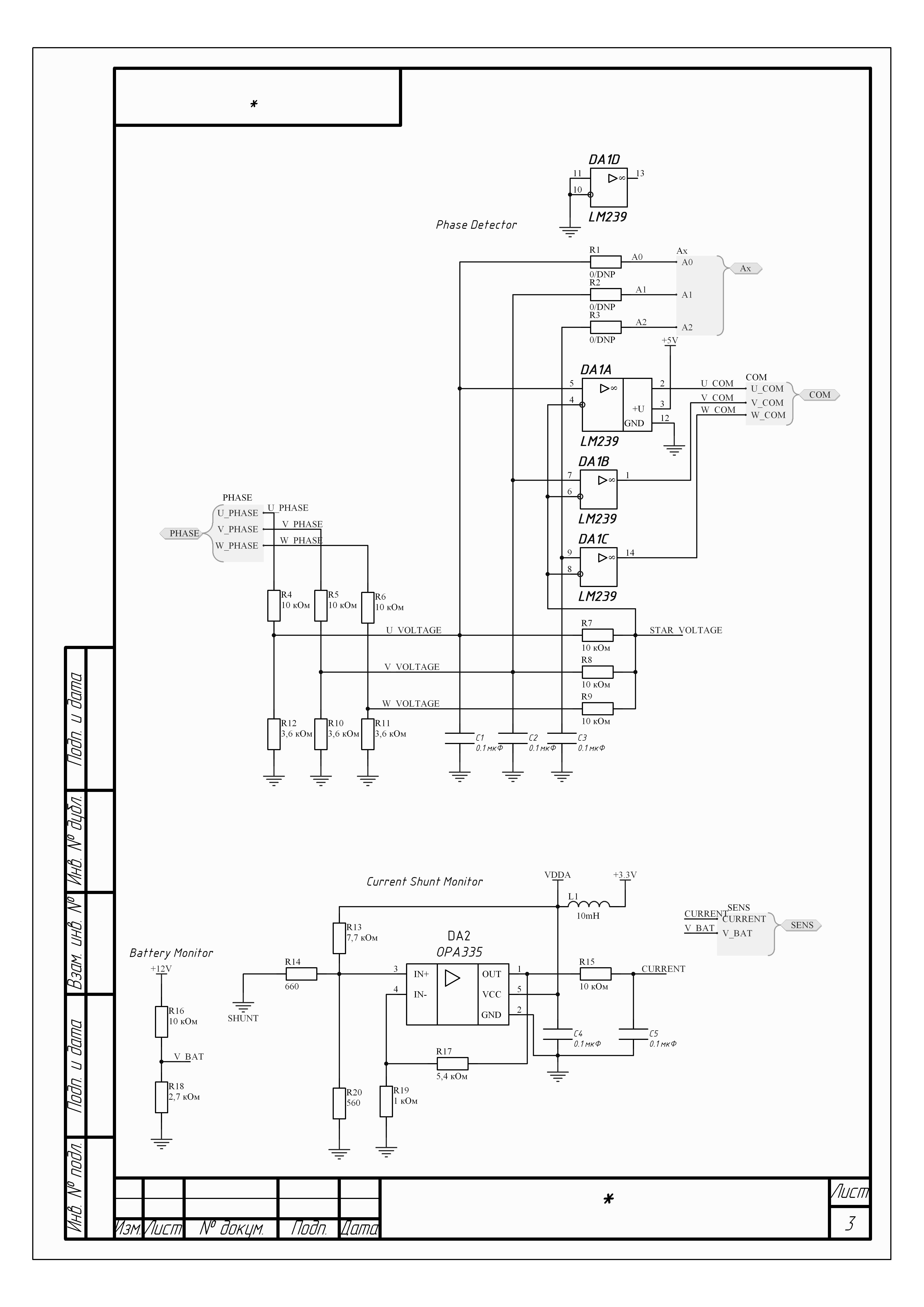
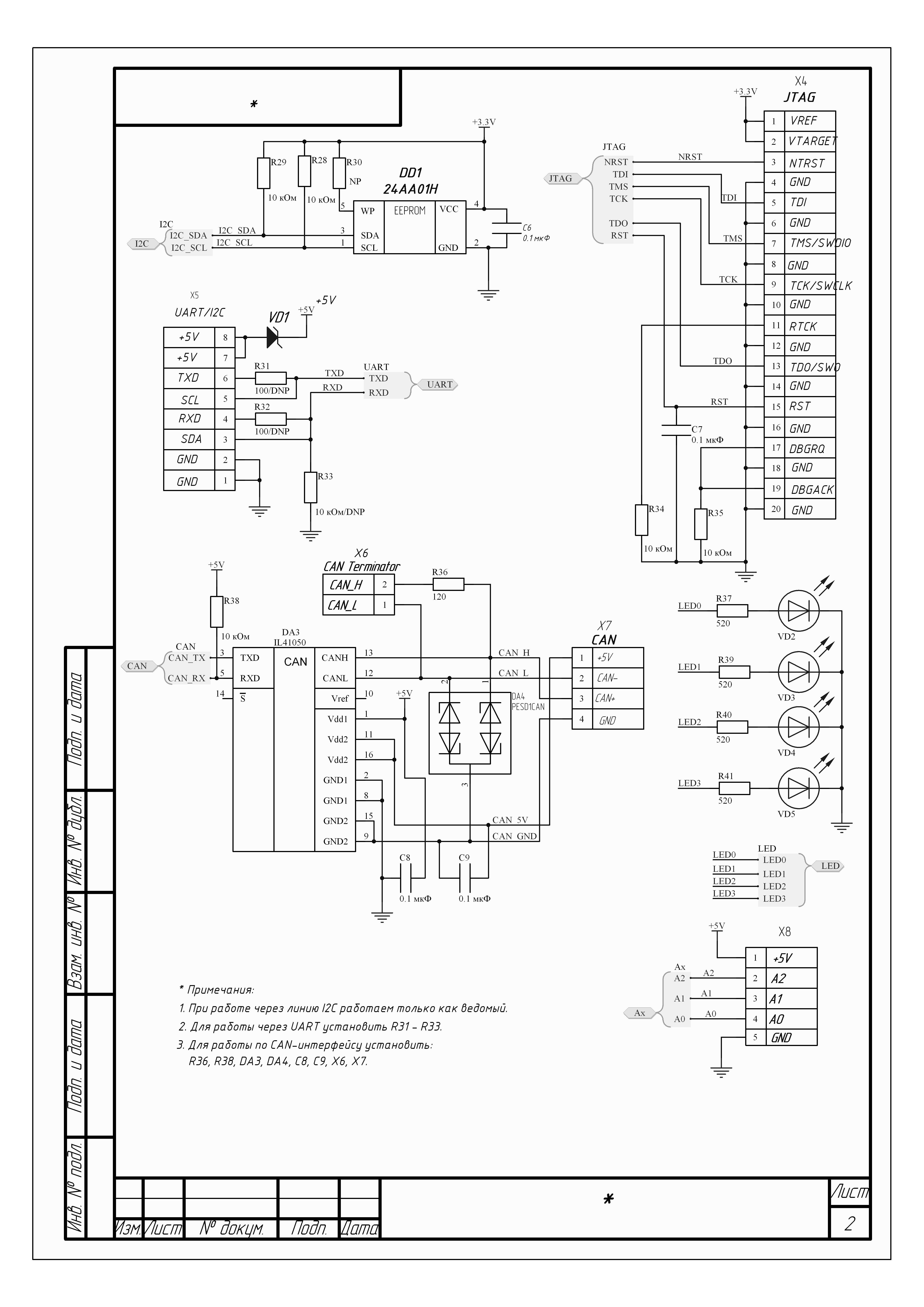
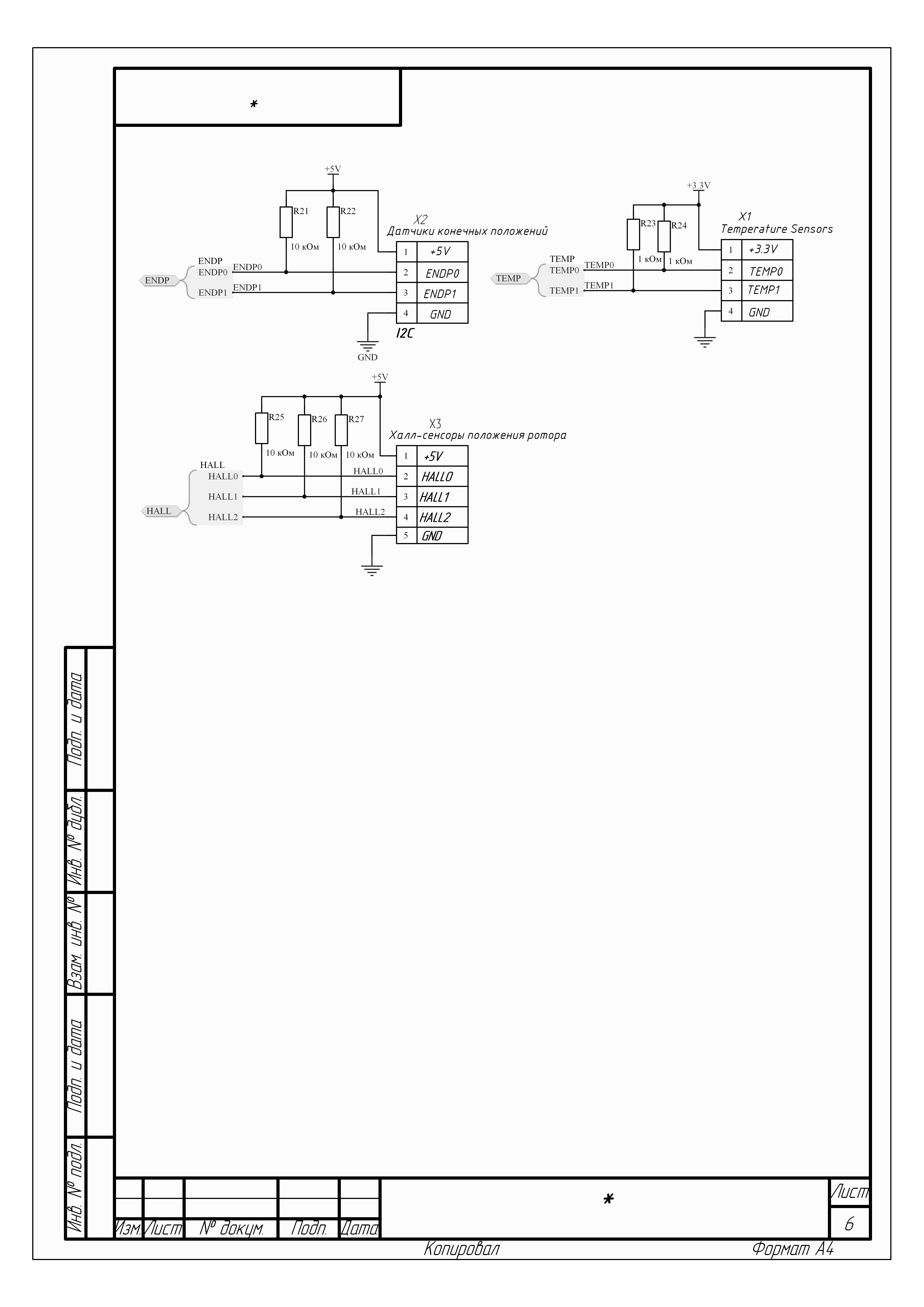
Очередные схемы. На этот раз - сервосистема на основе 3-х фазного двигателя. Как обычно - универсальная. По работе мне нужна была серва с концевиками для управления зеркалом, но, небольшое дополнение и получилась универсальная схема :). Ток - до 4 ампер. Потом сделаю модификацию для 150 ампер.

Добавлено спустя 14 минут 15 секунд:
Куски "чёрного ящика" и бортовых часов.
Вложения
DSC03655.JPG
DSC03645.JPG
DSC03640.JPG
p6_0001.jpg
p5_0001.jpg
p4_0001.jpg
p3_0001.jpg
p2_0001.jpg
p1_0001.jpg
gab
 
Сообщения: 212
Зарегистрирован: 30 апр 2005, 03:11
Откуда: Москва
прог. языки: C/C++, Verilog
ФИО: Гвоздев Александр Борисович

Re: Проект "Фелиция"

Сообщение dccharacter » 25 май 2013, 06:03

класс, две отладочных платы под STM32F2! Скоко стоят?
Мой волшебник это я сам. Всю архитектуру программы придумал лично, а ребята помогли воплотить её. Я бы и сам мог написать, но лень учить язык и его конструкции.
Аватара пользователя
dccharacter
 
Сообщения: 4995
Зарегистрирован: 10 дек 2010, 13:16
Откуда: Красногорск МО
прог. языки: C, Python, wiring/processing
ФИО: Андрей

Re: Проект "Фелиция"

Сообщение gab » 26 май 2013, 01:24

стоят дешевле, чем если бы я их с нуля делал.
gab
 
Сообщения: 212
Зарегистрирован: 30 апр 2005, 03:11
Откуда: Москва
прог. языки: C/C++, Verilog
ФИО: Гвоздев Александр Борисович

Re: Проект "Фелиция"

Сообщение dccharacter » 26 май 2013, 01:27

а почему выбраны 207-е, а не сотки, как в чертежах по ЕСКД? МОжет надо на дискаверях делать - они по 9 долларов стоят! Если ты делаешь контроллер одного двигателя на ДВУХ недешевых евал-платах, то на всей системе сэкономишь около миллиона долларов.
Мой волшебник это я сам. Всю архитектуру программы придумал лично, а ребята помогли воплотить её. Я бы и сам мог написать, но лень учить язык и его конструкции.
Аватара пользователя
dccharacter
 
Сообщения: 4995
Зарегистрирован: 10 дек 2010, 13:16
Откуда: Красногорск МО
прог. языки: C, Python, wiring/processing
ФИО: Андрей

Re: Проект "Фелиция"

Сообщение gab » 26 май 2013, 01:32

Да, dccharacter - ты задолбал. Я больше ничего не публикую. Сами разбирайтесь кто у вас самый крутой в песочнице.

Добавлено спустя 1 минуту 51 секунду:
dccharacter писал(а):а почему выбраны 207-е, а не сотки, как в чертежах по ЕСКД? МОжет надо на дискаверях делать - они по 9 долларов стоят! Если ты делаешь контроллер одного двигателя на ДВУХ недешевых евал-платах, то на всей системе сэкономишь около миллиона долларов.

Если бы сэр внимательней посмотрел....
gab
 
Сообщения: 212
Зарегистрирован: 30 апр 2005, 03:11
Откуда: Москва
прог. языки: C/C++, Verilog
ФИО: Гвоздев Александр Борисович

Re: Проект "Фелиция"

Сообщение dccharacter » 26 май 2013, 01:34

gab писал(а):Да, dccharacter - ты задолбал. Я больше ничего не публикую. Сами разбирайтесь кто у вас самый крутой в песочнице.

да нет. ты, ты конечно. у меня сто-сто писят миллиампер длина максимум - а ты вон до 140 ампер enlarge-ишь
Мой волшебник это я сам. Всю архитектуру программы придумал лично, а ребята помогли воплотить её. Я бы и сам мог написать, но лень учить язык и его конструкции.
Аватара пользователя
dccharacter
 
Сообщения: 4995
Зарегистрирован: 10 дек 2010, 13:16
Откуда: Красногорск МО
прог. языки: C, Python, wiring/processing
ФИО: Андрей

Re: Проект "Фелиция"

Сообщение gab » 26 май 2013, 01:42

Да! и кто Вам сказал, что контроллер двигателя я делаю на этих платах? Я не сторонник крайних психологических приёмов, но Вам это явно не будет лишним. Рекомендую чай с чебрецом. А на будущее - читайте. Читайте тему.

Добавлено спустя 1 минуту 49 секунд:
150 ампер? Не вопрос. Могу.
gab
 
Сообщения: 212
Зарегистрирован: 30 апр 2005, 03:11
Откуда: Москва
прог. языки: C/C++, Verilog
ФИО: Гвоздев Александр Борисович

Re: Проект "Фелиция"

Сообщение dccharacter » 26 май 2013, 01:51

ну так я что, говорю что ли что? давно уже ниц пал и лишь робко задаю уточняющие вопросы.

Добавлено спустя 1 минуту 26 секунд:
Кстати да, вот еще из вопросов - стартует "сервосистема на основе 3-х фазного двигателя" нормально? А мерял, сколько она кг(*/)см-то может? Или ты вес робота в амперах мерять будешь?
Мой волшебник это я сам. Всю архитектуру программы придумал лично, а ребята помогли воплотить её. Я бы и сам мог написать, но лень учить язык и его конструкции.
Аватара пользователя
dccharacter
 
Сообщения: 4995
Зарегистрирован: 10 дек 2010, 13:16
Откуда: Красногорск МО
прог. языки: C, Python, wiring/processing
ФИО: Андрей

Re: Проект "Фелиция"

Сообщение gab » 26 май 2013, 01:53

dccharacter писал(а):ну так я что, говорю что ли что? давно уже ниц пал и лишь робко задаю уточняющие вопросы.

Да фигня. Просто фотки и картинки от разных проектов. Может быть из-за этого такая неразбериха. Тут я сам виноват.
вопрос один: есть что по делу? :)
gab
 
Сообщения: 212
Зарегистрирован: 30 апр 2005, 03:11
Откуда: Москва
прог. языки: C/C++, Verilog
ФИО: Гвоздев Александр Борисович

Re: Проект "Фелиция"

Сообщение dccharacter » 26 май 2013, 01:55

не знаю - не я ж проект веду. от ТС пока по делу - ничего :-(. Мы все грустим. Айда с нами.
Мой волшебник это я сам. Всю архитектуру программы придумал лично, а ребята помогли воплотить её. Я бы и сам мог написать, но лень учить язык и его конструкции.
Аватара пользователя
dccharacter
 
Сообщения: 4995
Зарегистрирован: 10 дек 2010, 13:16
Откуда: Красногорск МО
прог. языки: C, Python, wiring/processing
ФИО: Андрей

Re: Проект "Фелиция"

Сообщение gab » 26 май 2013, 02:00

Отвечу быстро: у меня есть двигатели с интегрированными планетарными редукторами. 200кг/см. Тренируюсь на них. для обычных - я сделал возможность двуступенчатого старта (халл -> back emf).
gab
 
Сообщения: 212
Зарегистрирован: 30 апр 2005, 03:11
Откуда: Москва
прог. языки: C/C++, Verilog
ФИО: Гвоздев Александр Борисович

Re: Проект "Фелиция"

Сообщение dccharacter » 26 май 2013, 02:02

а планетарные редукторы заменяют Халла или Бэк ЕМФ?
Мой волшебник это я сам. Всю архитектуру программы придумал лично, а ребята помогли воплотить её. Я бы и сам мог написать, но лень учить язык и его конструкции.
Аватара пользователя
dccharacter
 
Сообщения: 4995
Зарегистрирован: 10 дек 2010, 13:16
Откуда: Красногорск МО
прог. языки: C, Python, wiring/processing
ФИО: Андрей

Re: Проект "Фелиция"

Сообщение gab » 26 май 2013, 02:17

учите матчасть.
gab
 
Сообщения: 212
Зарегистрирован: 30 апр 2005, 03:11
Откуда: Москва
прог. языки: C/C++, Verilog
ФИО: Гвоздев Александр Борисович

Re: Проект "Фелиция"

Сообщение dccharacter » 26 май 2013, 02:20

gab писал(а):учите матчасть.

ОК

Добавлено спустя 1 минуту 33 секунды:
http://lurkmore.to/%D0%A3%D1%87%D0%B8_% ... 1%82%D1%8C

Добавлено спустя 21 секунду:
Учи матчасть — верный признак участника Специальной Олимпиады
Для более подробной информации посетите портал «Special Olympics»
Мой волшебник это я сам. Всю архитектуру программы придумал лично, а ребята помогли воплотить её. Я бы и сам мог написать, но лень учить язык и его конструкции.
Аватара пользователя
dccharacter
 
Сообщения: 4995
Зарегистрирован: 10 дек 2010, 13:16
Откуда: Красногорск МО
прог. языки: C, Python, wiring/processing
ФИО: Андрей

Пред.След.

Вернуться в CRAZY PROJECTs

Кто сейчас на конференции

Сейчас этот форум просматривают: нет зарегистрированных пользователей и гости: 0

cron