"Переходник USB-CAN на 3 листа?"
Вы с ЕСКД знакомы? Я очень

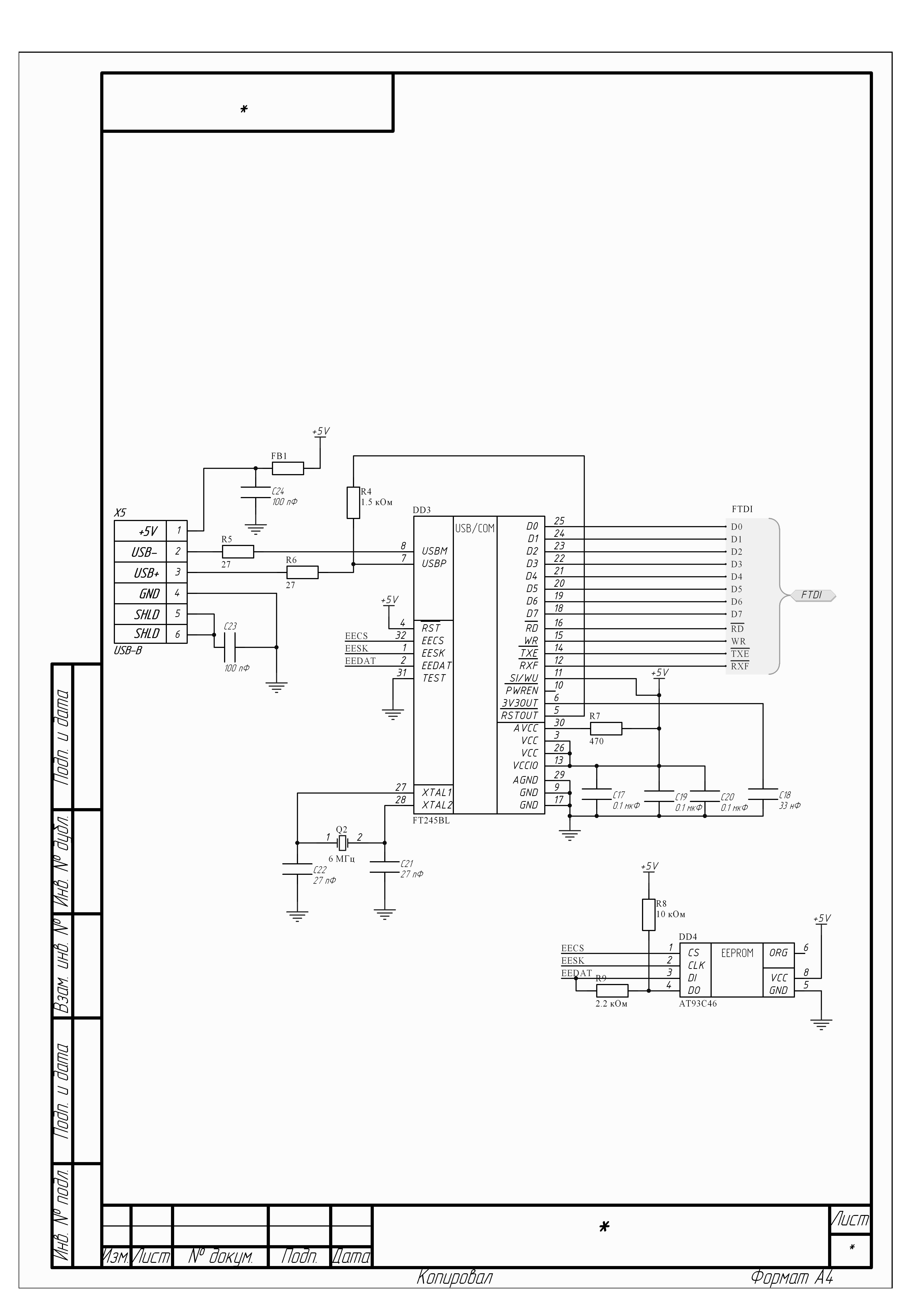
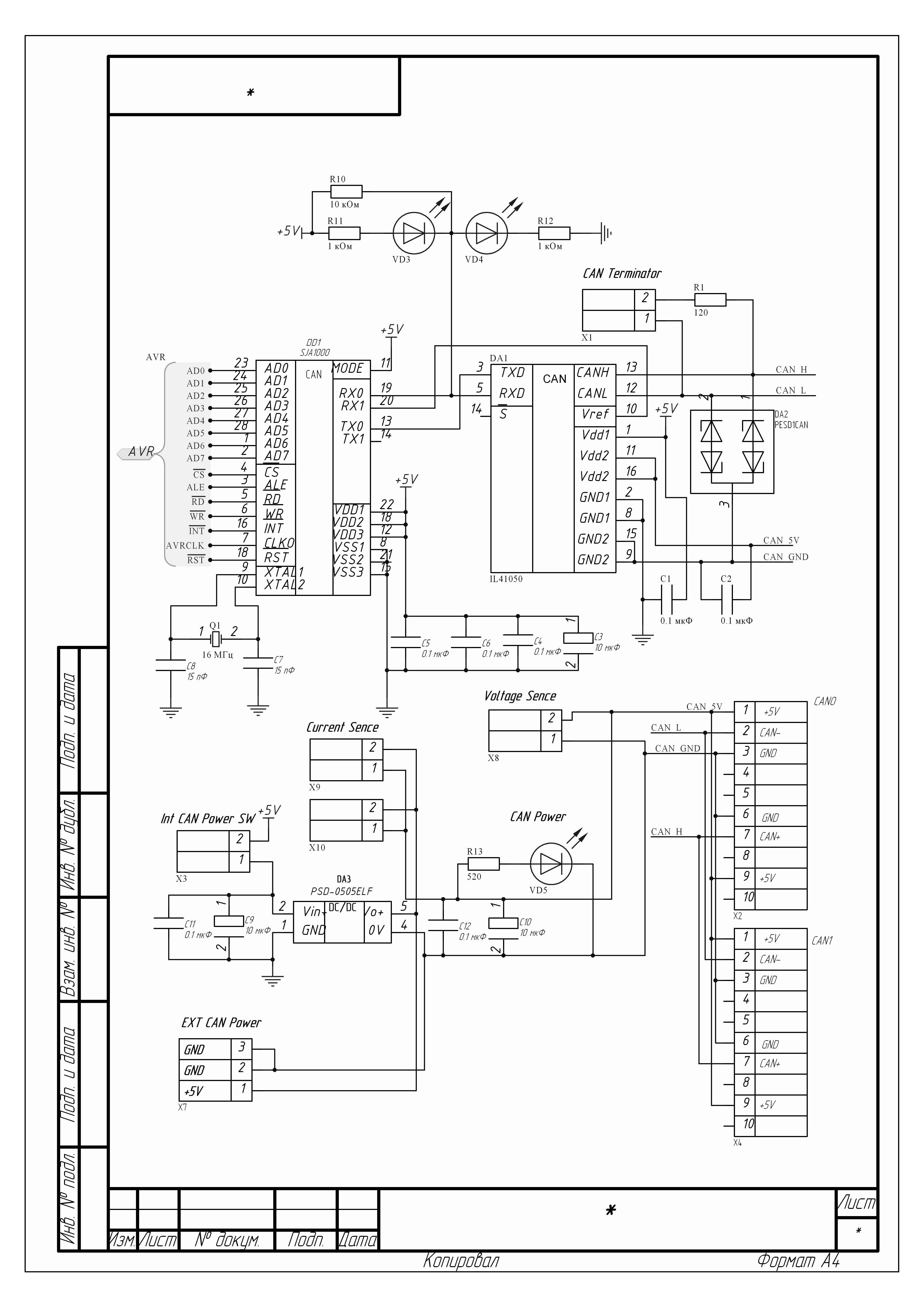
То, что вы мне послали - оригинал от которого я отталкивался. Я только заменил схему сброса процессора на более надёжную и поставил опто-развязку. Развязанную шину питания CAN и возможность подключения контрольного оборудования для замера напряжения и тока шины. И сразу учёл T-переходник со встроенным резистором (Отключаемым!) Ну и ещё несколько отладочных диодов добавил - например, активность физической линии.
У меня дома 8 материнок со сгоревшими USB. Просто из-за отсутствия гальванической развязки всяческой фигни.
На старой работе из-за таких же проблем вышли из строя (внимание!) JTAG-цепи в двух ПЛИСках Virtex2. Работать - работают, но не перепрограммируются!
Добавлено спустя 7 минут 5 секунд:Почему не взят процессор, где всё уже имеется: От бобра бобра не ищут. Эта схема, если не ошибаюсь, немецкого, радиолюбителя работает.
Для нового процессора будут нужны новые программы, а для этого всё уже есть. Функционал этих программ меня устраивает. А изобретать я предпочту не контрольно-измерительное оборудование (КИО), а прибор.
Здесь просто с КИО повезло - всё изобретено до нас. Просто нужно было повысить надёжность и универсальность.