Приветствую!
Хотелось бы в этой теме обсудить возможность реализации платы видеообработки для МиниБота.
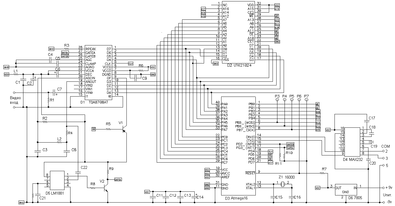
Плата видеообработки должна обеспечивать оцифровку черно-белого изображения с аналоговой видеокамеры с разрешением 320x240 пикселей с частотой 25-15 кадров в секунду. Объем оперативной памяти контроллера должен быть минимум 16Mb.
Один из вариантов исполнения - два процессора: один оцифровывает видео в память, другой (с большей памятью и более производительный) занят в видеообработке.
Если плата видеообработки таки появится в металле, тогда планирую портировать под неё алгоритм распознавания образов «Associative Video Memory» (AVM).
-= 23.11.09 =-
В фразе «один из вариантов исполнения - два процессора» имелось в виду, что процессор оцифровки видео будет использован с целью уменьшения количества микросхем логики на плате. Но если существует какой то специализированный чип, позволяющий оцифровывать черно-белое видео, тогда можно обойтись одним процессором видеообработки, а данные в память видеобуфера записывать, к примеру, по DMA.
Одно из требований к процессору видеообработки – наличие под этот процессор компилятора C++.
Производительности процессора никогда не бывает много. Поэтому при выборе процессора, на мой взгляд, нужно исходить из соотношений производительность/цена.
Я считаю, что причина по которой не нужно ориентироваться на «SRV-1 Blackfin Camera» - повторяемость изделия. Нам нужна плата, которую реально можно будет изготавливать в необходимых количествах, схему которой мы понимаем и можем улучшать. А в случае с «SRV-1 Blackfin Camera» эту плату могут просто прекратить выпускать, да и заказывать плату из за океана, как по мне, тоже чересчур.
Схем цифрователя видео, ну просто для затравки:


