теперь будем на наших МиниБотах делать зрение...
напряжение питания: 3,3В.
Потребление 60мА
Разрешение 640х480 и ниже
начинать будем с выкладывания документации...
потом будем пытаться передать её изображение через 2.4ГГц радиомодем RoboRF на компьютер
потом посмотрим что можно будет обработать с нее автономно
Добавлено спустя 15 минут 33 секунды:
у буржуев есть отличный проект в котором используется как раз такая камера, код написан на васике...
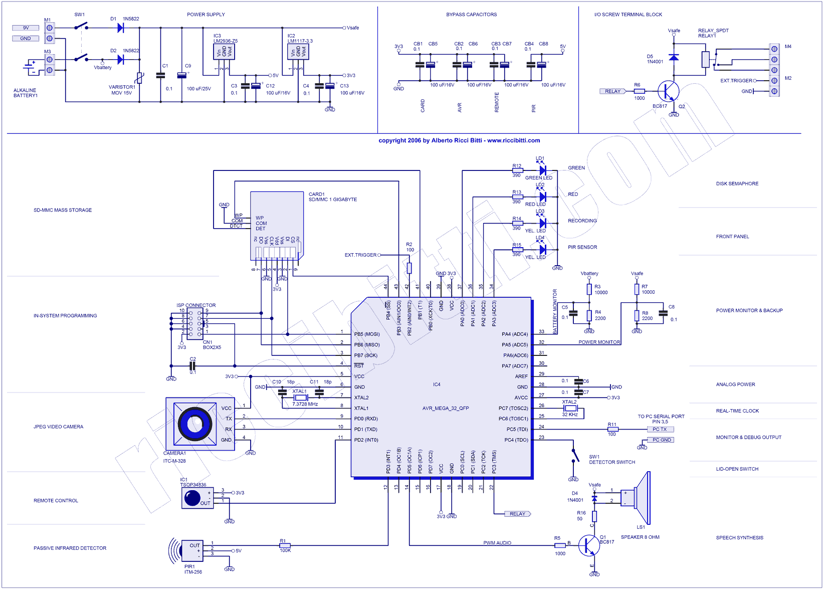
Их схема
Их исходники


