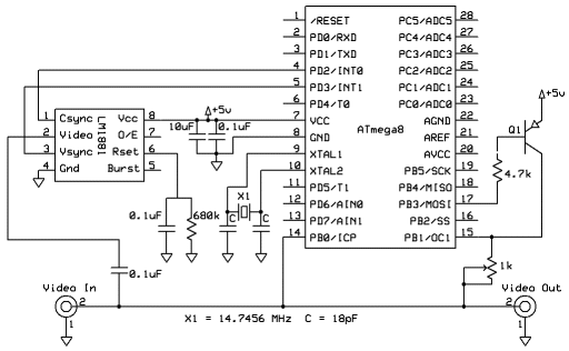
Вот увидел проект на просторах инета http://garydion.com/projects/videoverlay/. 
Кто пробовал делать? Есть какие мысли ?
			
				|  | roboforum.ruТехнический форум по робототехнике. |  | 






=DeaD= писал(а):Так то к зрению это мало имеет отношения - ну да ладно, это на будущее
 
 
 это телеметрия
 это телеметрия 

=DeaD= писал(а):Так это не компьютерное зрениеэто телеметрия
 . Мож раздел отдельный сделать по ней чтоб не мусорили ( как я
   . Мож раздел отдельный сделать по ней чтоб не мусорили ( как я   ).
 ).
Вернуться в Компьютерное зрение
Сейчас этот форум просматривают: нет зарегистрированных пользователей и гости: 0