roboforum.ru

Технический форум по робототехнике.


ЧТО ТАКОЕ программатор и с чем его едят?

Все что связана с заливкой программ в микроконтроллеры.

Re: ЧТО ТАКОЕ программатор и с чем его едят?

Сообщение yak-40 » 24 сен 2009, 21:26

Dizayner писал(а):по неизвестным пока причинам сигнала нету

Причины известны. Светодиоды сгорели, а так как выводы пика подключенные к ним сконфигурированы на выход,
значит и они погорели. Не могли не погореть. Сто пудов :(
- Этот человек - не человек! это робот!
- Как? уже делают?!
- Делают!!!
Аватара пользователя
yak-40
 
Сообщения: 3037
Зарегистрирован: 23 окт 2007, 22:03
Откуда: Москва
прог. языки: С
ФИО: Евгений Яковец

Re: ЧТО ТАКОЕ программатор и с чем его едят?

Сообщение galex1981 » 24 сен 2009, 21:40

Микросхеме хана :(
if(!Operate) Read(pDatasheet);
Аватара пользователя
galex1981
 
Сообщения: 4363
Зарегистрирован: 04 дек 2008, 22:44
Откуда: Камышин
Skype: galk-aleksandr1
прог. языки: Kotlin, Java, C, C++, Assm, BasCom, VB, php
ФИО: Галкин Александр Владимирович

Re: ЧТО ТАКОЕ программатор и с чем его едят?

Сообщение contr » 25 сен 2009, 00:47

pic16f871 не умеет работать с USB и управлялся от обычного USART (СОМ порт можно сказать), используя мост на pic18f2550. Вот последний чип и позволяет управлять чем угодно прямо от USB.
contr
 
Сообщения: 987
Зарегистрирован: 17 апр 2009, 15:09
Откуда: Rostov-Don
Предупреждения: -1

Re: ЧТО ТАКОЕ программатор и с чем его едят?

Сообщение Dizayner » 25 сен 2009, 01:28

contr писал(а):pic16f871 не умеет работать с USB и управлялся от обычного USART (СОМ порт можно сказать), используя мост на pic18f2550. Вот последний чип и позволяет управлять чем угодно прямо от USB.

Tак оно и есть, на вышеуказанной схеме обозначенно пины 25-ТХI и 26-РХI идут на другой ПИК "PIC18F2550-I/SP" который непосредственно и задействованн на USB, должен заметить что ПИКи ”PIC16C745” тоже работают напрямую с USB-портом :beer:
по неизвестным пока причинам сигнала нету
Причины известны. Светодиоды сгорели, а так как выводы пика подключенные к ним сконфигурированы на выход, значит и они погорели. Не могли не погореть. Сто пудов

Для того что-бы не гадать на кофейной гуще, имея на руках программатор ТОP-2007 http://www.vbay.ru/item.php?id=130304592829
http://www.vbay.ru/?category=36322&min= ... egoryID=-1 а так-же два одинаковых ПИКа PIC16F871-I/S, один из которых 100%работоспособный:
1) можно ли проверить работоспособность ПИКа ?
2) можно ли "скопировать" необходимую информацию и "перезаписать" на другой чип ?
3) можно-ли найти в интернете необходимые "для загрузки" файлы ?
P.S. что означают последние буквы в ПИКах ?
PIC16F871-I/S
PIC18F2550-I/SP
Dizayner
 
Сообщения: 148
Зарегистрирован: 26 дек 2005, 01:36
Откуда: Иордания

Re: ЧТО ТАКОЕ программатор и с чем его едят?

Сообщение avr123.nm.ru » 25 сен 2009, 08:28

Последние буквы обозначают корпус и теперетурный диапазон обычно - в даташитах есть расшифровка.

Добавлено спустя 4 минуты 47 секунд:
Dizayner писал(а):1) можно ли проверить работоспособность ПИКа ?
2) можно ли "скопировать" необходимую информацию и "перезаписать" на другой чип ?
3) можно-ли найти в интернете необходимые "для загрузки" файлы ?

1. Конечно. просто прошить в него тестовую программу и посмотреть.

2. Можно программатором если нет аппаратной защиты прошивки, если есть защита то при чтении прошивки из него ГОВОРЯТ будет последовательность чисел читаться.

3. Скорее да чем нет.

Если вы выложите управляющую программу то станет яснее. Скорей всего на pic18f2550 просто мост USB-UART сделан. Если прогой логером ( примеры программ на страничке - http://avr123.nm.ru/z4.htm ) залогить что идет на ножках RX TX при подаче команд то будет виден протокол работы устройства и можно просто накалякать свою прогу для нового МК.
Последний раз редактировалось avr123.nm.ru 25 сен 2009, 22:10, всего редактировалось 2 раз(а).
Аватара пользователя
avr123.nm.ru
отсылающий читать курс
 
Сообщения: 14195
Зарегистрирован: 06 ноя 2005, 04:18
Откуда: Москва
Предупреждения: -8

Re: ЧТО ТАКОЕ программатор и с чем его едят?

Сообщение yak-40 » 25 сен 2009, 08:30

Dizayner писал(а): можно ли проверить работоспособность ПИКа ?

Можно. Например тестовой программой которая бы выводила на все порты по очереди нули-единицы.
Dizayner писал(а):2) можно ли "скопировать" необходимую информацию и "перезаписать" на другой чип ?

Ответ был выше.
Dizayner писал(а):3) можно-ли найти в интернете необходимые "для загрузки" файлы ?

На сайте производителя.
IMHO Хотя вряд-ли.
- Этот человек - не человек! это робот!
- Как? уже делают?!
- Делают!!!
Аватара пользователя
yak-40
 
Сообщения: 3037
Зарегистрирован: 23 окт 2007, 22:03
Откуда: Москва
прог. языки: С
ФИО: Евгений Яковец

Re: ЧТО ТАКОЕ программатор и с чем его едят?

Сообщение Dizayner » 25 сен 2009, 21:57

yak-40 писал(а):
Dizayner писал(а): можно ли проверить работоспособность ПИКа ?

Можно. Например тестовой программой которая бы выводила на все порты по очереди нули-единицы.
Dizayner писал(а):
avr123.nm.ru писал(а):Если вы выложите управляющую программу то станет яснее. Скорей всего на pic18f2550 просто мост USB-UART сделан. Если прогой логером ( примеры программ на страничке - http://avr123.nm.ru/04.htm ) залогить что идет на ножках RX TX при подаче команд то будет виден протокол работы устройства и можно просто накалякать свою прогу для нового МК.

2 yak-40 & avr123.nm.ru
Доброе время суток...
- еще толком не могу разобратся, где и как загрузить тестовую программу и
как "скопировать" и выложить управляющую программу ?
- программер "TOP2007" показал что у нескольких ножек PIC16F871 нет контакта... немного непонятно, если замыкание "пришло" со стороны цифрового выхода (пины "RD-5 & RC-5") то почему замкнули остальные пины ? включая ПИН "RX" - который идет на другой ПИК: PIC18F2550 ? (пугает перспектива того что и этот пик вылетел, хотелось бы проверить экспирементально ;)

P.S. - вообщем когда происходит подключение устройста на плате включаются индикаторы "RUN & TX/RX" а на РС-выходит сообщение "CPU О.К." не хотелось бы наступать на грабли, поэтому мне нужен Ваш совет, 4то будет если я рабочий ПИК подключу на злополучную плату ? или наооборот "сгоревший" ПИК подключу на рабочую плату ? т.е. это бесопасно или можно еще 4то-нибудь по ходу спалить ?
Вложения
PIN not contacted-3.JPG
Dizayner
 
Сообщения: 148
Зарегистрирован: 26 дек 2005, 01:36
Откуда: Иордания

Re: ЧТО ТАКОЕ программатор и с чем его едят?

Сообщение avr123.nm.ru » 25 сен 2009, 22:14

Если у вас есть COM порт, то подключите к нему по схемам со странички ссылку на которую я вам дал выше линии RxD и TxD и помотрите иду ли данные через 2550.

В нормальну плату-схему можно поставить новый ПИК - это безопасно.
Аватара пользователя
avr123.nm.ru
отсылающий читать курс
 
Сообщения: 14195
Зарегистрирован: 06 ноя 2005, 04:18
Откуда: Москва
Предупреждения: -8

Re: ЧТО ТАКОЕ программатор и с чем его едят?

Сообщение Dizayner » 25 сен 2009, 22:35

avr123.nm.ru писал(а):Если у вас есть COM порт, то подключите к нему по схемам со странички ссылку на которую я вам дал выше линии RxD и TxD и помотрите иду ли данные через 2550.

К сожалению на этом PC нет ком-порта, но есть программатор ТОР2007 :wink: немного почесав затылок задлася вопросом:
- Если PIC18F2550 в списке софта "topwin3x.ехе" программера не значится, как зарегестрировать этот ПИК что-бы он высвечивался в меню списка "Microchip"

- 4ем можно заменить PIC16F871? вы говорите 4то PIC & AVR взаимозаменяемы ?! посоветуйте 4то искать в магазине радиодеталей ? возможно имеет место быть специальным процессорам (болванкам) по принципу: "4то запишешь, то и покажем"?!
Вложения
PIC18F2550.JPG
Dizayner
 
Сообщения: 148
Зарегистрирован: 26 дек 2005, 01:36
Откуда: Иордания

Re: ЧТО ТАКОЕ программатор и с чем его едят?

Сообщение Klukv » 25 окт 2009, 22:29

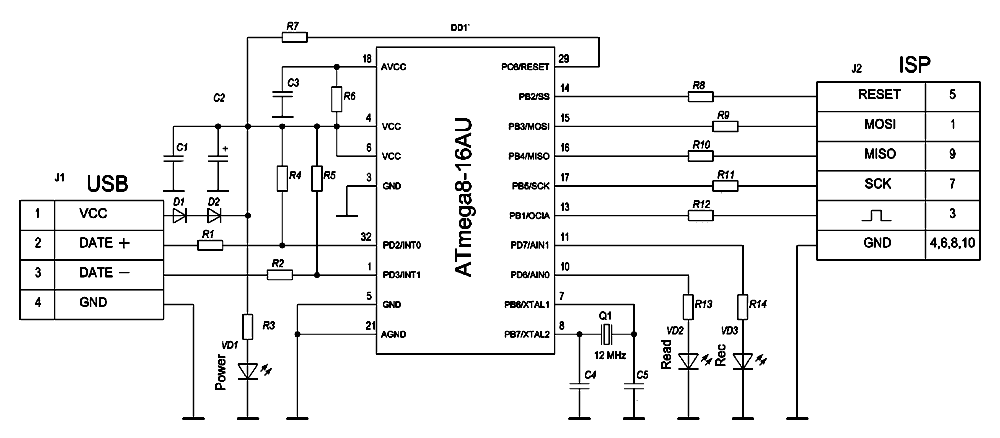
Ребят, у меня вопрос возник по поводу подключения ATmega16 к USB программатору.

1 ножка PSI к MOSI
2 ножка PSI к не подключена
3 ножка PSI к ??? (OC1A или XTAL1) (в инструкции к программатору написано _|-|_... лучше Вам увидеть картинку внизу )
4 ножка PSI к GND
5 ножка PSI к RESET
6 ножка PSI к GND
7 ножка PSI к SCK
8 ножка PSI к GND
9 ножка PSI к MISO
10 ножка PSI к GND

хотелось бы узнать правильно ли я собрался подключать третью ножку?

И в каком порядке вообще считать в таком? (смотрите картинку снизу)
Вложения
PIC546.jpg
Считать контакты в таком порядке?
bm9010.gif
Инструкция
Klukv
 
Сообщения: 38
Зарегистрирован: 14 окт 2009, 16:09
Откуда: Уфа

Re: ЧТО ТАКОЕ программатор и с чем его едят?

Сообщение yak-40 » 25 окт 2009, 22:45

На второй вывод обычно +Uпит. подают, а так всё правильно :)
- Этот человек - не человек! это робот!
- Как? уже делают?!
- Делают!!!
Аватара пользователя
yak-40
 
Сообщения: 3037
Зарегистрирован: 23 окт 2007, 22:03
Откуда: Москва
прог. языки: С
ФИО: Евгений Яковец

Re: ЧТО ТАКОЕ программатор и с чем его едят?

Сообщение galex1981 » 25 окт 2009, 22:46

Что то не понял, а зачем фотография с платой приложена? Если на ней правильность смотреть надо, то я вообще не пойму как ты соединял на ней что
if(!Operate) Read(pDatasheet);
Аватара пользователя
galex1981
 
Сообщения: 4363
Зарегистрирован: 04 дек 2008, 22:44
Откуда: Камышин
Skype: galk-aleksandr1
прог. языки: Kotlin, Java, C, C++, Assm, BasCom, VB, php
ФИО: Галкин Александр Владимирович

Re: ЧТО ТАКОЕ программатор и с чем его едят?

Сообщение Klukv » 25 окт 2009, 22:48

Так а куда в итоге третью ногу подключать то? к OC1A или XTAL1? :) Или можно подключать куда захочешь?

Добавлено спустя 1 минуту 9 секунд:
galex1981 писал(а):Что то не понял, а зачем фотография с платой приложена? Если на ней правильность смотреть надо, то я вообще не пойму как ты соединял на ней что


Там контакты подписаны - правда мелко, надо увеличивать, или просто пристальнее взглянуть :shock:
Klukv
 
Сообщения: 38
Зарегистрирован: 14 окт 2009, 16:09
Откуда: Уфа

Re: ЧТО ТАКОЕ программатор и с чем его едят?

Сообщение yak-40 » 25 окт 2009, 22:49

Блин! ошибся. Где у тебя 9 там 1 должен быть!
- Этот человек - не человек! это робот!
- Как? уже делают?!
- Делают!!!
Аватара пользователя
yak-40
 
Сообщения: 3037
Зарегистрирован: 23 окт 2007, 22:03
Откуда: Москва
прог. языки: С
ФИО: Евгений Яковец

Re: ЧТО ТАКОЕ программатор и с чем его едят?

Сообщение Klukv » 25 окт 2009, 22:53

Т.е. должно быть так:
Вложения
123.jpg
Klukv
 
Сообщения: 38
Зарегистрирован: 14 окт 2009, 16:09
Откуда: Уфа

Пред.След.

Вернуться в Программаторы

Кто сейчас на конференции

Сейчас этот форум просматривают: нет зарегистрированных пользователей и гости: 0

cron