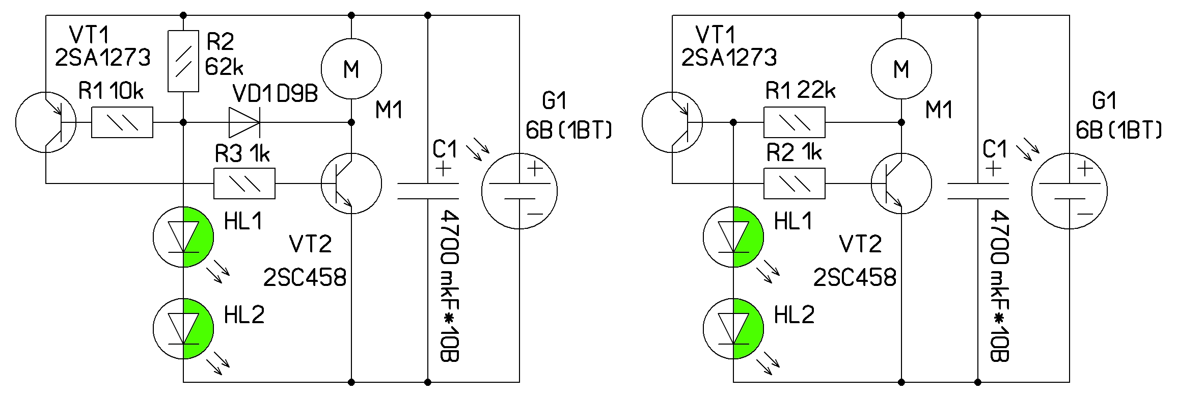
MegaBIZON писал(а):И по ней у меня попутный вопрос: вот эти диоды, 1N4002, которые включены параллельно-друг-другу-на-встречу... Это зачем?.. Что это ваще такоэ? ))
Смешно стоят

Они объединяют управление двигателями, когда срабатывает левый двигатель, то питание подается и на правый двигатель, и соотв. наоборот. Нахожу только одно объяснение этому: На диоде падает 0.5 вольт. Т.е. на один двигатель подается чуть меньше напряжение чем на другой. Может таким Макаром они пытались сделать подруливание робота на свет? Но это будет работать только при низких напряжениях, чтоб была разница между моторами заметна.
Если это сделано не для подруливания, и двигатели должны получать одинаковую мощность, то надо просто нижние концы двигателей объединить. Диоды выкинуть...
Про ne555p не понял что значит "59 otnm", но в пдф на них написано, что они работают минимум от 4.5 вольт.
Добавлено спустя 1 минуту 50 секунд:Flyfisherman писал(а):Dmitry__ а транзисторы в схеме должны быть комплементарными или это пофиг.
Да пофиг совершенно, схема цифровая...
Добавлено спустя 13 минут 50 секунд:MegaBIZON писал(а):Раз в схеме есть, значит надо ставить. Но не понимаю! ))
Во, нашел первоисточник, да, для слежения за солнцем:
http://www.solarbotics.net/library/circuits/bot_popper_555.htmlThis is a new version that can use larger caps for longer pops by driving both motors at the same time but with a turning bias, which depends on the side triggered. The two diodes connect an active low output which drives a primary motor directly, also to the opposite motor. The diode drop reduces the voltage applied to the secondary motor so that it turns more slowly than the primary motor.
Гугля переводчик:
Это новая версия , которая может использовать большие колпачки для более длинных хлопков при движении оба двигателя одновременно , но с уклоном поворота, который зависит от стороны срабатывает. Два диода с подключить активный низкий выход , который приводит в действие двигатель первичный непосредственно, а также к противоположному двигателя. Диод падение уменьшает напряжение , приложенное к вторичным двигателем таким образом , что получается медленнее , чем на первичном двигателе.