![]() |
roboforum.ruТехнический форум по робототехнике. |
|
|
| Реклама | ||||
|
|
|
|||
| Реклама | ||||
|
|
|
|||



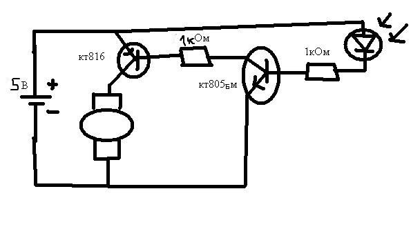
MegaBIZON писал(а):Это транзисторы. Хрен его знает, чем они такие оссобенные.



Сейчас этот форум просматривают: нет зарегистрированных пользователей и гости: 0