roboforum.ru

Технический форум по робототехнике.


Фотоэлементы

Робот на простых аналоговых элементах.

Сообщение ATNILISHE » 19 июл 2007, 17:51

а это ШО :shock:
Аватара пользователя
ATNILISHE
 
Сообщения: 31
Зарегистрирован: 02 июл 2007, 16:29
Откуда: Украина, Мариуполь

Сообщение Vooon » 19 июл 2007, 17:54

ATNILISHE писал(а):а это ШО :shock:

wikipedia
Аватара пользователя
Vooon
Site Admin
 
Сообщения: 3339
Зарегистрирован: 09 фев 2006, 15:36
Откуда: Москва
Skype: vooon341
прог. языки: Python, C, Bash, JavaScript, C++, PHP
ФИО: Владимир Ермаков

Сообщение ATNILISHE » 19 июл 2007, 18:00

так бы и писали. ПЕРЕМЕННОЕ СОПРОтВЛЕНИе 8) . а вчём проблема его спользования и куда циплять на + или на землю диода :?:
Аватара пользователя
ATNILISHE
 
Сообщения: 31
Зарегистрирован: 02 июл 2007, 16:29
Откуда: Украина, Мариуполь

Сообщение ATNILISHE » 19 июл 2007, 18:09

ОНИ  :D
Вложения
SAVE0062.gif
SAVE0062.gif (25.49 КиБ) Просмотров: 4826
Последний раз редактировалось ATNILISHE 19 июл 2007, 21:13, всего редактировалось 1 раз.
Аватара пользователя
ATNILISHE
 
Сообщения: 31
Зарегистрирован: 02 июл 2007, 16:29
Откуда: Украина, Мариуполь

Сообщение Vooon » 19 июл 2007, 18:21

ATNILISHE писал(а):АНИ  :D

ОНИ, п.8.2.5.5.

приведи свою схемку, скажу
Аватара пользователя
Vooon
Site Admin
 
Сообщения: 3339
Зарегистрирован: 09 фев 2006, 15:36
Откуда: Москва
Skype: vooon341
прог. языки: Python, C, Bash, JavaScript, C++, PHP
ФИО: Владимир Ермаков

Сообщение ATNILISHE » 19 июл 2007, 21:05

8)
Вложения
947.jpg
Аватара пользователя
ATNILISHE
 
Сообщения: 31
Зарегистрирован: 02 июл 2007, 16:29
Откуда: Украина, Мариуполь

Сообщение ATNILISHE » 19 июл 2007, 21:12

:D
Вложения
atna_070719_201122.jpg
а вот оно, ДЕРЕВО
Аватара пользователя
ATNILISHE
 
Сообщения: 31
Зарегистрирован: 02 июл 2007, 16:29
Откуда: Украина, Мариуполь

Сообщение Master » 19 июл 2007, 21:48

Vooon писал(а):
Master писал(а):Бороться с фотодиодами можно только одним способом. Ставь ТСОП. Но и с ним есть свои проблемы.

ты на БИМА поставиш ТСОП??? мдяяяя....

а бороться - нужны подстоечники, крутиш их и добиваешся одинаковости


А что мешает на БИМЕ ставить МК?
Аватара пользователя
Master
 
Сообщения: 4468
Зарегистрирован: 21 дек 2006, 19:56
Откуда: Украина, г.Одесса
прог. языки: Delphi и С

Сообщение Master » 19 июл 2007, 21:52

2 ATNILISHE
ИМХО ставишь вместо сопротивленя на 1КОм переменное на 1,5КОм и подстривашь чувствительность, чем меньше сопротивление тем больше чувствительность. Кстати в прайсе, кот. я выложил есть картинки как выглядит переменный резистор.
А мафынка ниче прикольная.
Аватара пользователя
Master
 
Сообщения: 4468
Зарегистрирован: 21 дек 2006, 19:56
Откуда: Украина, г.Одесса
прог. языки: Delphi и С

Сообщение Master » 19 июл 2007, 21:56

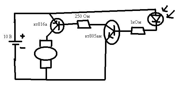
И у меня вопрос, почему нельзя использовать вот такую схему (рис. справа) вместо той что слева?
Вложения
Безымянный.JPG
Аватара пользователя
Master
 
Сообщения: 4468
Зарегистрирован: 21 дек 2006, 19:56
Откуда: Украина, г.Одесса
прог. языки: Delphi и С

Сообщение Myp » 19 июл 2007, 22:15

ну тогда нужно мосфит использовать
там ток то я думаю большой будет ампер или даже полтора

хотя не, не в этом дело
это наверно нужно чтобы чётче срабатывало??
ато если напрямую будет плавно в завис от освещения
и  при слабом освещении транзюк может не до конца открыться
типа доп каскад усиления гарантирует срабатывание при слабом свете :?:
Аватара пользователя
Myp
скрытый хозяин вселенной :)
 
Сообщения: 18018
Зарегистрирован: 18 сен 2006, 12:26
Откуда: Тверь по прозвищу Дверь
прог. языки: псевдокод =) сила в алгоритме!
ФИО: глубокоуважаемый Фёдор Анатольевич

Сообщение Vooon » 19 июл 2007, 22:25

Master писал(а):А что мешает на БИМЕ ставить МК?

да я не про МК а про то что с ТСОПом на свет не походиш - посмотри его устройство

---

а что килоомник в базе заменить на подстроечник уже сказали, хотя лучше не заменять а поставить параллельно с ~500 омным резистором - защита от "дурака".

---

что-то сомневаюсь что транзистор в правой схеме будет открываться, помоделируй.
Аватара пользователя
Vooon
Site Admin
 
Сообщения: 3339
Зарегистрирован: 09 фев 2006, 15:36
Откуда: Москва
Skype: vooon341
прог. языки: Python, C, Bash, JavaScript, C++, PHP
ФИО: Владимир Ермаков

Сообщение Master » 19 июл 2007, 22:28

Vooon писал(а):
Master писал(а):А что мешает на БИМЕ ставить МК?

да я не про МК а про то что с ТСОПом на свет не походиш - посмотри его устройство

---

а что килоомник в базе заменить на подстроечник уже сказали, хотя лучше не заменять а поставить параллельно с ~500 омным резистором - защита от "дурака".

---

что-то сомневаюсь что транзистор в правой схеме будет открываться, помоделируй.


Да с ТСОПом я ошибся он же на ИК реагирует.   :oops:

А в чем помоделировать? Могу в протеусе тока там как фотодиод моделировать.
Аватара пользователя
Master
 
Сообщения: 4468
Зарегистрирован: 21 дек 2006, 19:56
Откуда: Украина, г.Одесса
прог. языки: Delphi и С

Сообщение Myp » 19 июл 2007, 22:36

Master писал(а):А в чем помоделировать? Могу в протеусе тока там как фотодиод моделировать.

например заменить его кнопкой с сопротивлением =)
Аватара пользователя
Myp
скрытый хозяин вселенной :)
 
Сообщения: 18018
Зарегистрирован: 18 сен 2006, 12:26
Откуда: Тверь по прозвищу Дверь
прог. языки: псевдокод =) сила в алгоритме!
ФИО: глубокоуважаемый Фёдор Анатольевич

Сообщение Vooon » 19 июл 2007, 23:52

Myp писал(а):например заменить его кнопкой с сопротивлением =)

не, правильней будет заменить потенциометром.

---

фотодиоды тоже в основной массе идут на ИК, у ТСОПА другая загвоздка почему его невозможно использовать с обычным светом
он был расчитан на работу с постоянной засветкой и реагирует только на импульсы.. остальное думаю понятно.

источников ИК очень много вокруг нас.. да и мы тоже "светимся" :)
Аватара пользователя
Vooon
Site Admin
 
Сообщения: 3339
Зарегистрирован: 09 фев 2006, 15:36
Откуда: Москва
Skype: vooon341
прог. языки: Python, C, Bash, JavaScript, C++, PHP
ФИО: Владимир Ермаков

Пред.След.

Вернуться в BEAM роботы

Кто сейчас на конференции

Сейчас этот форум просматривают: нет зарегистрированных пользователей и гости: 0

cron