roboforum.ru

Технический форум по робототехнике.


1 - преветы :) 2 - памагиите!!! (как, впрочем, многие)

Робот на простых аналоговых элементах.

Re: 1 - преветы :) 2 - памагиите!!! (как, впрочем, многие

Сообщение MegaBIZON » 20 авг 2010, 20:24

базу транзистора 2 - на каком рисунке?
А про шитко-диоды я ваще чёта не в курсе, что это за штука :pardon:
попробую подгуглить, но боюсь, ничё не пойму...

Добавлено спустя 4 минуты 4 секунды:
Re: 1 - преветы :) 2 - памагиите!!! (как, впрочем, многие)
Аа, кажется понял - это того транзистора, который в мосту, к усику который базой зацепился? ясно. понарисовал всякого, сам теперь тупаюсь...

Добавлено спустя 22 минуты 40 секунд:
Re: 1 - преветы :) 2 - памагиите!!! (как, впрочем, многие)
так?
777_3.gif


Добавлено спустя 26 минут 8 секунд:
Re: 1 - преветы :) 2 - памагиите!!! (как, впрочем, многие)
4.7К не было - взял 3.3К (может стоило воткнуть 5.1К - они есть)
диод шоттки-нешоттки, а какой-то воткнул - мелкий стеклянный....
чота никак.
.............солнце светит, птички поют, я - зелёный бамбук меня тянет к солнцуЯ - зелёный бамбук, я - зелёный бамбук , меня тянет к солнцу. Я - не огурчик и не лягушка, я - зелёный бамбук. Меня курят...............
Аватара пользователя
MegaBIZON
 
Сообщения: 6285
Зарегистрирован: 12 янв 2007, 00:34
Откуда: Масква

Re: 1 - преветы :) 2 - памагиите!!! (как, впрочем, многие

Сообщение Duhas » 20 авг 2010, 20:44

Бизон, а релюшка никанает?
«Как сердцу выразить себя? … Мысль изреченная есть ложь!»
В этом мире меня подводит доброта и порядочность...
"двое смотрят в лужу, один видит лужу, другой отраженные в ней звезды"
Аватара пользователя
Duhas
 
Сообщения: 6338
Зарегистрирован: 15 сен 2007, 13:03
Откуда: Красноярск
прог. языки: ASM(МК), C(PC)
ФИО: Гагарский Андрей Александрович

Re: 1 - преветы :) 2 - памагиите!!! (как, впрочем, многие

Сообщение avr123.nm.ru » 20 авг 2010, 21:12

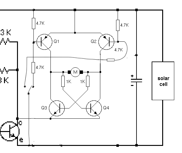
Вот так наверно будет работать.


Номиналы резисторов от усиления транзисторов зависят. 4.7 кОм для bc337 bc327 подойдут пожалуй.
-

Добавлено спустя 16 минут 9 секунд:
Re: 1 - преветы :) 2 - памагиите!!! (как, впрочем, многие)
Если использовать не кнопку а переключатель то схема проще будет.
Вложения
beam.gif
beam.gif (9.25 КиБ) Просмотров: 3839
Читайте !
Аватара пользователя
avr123.nm.ru
отсылающий читать курс
 
Сообщения: 14195
Зарегистрирован: 06 ноя 2005, 04:18
Откуда: Москва
Предупреждения: -8

Re: 1 - преветы :) 2 - памагиите!!! (как, впрочем, многие

Сообщение MegaBIZON » 20 авг 2010, 21:45

Duhas писал(а):Бизон, а релюшка никанает?

солнечные батарейки - какие тут релюшки...

Добавлено спустя 20 минут 25 секунд:
avr123.nm.ru писал(а):Вот так наверно будет работать.....


ниччёсебе понавертел о_О
Но нету у меня 4.7К... завтра выходные по радиолавочкам, облом. Так таки 5.1К подойдут?

bc337 bc327 - это что, транзисторы такие? Чем они от моих привычных 2N**** отличаются?
Если использовать не кнопку а переключатель то схема проще будет

конечно проще. наверное... Но механически сложнее.
Но если переключалку я сгенерить в состоянии, то схему к ней я придумать уже не сумею. Думал над этим - вбестолку...
.............солнце светит, птички поют, я - зелёный бамбук меня тянет к солнцуЯ - зелёный бамбук, я - зелёный бамбук , меня тянет к солнцу. Я - не огурчик и не лягушка, я - зелёный бамбук. Меня курят...............
Аватара пользователя
MegaBIZON
 
Сообщения: 6285
Зарегистрирован: 12 янв 2007, 00:34
Откуда: Масква

Re: 1 - преветы :) 2 - памагиите!!! (как, впрочем, многие

Сообщение avr123.nm.ru » 20 авг 2010, 22:24

Резистор в базу так выбрать можно. Включаете мотор через транзистор к источнику напруги типовой для накопления на вашем кондере. Уменьшая переменный резистор подающий ток в базу транзистора смОтрите когда напруга К-Э перестанет уменьшаться. измеряете полученое сопотивление резистора и используете в схеме номинал в 20-40 % от измереного.

Вот схема для переключателя. Переключатель вроде просто сделать из срепок, проволоки и пружинки.

-
Вложения
beam_2.gif
Читайте !
Аватара пользователя
avr123.nm.ru
отсылающий читать курс
 
Сообщения: 14195
Зарегистрирован: 06 ноя 2005, 04:18
Откуда: Москва
Предупреждения: -8

Re: 1 - преветы :) 2 - памагиите!!! (как, впрочем, многие

Сообщение MegaBIZON » 21 авг 2010, 08:22

про метод подбора резюка не понял... Да плюнь, попробую почитать чего-нибудь на эту тему.
===========
а чего это от транзов 1 и 2, от базы, и на + на - (к кнопке) одинаковые резюки? они, транзисторы, там с ума не сойдут? :)

Но кстати суть схемы понял. и как сам не допёр...
.............солнце светит, птички поют, я - зелёный бамбук меня тянет к солнцуЯ - зелёный бамбук, я - зелёный бамбук , меня тянет к солнцу. Я - не огурчик и не лягушка, я - зелёный бамбук. Меня курят...............
Аватара пользователя
MegaBIZON
 
Сообщения: 6285
Зарегистрирован: 12 янв 2007, 00:34
Откуда: Масква

Re: 1 - преветы :) 2 - памагиите!!! (как, впрочем, многие

Сообщение avr123.nm.ru » 21 авг 2010, 09:17

У транзисторов нет башни - потому съехать она не могИ ! ( померб напруги на резисторах - подумай почему так )

Понимать не надо - просто попробуй такой подбор. Можно в PROTEUS.

Все резисторы в схеме можно брать одинаковые - все по 1 кОм наверняка будут работать.

А подбор - это только чтобы малыми резюками не жечь ляктричество напрасно.

-
Вложения
res.gif
res.gif (6.57 КиБ) Просмотров: 3635
Читайте !
Аватара пользователя
avr123.nm.ru
отсылающий читать курс
 
Сообщения: 14195
Зарегистрирован: 06 ноя 2005, 04:18
Откуда: Москва
Предупреждения: -8

Re: 1 - преветы :) 2 - памагиите!!! (как, впрочем, многие

Сообщение MegaBIZON » 21 авг 2010, 15:39

угу
.............солнце светит, птички поют, я - зелёный бамбук меня тянет к солнцуЯ - зелёный бамбук, я - зелёный бамбук , меня тянет к солнцу. Я - не огурчик и не лягушка, я - зелёный бамбук. Меня курят...............
Аватара пользователя
MegaBIZON
 
Сообщения: 6285
Зарегистрирован: 12 янв 2007, 00:34
Откуда: Масква

Re: 1 - преветы :) 2 - памагиите!!! (как, впрочем, многие

Сообщение MegaBIZON » 22 авг 2010, 10:51

эЭх... всё же надоть не на переключалке, а на простой "кнопке". Ведь не только же в усах их ставить, но кое где и на ногах... передних там, сбоку.
А с кнопкой такая гроздь деталек получается, что скоро насмерть растерзаю свою несчастную макетку )))

Но сёдня закуплюсь резюками и транзявками (bc337 и bc327)
.............солнце светит, птички поют, я - зелёный бамбук меня тянет к солнцуЯ - зелёный бамбук, я - зелёный бамбук , меня тянет к солнцу. Я - не огурчик и не лягушка, я - зелёный бамбук. Меня курят...............
Аватара пользователя
MegaBIZON
 
Сообщения: 6285
Зарегистрирован: 12 янв 2007, 00:34
Откуда: Масква

Re: 1 - преветы :) 2 - памагиите!!! (как, впрочем, многие

Сообщение MegaBIZON » 24 авг 2010, 00:06

Ну кстати сотворил я из подручных материалов комплект переключалок, чтоб как у "Акакия" работало.
Но одно "но". Микрокнопки, что пошли в дело в том паучке, при достаточном усилии моментально сщёлкиваются из положения "А" в "Б", минуя мёртвую зону. Но усилие, требуемое для их перещёлкивания, чахлый светотаракан развить не в состоянии. Ни массы, ни дури в моторах, питающихся мизерными подачками с кондёров, у него для это попросту не хватает - и я сделал переключалки, работающие от малейшего давления, без щелчка. Но именно поэтому они нет-нет да и оказываются в той самой мёртвой зоне - когда с обеих сторон контакты уже отошли от положения "А", но ещё не дошли в "Б". Всё, приехали.

Ну и ещё пара минусов применения именно переключателей, каких бы то ни было:
1 - работают они только в одном направлении. Если препятствие окажется не с той стороны (что при попеременной работе моторов случается, а у бимов это постоянное явление), то оно будет просто незамечено, и таракашка попадёт в этакую ловушку.
2 - проистекает из первого: как видно в ролике про "Акакия", на отметках 1.14 и 1.53 - ус, попал под препятствие, пройдя под него свободно, не срабатывает. И всё, опять застряли.

В то время как во всех подобных случаях простой двухконтактный усик сработал бы наотлично. И если на роботах, не ограниченых в токе, ещё можно использовать самое простое для меня - релюшки, отлично срабатывающие от таких усов, то на умирающем с голоду биме такая халява не пройдёт.

Увы, придётся отказаться от механических переключалок, и уж постараться натыкать в макетку их электронный аналог (работающий от скупого солнечного электричества).
.............солнце светит, птички поют, я - зелёный бамбук меня тянет к солнцуЯ - зелёный бамбук, я - зелёный бамбук , меня тянет к солнцу. Я - не огурчик и не лягушка, я - зелёный бамбук. Меня курят...............
Аватара пользователя
MegaBIZON
 
Сообщения: 6285
Зарегистрирован: 12 янв 2007, 00:34
Откуда: Масква

Re: 1 - преветы :) 2 - памагиите!!! (как, впрочем, многие

Сообщение Radist » 24 авг 2010, 07:41

Есть небольшая идея насчет борьбы с мертвой зоной. Может быть сыроватая, но вдруг натолкнет на мысль. Я так понял, что при замыкании А на землю крутимся в одну сторону, а при замыкании Б - в другую. Если точку Б сажать на землю не переключателем, а нпн транзистором (база которого подтянута к плюсу), то вместо переключателя можно использовать нормально разомкнутый усик. Когда он разомкнут - базы подтянуты к плюсу и одно плечо закрыто, а второе открыто. Когда замкнут - наоборот. Грубо говоря мы вводим инвертор. Несколько сумбурное объяснение, но мне щас нечем ввести картинку в интернет.
Аватара пользователя
Radist
 
Сообщения: 2254
Зарегистрирован: 01 июл 2009, 08:59
Откуда: Екатеринбург
прог. языки: асемблер AVR

Re: 1 - преветы :) 2 - памагиите!!! (как, впрочем, многие

Сообщение MegaBIZON » 24 авг 2010, 08:30

что жаль, так как без картинки я чёйта не улавил :)
будет возможность - обязательно нарисуй свою мысль.
.............солнце светит, птички поют, я - зелёный бамбук меня тянет к солнцуЯ - зелёный бамбук, я - зелёный бамбук , меня тянет к солнцу. Я - не огурчик и не лягушка, я - зелёный бамбук. Меня курят...............
Аватара пользователя
MegaBIZON
 
Сообщения: 6285
Зарегистрирован: 12 янв 2007, 00:34
Откуда: Масква

Re: 1 - преветы :) 2 - памагиите!!! (как, впрочем, многие

Сообщение Radist » 24 авг 2010, 10:12

Слева фрагмент схемы как было, справа - схема с идеей (тоже фрагмент). Кругляшок - это питание. Раньше на резюки земля подавалась через переключатель, а сейчас если выключатель замкнут - один резюк на земле, транзистор заперт, второй резюк значит висит. Если ключ разомкнут, то висит первый резюк, транзистор открыт, второй резюк сидит на земле.

Добавлено спустя 1 час 17 минут 59 секунд:
Re: 1 - преветы :) 2 - памагиите!!! (как, впрочем, многие)
Может быть придется еще последовательно в базу резюк поставить (а то левый резюк при разомкнутом ключе все равно сидит на земле через базовый переход).
Вложения
for_bizon.JPG
for_bizon.JPG (7.97 КиБ) Просмотров: 3551
Аватара пользователя
Radist
 
Сообщения: 2254
Зарегистрирован: 01 июл 2009, 08:59
Откуда: Екатеринбург
прог. языки: асемблер AVR

Re: 1 - преветы :) 2 - памагиите!!! (как, впрочем, многие

Сообщение MegaBIZON » 24 авг 2010, 10:24

куда тут мотор-то сувать?
.............солнце светит, птички поют, я - зелёный бамбук меня тянет к солнцуЯ - зелёный бамбук, я - зелёный бамбук , меня тянет к солнцу. Я - не огурчик и не лягушка, я - зелёный бамбук. Меня курят...............
Аватара пользователя
MegaBIZON
 
Сообщения: 6285
Зарегистрирован: 12 янв 2007, 00:34
Откуда: Масква

Re: 1 - преветы :) 2 - памагиите!!! (как, впрочем, многие

Сообщение Radist » 24 авг 2010, 10:42

тут - никуда. это кусочек схемы (слева) - переключатель и два резюка к базам пнп транзисторов. А справа кусочек заместо левого, верхние резюки к тем же самым базам пнп транзисторов.
Аватара пользователя
Radist
 
Сообщения: 2254
Зарегистрирован: 01 июл 2009, 08:59
Откуда: Екатеринбург
прог. языки: асемблер AVR

Пред.След.

Вернуться в BEAM роботы

Кто сейчас на конференции

Сейчас этот форум просматривают: нет зарегистрированных пользователей и гости: 0

cron