ты чё, с другой планеты?

ага. но к тебе уже почти привык.
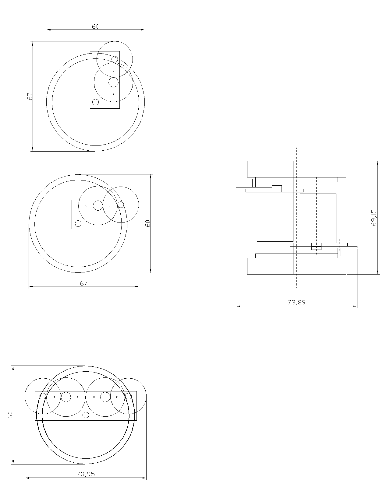
несмотря на то, что мебельное колесо нифига не лучший вариант на все случаи жизни - рассматриваем его. на 10мм с одной стороны режем опору и компонуем вот так.
хотя если говорить о минисумо, то центр тяжести надо пониже, а расстояние до стола сделать минимальным. но это другая задача, которая, тем не менее, НЕ противоречит тому, что редуктор должен быть МИНИМАЛЬНЫХ размеров.
все. с EdGull'ом все равно бесполезно спорить, так что на этом мешать перестаю. чо хотел сказть - сказал, теперь послушаю чего другие скажут.