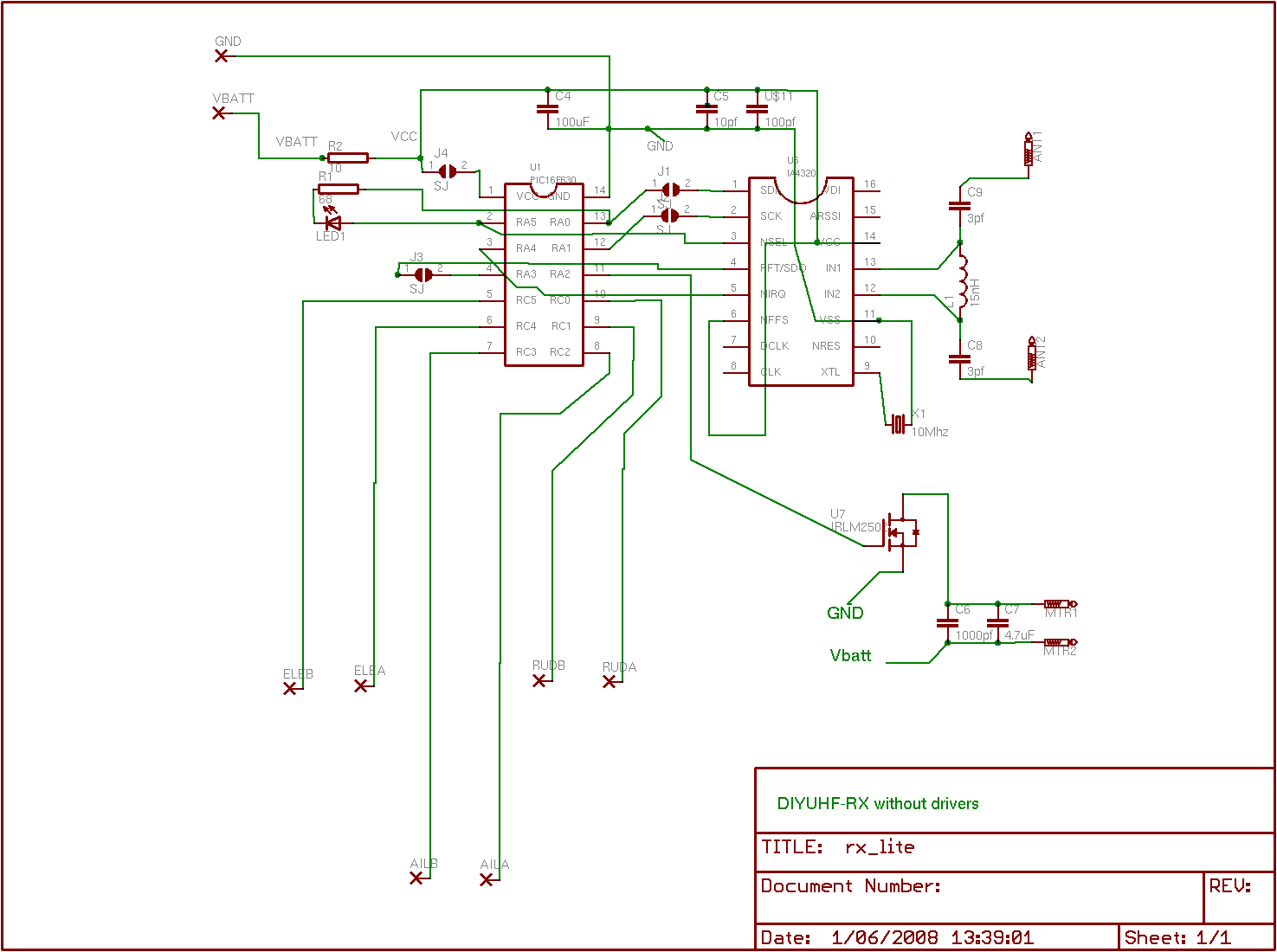
Неоспоримыми достоинствами данных компонентов являются малые "массогабаритные" показатели и минимальное количество дискретных элементов в обвязке, что очень важно в плане сферы применения - RC микромоделизма. Банальный поиск по фирмам-поставщикам ничего не дал кроме готовности некоторых фирм привезти эти детали на заказ но в гораздо большем колличестве и за гораздо большие денежные средства.
А теперь собственно вопросы :
1) знает ли кто другие,проверенные способы заказа электронных компонентов из-за рубежа,в рамках ограниченных сроков и бюджета?
2)подскажите какие более широко распространенные однокристальные приемопередатчики можно применить в данном проекте.




