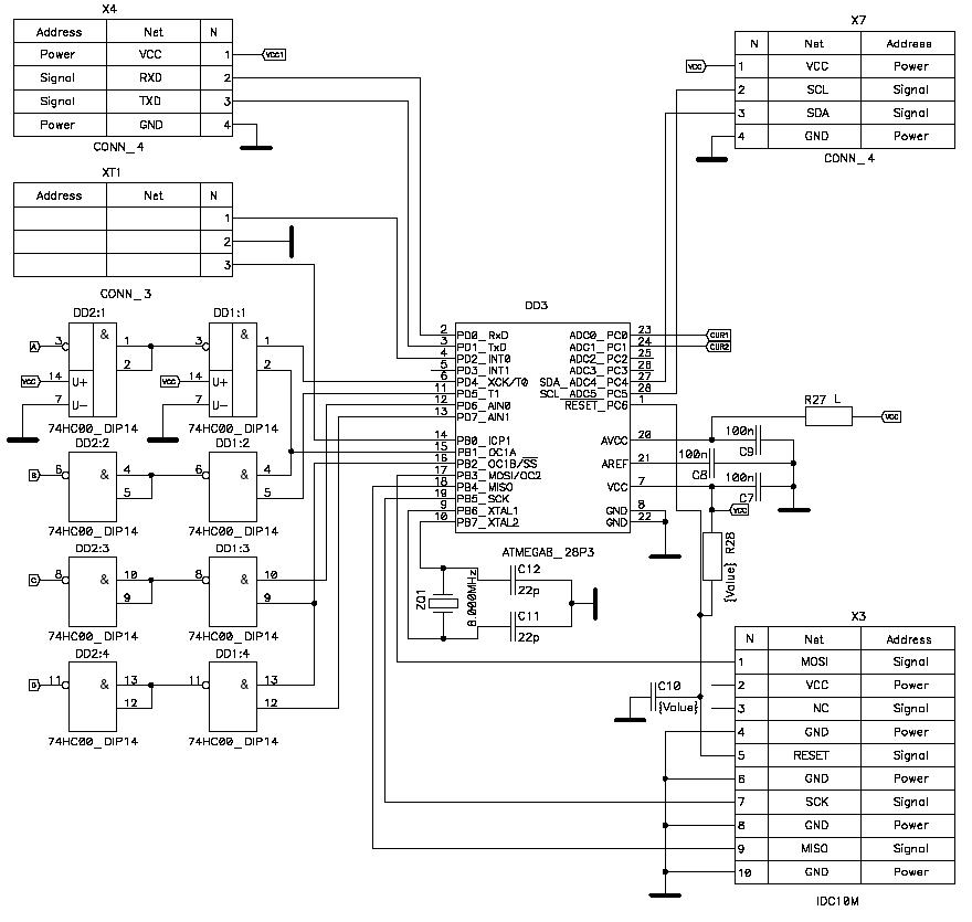
вот думаю тут драйвер шаговика.. оцените ) пока хочу макетик собрать ...
![]() |
roboforum.ruТехнический форум по робототехнике. |
|
|
| Реклама | ||||
|
|
|
|||
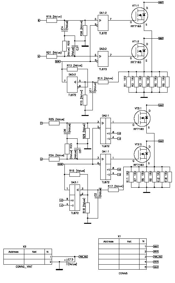
и кстати, а чего на меге, а не на специализированных микросхемах?| Реклама | ||||
|
|
|
|||


Он без оптопар !nest писал(а):что то не пойму... Duhas, а нафига ?
есть же готовый:
.

Сейчас этот форум просматривают: нет зарегистрированных пользователей и гости: 0