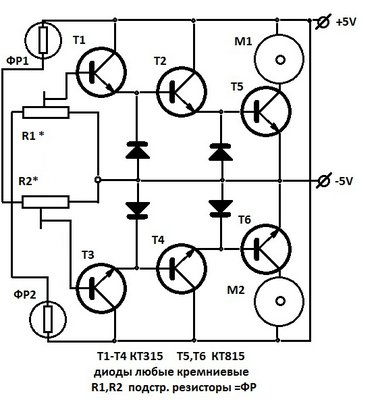
Привет всем.Сделал я механическую часть своего BEAM робота(на основе машинки перевёртыша)(фото потом выложу щас не могу).Ну решил заняться электроникой пошёл в единственный радиомагазин города.....как пришёл с деньгами так и ушёл с ними...ни драйвера двигателя L293D нету,ни его аналога, даже фототранзисторов нету.

Терь вот думаю на транзисторах придётся делать.Подскажите какую нить схему, задача робота что бы он ездил по линии.В наличие у меня имеются транзисторы разные (но я думаю лучше на КТ815 делать),фоторезисторы 2, ну и светодиоды (хоть они есть в нашем магазине

,ну и резисторов куча само сабой.Помогите пожалуйста!
